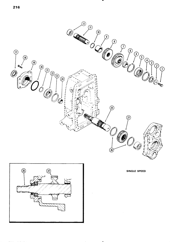
Запчасти Case IH 1090 (216) - P.T.O. OUTPUT AND IDLER SHAFTS, SINGLE SPEED (08) - HYDRAULICS

Схема запчастей Case IH 1090 - (216) - P.T.O. OUTPUT AND IDLER SHAFTS, SINGLE SPEED (08) - HYDRAULICS
6
5
21
11
2
4
20
27
4
24
8
19
18
9
25
12
23
1
27
3
22
17
10
26
25
7
FIT
1:1
100%

Артикул

Название

Примечание

Количество

1

121-415

BOLT,Hex, 1/2" x 1"

- 1/2 x 1" N.C. hex., jay-lok

1шт.

2

A57462

WASHER

- retaining, 2nd idler shaft

1шт.

3

A57509

PLATE

- inner race

1шт.

4

A32422

SNAP RING,2.36mm Thk, Int

RING - snap, 2nd idler gear

2шт.

5

A32423

BEARING ASSY

BEARING - 2nd idler shaft outer race

1шт.

6

A57510

BEARING CONE,1.5748" ID x 2.245" OD x 0.74"

BEARING - single rib inner race

1шт.

7

A32408

GEAR

- driven, 2nd idler (36 teeth)

1шт.

8

A58986

GEAR

- pinion, 2nd idler driver (28 teeth)

1шт.

9

A58207

SPACER

- idler shaft

1шт.

10

A7339

RING

- snap, 2nd idler shaft

1шт.

11

A58203

SHAFT

- 2nd idler

1шт.

12

A28229

NEEDLE BEARING,Needle, 44.44mm ID x 53.99mm OD x 25.4mm W

BEARING - needle, 2nd idler shaft

1шт.

17

A57708

SEAL

- oil, 1-3/4 x 2-1/2 x 1/2"

1шт.

18

166-45

12 PT SCREW,Flg, 3/8" - 16 x 1", Gr 8

SCREW - 3/8 x 1" N.C. Ferry cap

2шт.

19

A62389

CARRIER - bearing, output shaft

1шт.

20

A27507

O-RING,0.139" Thk x 3.984" ID, -242, Cl 5, 75 Duro

"O" RING - 4 x 4-1/4 x 1/8"

1шт.

21

A27085

RING

- snap, output shaft

1шт.

22

B18274

BALL BEARING,1.7712" ID x 3.3465" OD x 0.748"

BEARING - ball, output shaft

1шт.

23

A57921

SNAP RING,3.346", Int, #334

Ring, Snap, , output shaft 3.346", Int, #334

1шт.

24

A32419

SLEEVE CYLINDER

SLEEVE - output shaft oil seal, 1-5/8 x 1-3/4 x 5/8"

1шт.

25

A59026

SHAFT

- output

1шт.

26

A58234

SNAP RING,#237, 2.295", Ext

RING - snap, output shaft

2шт.

27

A59021

GEAR - output (38 internal & 32 external teeth)

1шт.

Выбрано товаров: 23