Запчасти Case IH 1090 (238) - HYDRAULIC SYSTEM, MECHANICAL SHIFT, WITH P.T.O. (08) - HYDRAULICS

Схема запчастей Case IH 1090 - (238) - HYDRAULIC SYSTEM, MECHANICAL SHIFT, WITH P.T.O. (08) - HYDRAULICS
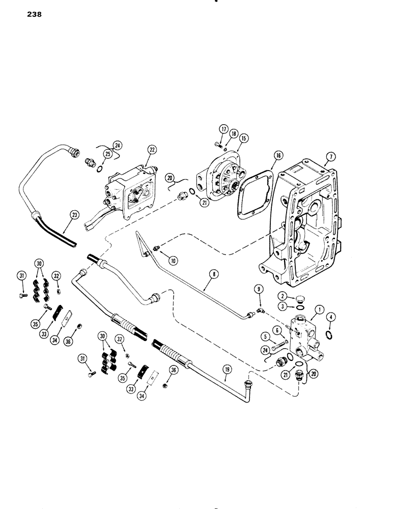
24
7
23
20
34
21
35
15
3
18
17
9
24
35
4
20
31
2
16
33
33
36
1
10
21
34
36
25
30
31
5
32
30
8
32
22
6
19
FIT
1:1
100%

Артикул

Название

Примечание

Количество

1

A60270

VALVE

VALVE ASSY. - regulator (See Figure: 240) (Replaces A65670)

1шт.

2

218-5158

PLUG,Hex Hd, 1 1/16"-12 ORB

PLUG, , Assy, 3/4" tube, Includes: Ref. 3 Hex Hd, 1 1/16"-12 ORB

1шт.

3

218-5008

O-RING,0.116" Thk x 0.924" ID, -912, Cl 6, 90 Duro

"O" RING - 3/4 x 59/64" x 1/8"

1шт.

4

F62075

O-RING,0.139" Thk x 0.734" ID, -210, Cl 5, 75 Duro

"O" RING - 1 x 3/4 x 1/8"

1шт.

5

13-644

BOLT,Hex, 3/8" - 16 x 2-3/4", Gr 5

BOLT - 3/8 x 2-3/4" N.C. hex.

3шт.

6

92-6

LOCK WASHER,3/8"

LOCK WASHER, 3/8"

3шт.

7

REF

INSTRUCTION

HOUSING - P.T.O. & Hydraulic pump (Order from figur 208)

1шт.

8

A60289

TUBE

TUBE - regulator valve to P.T.O. housing (Replaces A61778)

1шт.

9

218-533

ELBOW,45 Degree, 9/16-18" 37 Degree x 1/4"-18, NPTF

ELBOW, (3/8" tube) 45º, 9/16-18" 37º x 1/4"-18, NPTF

1шт.

10

218-443

HYD CONNECTOR,9/16" - 18 Male JIC x 1/4" - 18 Male NPTF

CONNECTOR - 1/4" P.T., 3/8" tube

1шт.

15

A62051

PUMP

PUMP ASSY. - hydraulic (See Figure: 242)

1шт.

15

AR62051

REMAN-HYD PUMP

Remanufactured, HYDRAULIC PUMP

1шт.

15

AC62051

CORE-HYDRAULIC PUMP

Return Number

1шт.

16

A32096

GASKET

GASKET - pump

1шт.

17

13-620

BOLT,Hex, 3/8" - 16 x 1-1/4", Gr 5, Full Thd

BOLT, Hex, 3/8"-16 x 1 1/4", G5, Full Thd

6шт.

18

92-6

LOCK WASHER,3/8"

LOCK WASHER, 3/8"

6шт.

19

A64479

TUBE ASSY.

TUBE - regulator valve to pump (Replaces A62546)

1шт.

20

218-5064

HYD CONNECTOR,1-1/16" - 12 Male JIC x 1-1/16" - 12 Male ORB

HYD CONNECTOR, , Assy, 3/4" tube, Incl. Ref. 21 1 1/16"-12, 37º x 1 1/16"-12, O-Ring

2шт.

21

218-5008

O-RING,0.116" Thk x 0.924" ID, -912, Cl 6, 90 Duro

"O" RING - 3/4 x 59/64 x 1/8"

1шт.

22

A61465

VALVE

VALVE ASSY. - auxiliary (See Figures: 244 & 246)

1шт.

23

A64477

TUBE

TUBE - regulator valve to auxiliary valve (Replaces A61777)

1шт.

24

218-5064

HYD CONNECTOR,1-1/16" - 12 Male JIC x 1-1/16" - 12 Male ORB

HYD CONNECTOR, , Assy, 3/4" tube, Incl. Ref. 25 1 1/16"-12, 37º x 1 1/16"-12, O-Ring

2шт.

25

218-5008

O-RING,0.116" Thk x 0.924" ID, -912, Cl 6, 90 Duro

"O" RING - 3/4 x 59/64 x 1/8"

1шт.

30

A60862

CLAMP

CLAMP - tube

4шт.

31

13-518

BOLT,Hex, 5/16" - 18 x 1-1/8", Gr 5

BOLT, Hex, 5/16"-18 x 1 1/8", G5

4шт.

32

9635082

NUT,5/16" - 18, Gr 5

NUT - 5/16" N.C. hex.

4шт.

33

A61272

CLAMP

CLAMP - tube

2шт.

34

A60864

PLATE

PLATE - clamp mounting

2шт.

35

13-518

BOLT,Hex, 5/16" - 18 x 1-1/8", Gr 5

BOLT, Hex, 5/16"-18 x 1 1/8", G5

2шт.

36

9635082

NUT,5/16" - 18, Gr 5

NUT - 5/16" N.C. hex.

2шт.

Выбрано товаров: 30