Запчасти Case IH 1090 (018) - AIR CLEANER MOUNTING, (451B) DIESEL ENGINE (02) - ENGINE

Схема запчастей Case IH 1090 - (018) - AIR CLEANER MOUNTING, (451B) DIESEL ENGINE (02) - ENGINE
22
8
24
18
7
19
28
25
26
2
6
3
9
23
12
1
20
10
21
27
4
13
5
11
FIT
1:1
100%

Артикул

Название

Примечание

Количество

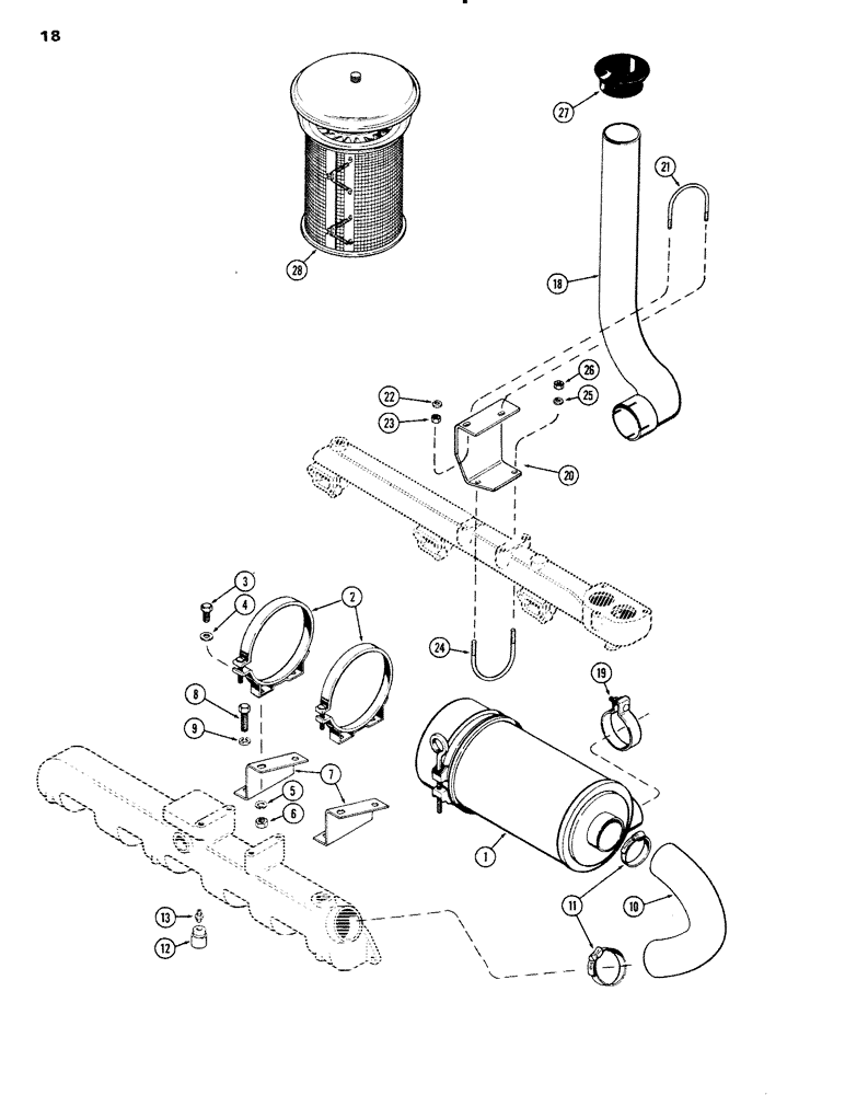
1

A61525

CLEANER ASSY. - air (See Fig. 20)

1шт.

2

70973

BRACKET

BAND - air cleaner mounting

2шт.

3

13-510

BOLT,Hex, 5/16" - 18 x 5/8", Gr 5, Full Thd

4шт.

4

195-20

WASHER

- 5/16 x 7/8 x 1/16"

4шт.

5

92-5

LOCK WASHER,5/16"

4шт.

6

9635082

NUT,5/16" - 18, Gr 5

- 5/16" N.C. hex

4шт.

7

A59209

BRACKET

- air cleaner mounting

2шт.

8

13-614

BOLT,Hex, 3/8" - 16 x 7/8", Gr 5, Full Thd

4шт.

9

92-6

LOCK WASHER,3/8"

4шт.

10

A61526

TUBE - air cleaner to intake manifold

1шт.

11

214-262

HOSE CLAMP,#44, 2.31" - 3.25", Type F Worm

CLAMP - hose, 2-5/16 to 3-1/4"

2шт.

12

A62574

INDICATOR

- air restriction (Replaces A59560)

1шт.

13

D36264

FITTING

FILTER - safety

1шт.

18

A61527

TUBE - air cleaner intake

1шт.

19

A62125

CLAMP

- air cleaner intake tube

1шт.

20

A62458

BRACKET - air cleaner tube support

1шт.

21

A59579

U-BOLT

BOLT - 1/4" N.C., "U"

1шт.

22

192-19

LOCK WASHER,Helical Spring, 0.256" ID, CST, ZND

WASHER, LOCK, 1/4"

2шт.

23

7770

NUT,Hex, 1/4 - 20, Cl 5

1/4"-20, G5

2шт.

24

A62459

BOLT - 5/16" N.C., "U"

1шт.

25

92-5

LOCK WASHER,5/16"

2шт.

26

9635082

NUT,5/16" - 18, Gr 5

- 5/16" N.C. hex.

2шт.

27

A59584

GROMMET

- air cleaner intake tube

1шт.

28

A61274

AIR PRE-CLEANER ASSY

PRE-CLEANER ASSY. - pre-screener (See Fig. 20)

1шт.

Выбрано товаров: 24