Запчасти Case IH 1090 (082) - ALTERNATOR (04) - ELECTRICAL SYSTEMS

Схема запчастей Case IH 1090 - (082) - ALTERNATOR (04) - ELECTRICAL SYSTEMS
38
40
41
4
43
32
27
10
17
18
11
49
41
15
48
39
46
59
5
30
31
23
55
44
3
9
12
1
56
45
14
42
57
7
36
37
26
2
34
29
8
28
25
46
16
19
40
33
58
24
42
FIT
1:1
100%

Артикул

Название

Примечание

Количество

A61062

SPARE PART ALTERNATOR ASSY. - (Eltra #ALH-5307-S) (Order 1-A42444 alternator, 1-A42267 pulley and 1-A42098 regulator)

1шт.

A42444

ALTERNATOR

ALTERNATOR ASSY. - (Eltra #ALH-5307-S) (less pulley and regulator), Includes Ref: 1 - 49

1шт.

87297244

REMAN-ALTERNATOR

Remanufactured Alternator

1шт.

87297245

CORE-ALTERNATOR

Return Number, Alternator

1шт.

A47625

ALTERNATOR

ALTERNATOR - 12 Volt 72 ampere

1шт.

103804A1GV

ALTERNATOR

Value, 12V, 72A

1шт.

103804A1R

REMAN-ALTERNATOR

Reman for New PN A47625

1шт.

103804A1C

CORE-ALTERNATOR

Return Number

1шт.

ZAP804A1R

REMAN-ALTERNATOR

Remanufactured 12 VOLT, 100 AMP Alternator (Higher Amp version of 72 amp 103804A1R)

1шт.

103804A1C

CORE-ALTERNATOR

Return Number

1шт.

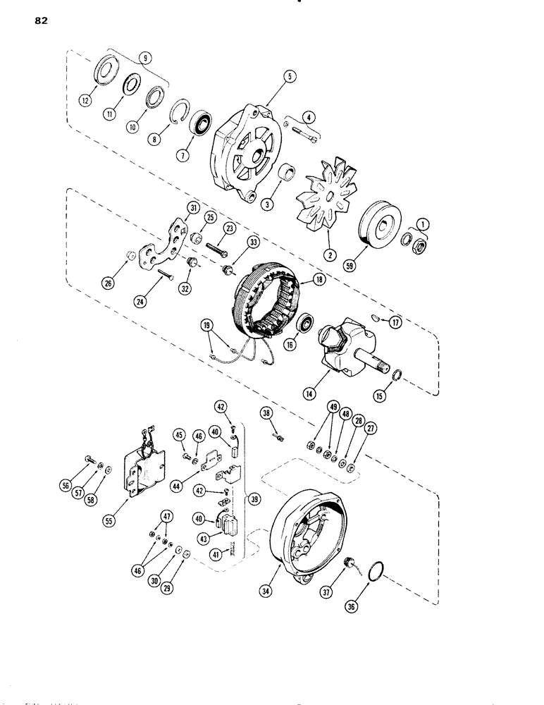
1

A40581

KIT

KIT - nut & washer, rotor shaft

1шт.

2

A41066

FAN

FAN - ventilating

1шт.

3

A41078

BUSHING

SPACER - rotor shaft

1шт.

4

A41094

BOLT

KIT - bolt, thru (Set of 4 w/washers)

1шт.

5

A44361

COVER

HEAD ASSY. - drive end (Replaces A42441), Includes Ref: 7 - 12

1шт.

7

A42263

BALL

BEARING - ball

1шт.

8

NSS

NOT SOLD SEPARAT

RING - snap, bearing retainer

1шт.

9

A42268

KIT

KIT - retainer, Includes Ref: 10 - 12

1шт.

10

NSS

NOT SOLD SEPARAT

RETAINER - seal

1шт.

11

NSS

NOT SOLD SEPARAT

SEAL - felt

1шт.

12

NSS

NOT SOLD SEPARAT

RETAINER - felt seal

1шт.

14

A42269

SPARE PART

ROTOR ASSY. - alternator

1шт.

15

A25626

RING

RING - snap, rotor

1шт.

16

A42270

BALL BEARING,0.3937" ID x 1.1811" OD x 0.3543"

BEARING - ball, rotor shaft (sealed)

1шт.

17

126-112

WOODRUFF KEY,#6, 5/32" x 5/8", HT

WOODRUFF KEY, , Pulley #6, 5/32" x 5/8", HT

1шт.

18

A42271

STATOR

STATOR ASSY. - alternator

1шт.

19

A41065

KIT

KIT - eyelet, wire end (Set of 6)

1шт.

A41080

KIT

KIT - stud, terminal, Includes Ref: 23 - 30

1шт.

23

NSS

NOT SOLD SEPARAT

STUD - battery terminal, Includes Ref: 24

1шт.

24

NSS

NOT SOLD SEPARAT

STUD - auxiliary terminal

1шт.

25

NSS

NOT SOLD SEPARAT

BUSHING - insulation, battery terminal

1шт.

26

NSS

NOT SOLD SEPARAT

BUSHING - insulation, auxiliary terminal

1шт.

27

NSS

NOT SOLD SEPARAT

WASHER - insulating, battery terminal

1шт.

28

NSS

NOT SOLD SEPARAT

WASHER - plain, battery terminal

1шт.

29

NSS

NOT SOLD SEPARAT

WASHER - insulating, auxiliary terminal

1шт.

30

NSS

NOT SOLD SEPARAT

WASHER - plain, auxiliary terminal

1шт.

31

A42265

PLATE

HEAT SINK - diode, Includes Ref: 32 and 33

1шт.

32

NSS

NOT SOLD SEPARAT

DIODE - positive (Order A42265)

3шт.

33

NSS

NOT SOLD SEPARAT

DIODE - output (Order A42265)

2шт.

34

A42442

COVER

HEAD ASSY. - slip ring end, Includes Ref: 36 - 38

1шт.

36

A41072

O-RING,0.07" Thk x 1.176" ID, -25, Cl 5, 75 Duro

"O" RING - sealing

1шт.

37

A44180

KIT

DIODE KIT - negative (Set of 3)

1шт.

38

A42266

KIT

KIT - plugs (Set of 10)

1шт.

39

A43952

HOLDER

HOLDER ASSY. - brush (Replaces A42495), Includes Ref: 40 - 43

1шт.

40

A41063

BRUSH, COMMUTATOR

BRUSH KIT - brush, armature (Set of 2)

1шт.

41

A41064

VALVE SPRING

SPRING KIT - brush (Set of 2)

1шт.

42

NSS

NOT SOLD SEPARAT

SCREW - mach. brush retainer

2шт.

43

NSS

NOT SOLD SEPARAT

CLIP - brush holder

1шт.

44

A41073

COVER

INSULATION - cover, brush holder

1шт.

45

187-1012

SELF-TAP SCREW,Slotted Pan Hd, #10 x 3/8"

SCREW - mach. #10-24 x 3/8"

2шт.

46

92-3

LOCK WASHER,#10

WASHER, LOCK, #10

8шт.

47

129-667

NUT,#10-32, LH

NUT - #10 N.F. hex., jam

2шт.

48

92-4

LOCK WASHER,1/4"

WASHER, LOCK, 1/4"

2шт.

49

131-902

NUT,1/4"-28

NUT - hex 1/4"-28

2шт.

55

A44181

REGULATOR

REGULATOR ASSY. - voltage (Replaces A42098)

1шт.

56

NSS

NOT SOLD SEPARAT

SCREW - mach., regulator mounting

2шт.

57

NSS

NOT SOLD SEPARAT

WASHER - lock

2шт.

58

NSS

NOT SOLD SEPARAT

WASHER - plain

2шт.

59

A42267

DRIVE

PULLEY - drive, alternator

1шт.

Выбрано товаров: 59