Запчасти Case IH 1090 (138) - CLUTCH, MECHANICAL SHIFT (06) - POWER TRAIN

Схема запчастей Case IH 1090 - (138) - CLUTCH, MECHANICAL SHIFT (06) - POWER TRAIN
7
5
10
2
1
20
22
10
9
8
17
11
9
12
7
4
19
6
11
21
12
8
18
3
FIT
1:1
100%

Артикул

Название

Примечание

Количество

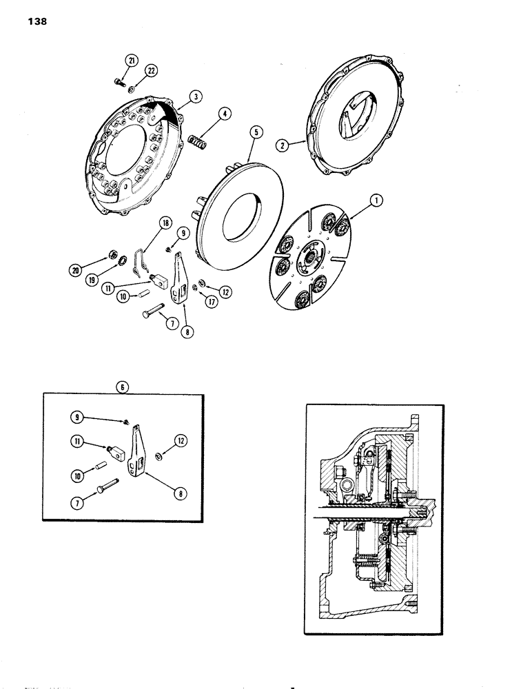
1

A57425

CLUTCH DISC

CLUTCH DISK PLATE ASSY. - clutch driving, w/facing

1шт.

1

AR57425

REMAN-CLUTCH DISC

Remanufactured, Clutch Disc - 15 in., 16Tooth hub, 6 button assembly,

1шт.

1

AC57425

CORE-CLUTCH DISC

Return Part Number

1шт.

2

A34459

COVER ASSY

COVER ASSY. - clutch, Includes Ref: 3 - 20

1шт.

2

AR34459

REMAN-CLUTCH PLATE

Remanufactured, Clutch Plate, 15 in,

1шт.

2

AC34459

CORE-CLUTCH PLATE

Return Part Number

1шт.

3

NSS

NOT SOLD SEPARAT

PLATE - back (Order A34459)

1шт.

4

NSS

NOT SOLD SEPARAT

SPRING - clutch pressure (Order ref. 23)

12шт.

5

A25113

PLATE

PLATE - pressure

1шт.

6

A40809

KIT

LEVER KIT - clutch release, Includes Ref: 7 - 9

1шт.

7

A40811

SPARE PART PIN - clevis, torsion spring

3шт.

8

NSS

NOT SOLD SEPARAT

LEVER ASSY. - clutch release (Order A40809), Includes Ref: 9

3шт.

9

A25117

ADJUSTMENT SCREW,3/8" - 24 x 17/32"

SCREW - lever adjusting

1шт.

10

A25118

AXLE PIN

PIN - lever pivot block

3шт.

11

A25119

BLOCK

BLOCK - lever pivot

3шт.

12

A40810

RING, SNAP

RING SNAP RING - retainer

3шт.

17

A25121

WASHER

WASHER - clevis pin

3шт.

18

A25120

SPRING

SPRING - torsion (anti-rattle)

3шт.

19

193-14

LOCK WASHER,Ext Tooth, 5/8"

WASHER, LOCK, Ext Tooth, 5/8"

3шт.

20

86637932

JAM NUT,Jam, 5/8"-18, G5

NUT - 5/8" N.F. hex., jam

3шт.

21

13-616

BOLT,Hex, 3/8" - 16 x 1", Gr 5, Full Thd

BOLT, Hex, 3/8"-16 x 1", G5, Full Thd

12шт.

22

92-6

LOCK WASHER,3/8"

LOCK WASHER, 3/8"

12шт.

23

A42470

CLUTCH

SPRING - clutch pressure (Set of 12)

1шт.

Выбрано товаров: 23