Запчасти Case IH 1090 (158) - SLIDING GEAR SHAFT, POWER SHIFT (06) - POWER TRAIN

Схема запчастей Case IH 1090 - (158) - SLIDING GEAR SHAFT, POWER SHIFT (06) - POWER TRAIN
20
15
9
6
14
15
11
8
16
16
13
10
12
4
19
5
10
9
18
17
2
8
1
17
3
FIT
1:1
100%

Артикул

Название

Примечание

Количество

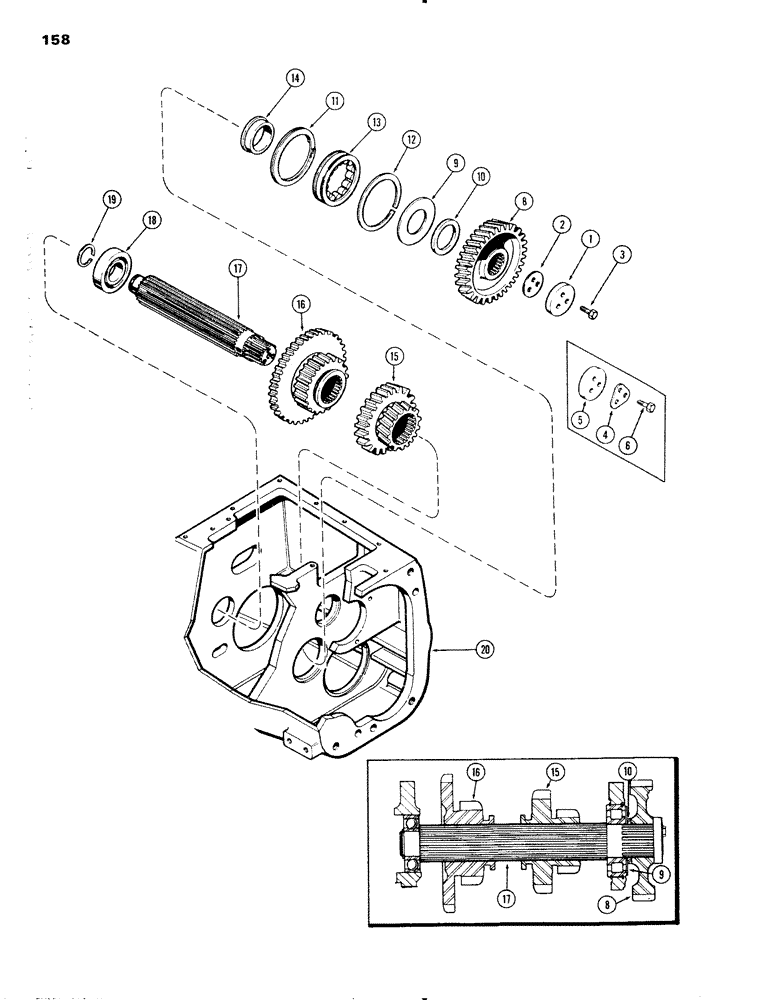
1

A62601

PLATE

- end, shaft (1st used trans. SN2366001)

1шт.

2

A62727

SHIM,.005" Thk

Plate (1st used trans. SN2366001) .005" Thk

1шт.

2

A62726

SHIM,.007" Thk

Plate (1st used trans. SN2366001) .007" Thk

1шт.

3

113-2224

SCREW

BOLT - 3/8 x 1-1/8" N.C. hex., jay-lock

3шт.

4

A58034

RETAINER

- shaft (Used prior to trans. SN2366001) (Order ref. 1, 2 & 3)

1шт.

5

A58033

PLATE

- end, shaft (Used prior to trans. SN2366001) (Order Ref. 1, 2 & 3)

1шт.

6

113-230

X

BOLT - 3/8 x 1-1/8" N.C. hex. (Gr. 8)

3шт.

8

A58032

GEAR

- input

1шт.

9

A64763

GUARD

SHIELD - oil, bearing (Replaces A60562)

1шт.

10

A61119

PLATE

- bearing, inner race

1шт.

11

A62593

RING

- snap, bearing race

1шт.

12

A32005

RING

- snap, bearing race

1шт.

13

A58028

BEARING ASSY,45mm ID x 100mm OD x 31mm W

BEARING - front roller, outer race

1шт.

14

A58027

BEARING CONE,1.7717" ID x 1.04"

BEARING - front roller, inner race

1шт.

15

A58026

GEAR

- cluster, 1st & 3rd

1шт.

16

A62178

GEAR

- cluster, 2nd & 4th

1шт.

17

A58024

SHAFT

- sliding gear

1шт.

18

A60561

BALL BEARING,34.99mm ID x 80mm OD x 21mm W

BEARING - ball, rear

1шт.

19

A21619

CIRCLIP

RING - snap, sliding gear shaft

1шт.

20

A61181

HOUSING - transmission

1шт.

Выбрано товаров: 20