Запчасти Case IH 1090 (160) - SLIDING GEAR SHAFT, MECHANICAL SHIFT (06) - POWER TRAIN

Схема запчастей Case IH 1090 - (160) - SLIDING GEAR SHAFT, MECHANICAL SHIFT (06) - POWER TRAIN
14
19
25
21
13
18
10
18
8
9
17
10
13
6
16
24
11
5
12
15
4
2
20
8
20
19
23
3
14
7
23
1
12
6
22
FIT
1:1
100%

Артикул

Название

Примечание

Количество

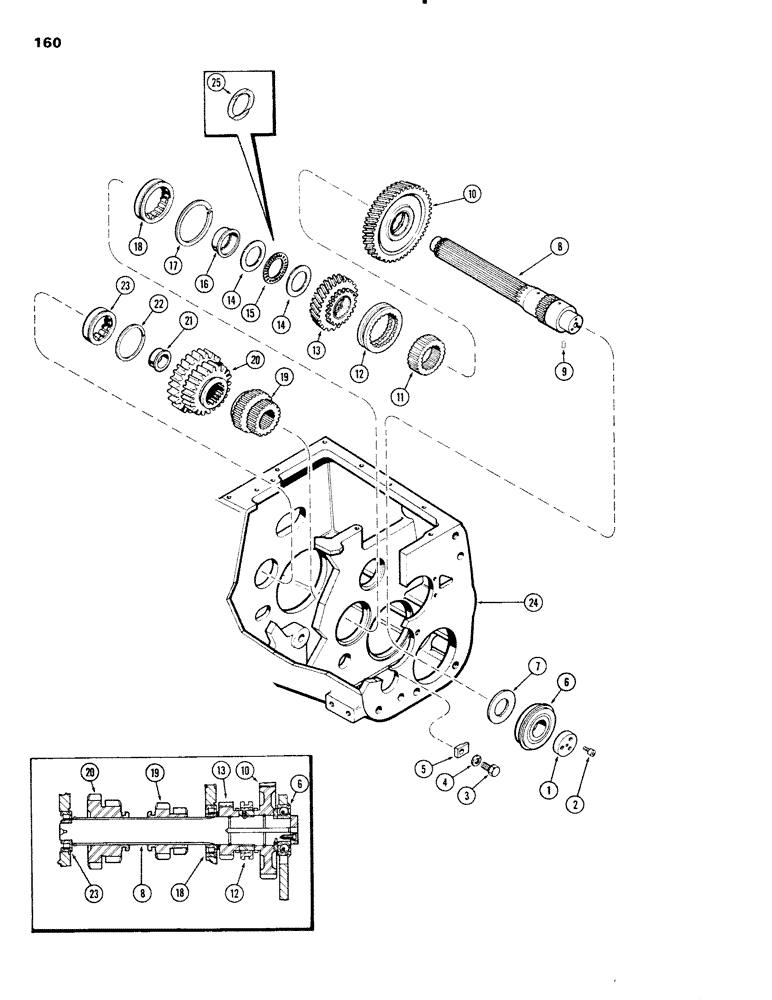
1

A32019

PLATE

- lock, front bearing

1шт.

2

165-118

HEX SOC SCREW,Prev Torque, 5/16" - 18 x 3/4"

BOLT - 5/16 x 3/4" N.C. hex. sckt. hd.

3шт.

3

13-820

BOLT,Hex, 1/2" - 13 x 1-1/4", Gr 5, Full Thd

2шт.

4

193-32

LOCK WASHER,Int Tooth, 1/2"

WASHER, LOCK, Int Tooth, 1/2"

2шт.

5

A32788

CLAMP

- retaining, bearing plate

2шт.

6

A32018

BALL BEARING,44.99mm ID x 100mm OD x 25mm W

BEARING - ball, front

1шт.

7

A60040

WASHER

- thrust, low range gear

1шт.

8

A34905

SHAFT

- sliding gear

1шт.

9

138-215

LOCK PIN,3/16" x 3/8", Slotted

Pin, 3/16" x 3/8", Slotted

1шт.

10

A61314

GEAR

ASSY. - driven, low range (w/bushing)

1шт.

11

A32024

COLLAR

- range clutch

1шт.

12

A62977

SLEEVE

- range clutch (Replaces A32025)

1шт.

13

A61317

GEAR

ASSY. - driven, high range (w/bushing)

1шт.

14

A32784

WASHER

RACE - thrust, bearing (1st used trans. SN2362754)

2шт.

15

A32785

THRUST BEARING,2.125" ID x 2.875" OD x 0.0781"

BEARING - thrust (1st used trans. SN2362754)

1шт.

16

A34772

BEARING, CONE,32T

RACE - center roller bearing, inner

1шт.

17

A32005

RING

- snap, bearing retaining

1шт.

18

A32004

BEARING ASSY,55mm ID x 100mm OD x 21mm W

BEARING - roller, center

1шт.

19

A33564

GEAR

- cluster, 1st - 2nd & 5th - 6th

1шт.

20

A58417

GEAR

- cluster, 3rd - 4th & 7th - 8th

1шт.

21

A33043

ROLLER BEARING,34.99mm ID x 20.87mm W

RACE - rear roller bearing, inner

1шт.

22

A33041

RING, SNAP

RING - snap, bearing

1шт.

23

A33042

BEARING ASSY

BEARING - roller, rear

1шт.

24

A58972

HOUSING - transmission

1шт.

25

A57970

WASHER

- thrust (Used prior to trans. SN2362754) (Order ref. 14 & 15)

1шт.

Выбрано товаров: 25