Запчасти Case IH 1090 (162) - RANGE SHAFT AND GEARS, MECHANICAL SHIFT (06) - POWER TRAIN

Схема запчастей Case IH 1090 - (162) - RANGE SHAFT AND GEARS, MECHANICAL SHIFT (06) - POWER TRAIN
8
19
17
21
1
7
6
2
16
4
20
10
18
10
18
21
11
9
17
3
1
5
FIT
1:1
100%

Артикул

Название

Примечание

Количество

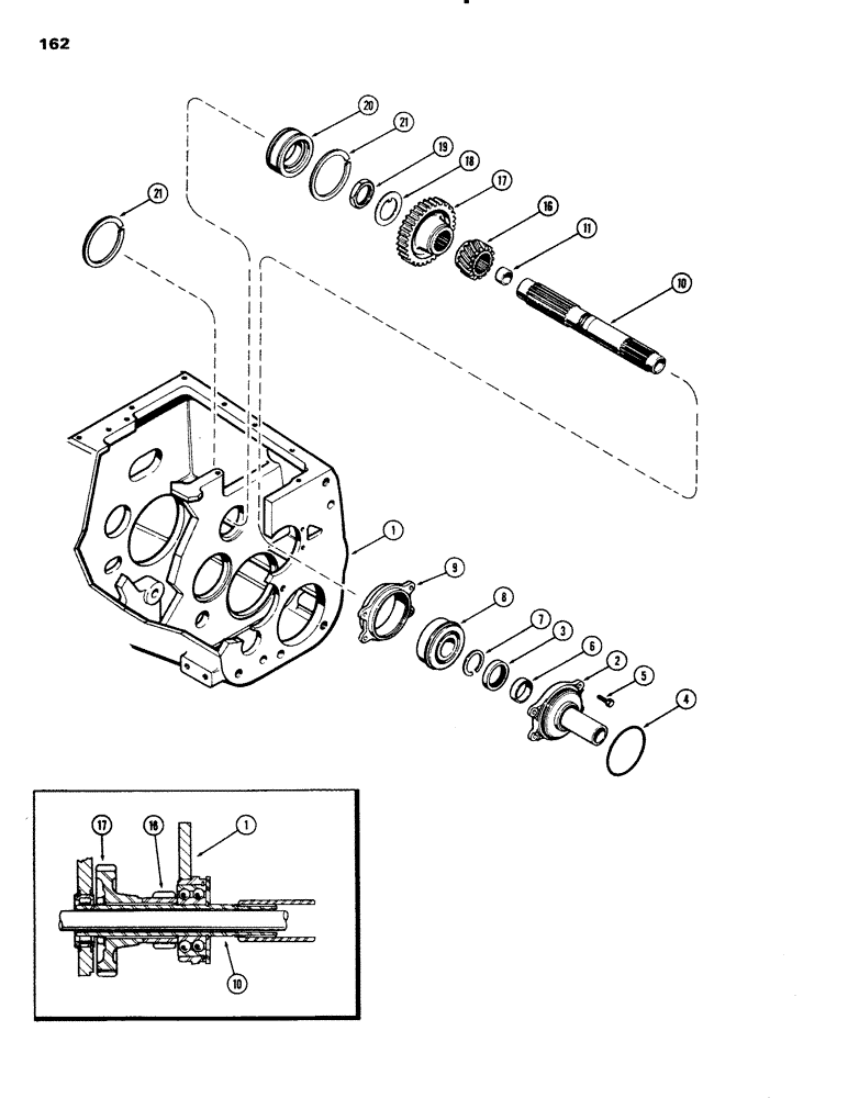
1

A58972

HOUSING - transmission

1шт.

2

A57698

CARRIER

ASSY. - range drive shaft bearing, Includes: Ref. 3

1шт.

3

A60076

OIL SEAL

- oil

1шт.

4

A23315

O-RING,0.139" Thk x 4.234" ID, -244, Cl 5, 75 Duro

"O" RING - 4-1/4 x 4-1/2 x 1/8"

1шт.

5

13-624

BOLT,Hex, 3/8" - 16 x 1-1/2", Gr 5

- 3/8 x 1-1/2" N.C. hex.

4шт.

6

A57697

SLEEVE

- wear, range drive shaft oil seal

1шт.

7

A27085

RING

- snap, range drive shaft bearing

1шт.

8

39320

BALL BEARING,45mm ID x 106.38mm OD x 39.69mm W

- ball, range drive shaft, front

1шт.

9

A32791

CARRIER

- bearing, range drive shaft, front

1шт.

10

A61603

SHAFT

ASSY. - range drive (Replaces A60026), Includes: Ref. 11

1шт.

11

A28235

BUSHING

- 1-1/8 x 1-1/4 x 3/4"

1шт.

16

A34349

GEAR

- drive, low-range (18 teeth)

1шт.

17

A34350

GEAR

- drive, high-range (38 teeth)

1шт.

18

A32035

LOCK WASHER

- seat, high-range shaft

1шт.

19

A32034

NUT

- lock, high-range shaft

1шт.

20

A32751

BEARING ASSY,43.96mm ID x 72mm OD x 26.99mm W

BEARING - roller, range drive shaft, rear

1шт.

21

A28153

RING

- snap, range drive shaft retaining, rear

2шт.

Выбрано товаров: 17