Запчасти Case IH 1170 (158) - A61465 VALVE (08) - HYDRAULICS

Схема запчастей Case IH 1170 - (158) - A61465 VALVE (08) - HYDRAULICS
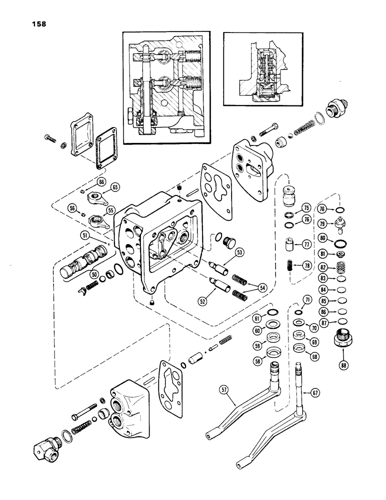
61
65
82
50
85
66
88
70
71
69
79
60
57
59
51
54
81
75
76
67
77
55
84
68
53
58
78
80
83
76
52
86
56
87
FIT
1:1
100%

Артикул

Название

Примечание

Количество

A61465

VALVE

ASSY. - auxiliary (Continued from Figure 156)

1шт.

50

A57538

SPOOL

ASSY. - valve, Includes: Ref. 51

2шт.

51

211-5

BALL,3/16" Dia

- . 3/16" Dia

1шт.

52

A57554

PLUNGER

- valve spool, inner

1шт.

53

A57555

PLUNGER

- valve spool, outer

1шт.

54

A30883

SPRING

- plunger

2шт.

55

A57546

ARM

ASSY. - spool shift lever, inner, Includes: Ref. 56

1шт.

56

178-875

SET SCREW,Hex Soc, 1/4"-20 x 1/4"

SCREW - 1/4 x 1/4" N.C. hex. sckt. hdless., cut pt.set

1шт.

57

A60391

SHAFT

- shift lever, inner

1шт.

58

A30880

RETAINER

- felt washer, shaft

1шт.

59

A30879

WASHER

- felt, inner shaft

1шт.

60

A30881

SEALING WASHER,19.45mm ID x 31.35mm OD

WASHER - seal, shaft

1шт.

61

A64837

O-RING,0.103" Thk x 0.75" ID, -116, Cl 5, 75 Duro

"O" RING - 3/32 x 3/4 x 15/16"

1шт.

65

A57547

ARM

ASSY. - valve spool shift lever, outer, Includes: Ref. 66

1шт.

66

178-875

SET SCREW,Hex Soc, 1/4"-20 x 1/4"

SCREW - 1/4 x 1/4" N.C. hex. sckt. hdless., cut pt. set

1шт.

67

A60393

SHAFT

- shift lever, outer

1шт.

68

A30875

RETAINER

- felt washer, shaft

1шт.

69

A30853

WASHER

- felt, outer shaft

1шт.

70

A27409

WASHER

- seal, shaft

1шт.

71

A64836

O-RING,0.487" ID x 0.693" OD

"O" RING - 3/32 x 1/2 x 11/16"

1шт.

75

A34493

RING,16.33mm ID x 19.02mm OD x 1.25mm Thk

- pilot relief valve

1шт.

76

A17526

O-RING,0.614" ID x 0.754" OD x 0.7"

"O" RING - 5/8 x 3/4 x 1/16"

2шт.

77

A57553

PISTON

- pilot relief valve

1шт.

78

A34382

SPRING

- pilot relief valve

1шт.

79

A57556

PISTON

ASSY. - pilot relief valve

1шт.

80

218-5008

O-RING,0.116" Thk x 0.924" ID, -912, Cl 6, 90 Duro

"O" RING - 3/4 x 59/64 x 1/8"

1шт.

81

A57558

RETAINER

- valve spring

1шт.

82

A61466

SPRING

- valve

1шт.

83

A61467

SHIM,.005" Thk

Pilot relief spring .005" Thk

1шт.

Refer to tag attached to valve for shim data

1шт.

85

A34849

SHIM,.0105" Thk

Pilot relief spring .0105" Thk

1шт.

Refer to tag attached to valve for shim data

1шт.

85

A34390

SHIM,.0329" Thk

Pilot relief spring .0329" Thk

1шт.

Refer to tag attached to valve for shim data

1шт.

85

A34391

SHIM,.0149" Thk

Pilot relief spring .0149" Thk

1шт.

Refer to tag attached to valve for shim data

1шт.

86

A34817

SHIM,.0149" Thk

Pilot relief spring (Blue) .0149" Thk

1шт.

Refer to tag attached to valve for shim data

1шт.

87

A34694

SHIM,.0201" Thk

Pilot relief spring .0201" Thk

1шт.

Refer to tag attached to valve for shim data

1шт.

88

A34392

PLUG

- pilot relief valve

1шт.

A43086

SEAL

KIT - seal (Incl. Refs. 6, 8, 17, 24, 27, 37, 41, 49 & A27365 in Figure 156 and Refs. 58 thru 61, 68 thru 76 & 80)

1шт.

A42888

KIT

- seal (Incl. Refs. 75, 76, & 80)

1шт.

Выбрано товаров: 43