Запчасти Case IH 1170 (178) - HYDRAULIC CYLINDER ATTACHING PARTS (09) - CHASSIS/ATTACHMENTS

Схема запчастей Case IH 1170 - (178) - HYDRAULIC CYLINDER ATTACHING PARTS (09) - CHASSIS/ATTACHMENTS
2
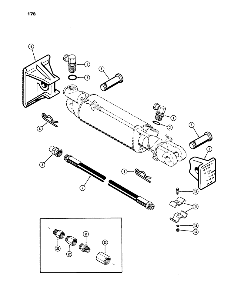
1
14
3
20
6
5
8
5
2
6
7
23
11
22
4
13
21
1
12
FIT
1:1
100%

Артикул

Название

Примечание

Количество

1

218-5201

90 ELBOW,90 Degree, 7/8"-14 O-Ring x 1/2" NPSM Fem

ASSY. - 90deg. adapter, Includes: Ref. 2

2шт.

2

237-6010

O-RING,0.097" Thk x 0.755" ID, -910, Cl 6, 90 Duro

"O" RING - 3/4 x 15/16 x 3/32"

1шт.

3

A9163

PAD - hydraulic cylinder

1шт.

4

A57188

BASE

- hydraulic cylinder

1шт.

5

A27347

PIN

- cylinder retaining

2шт.

6

A29054

HAIR PIN COTTER

- internal hair

2шт.

7

A8204

HOSE - hydraulic, 60 " long

1шт.

7

A8205

HOSE - hydraulic, 96" long

1шт.

7

A20816

HOSE

- hydraulic, 106" long

1шт.

7

A20817

HOSE

- hydraulic, 118" long

1шт.

8

A28541

COUPLING, BREAK AWAY

COUPLING ASSY. - break-away (See Figure 172)

1шт.

11

A27440

CLAMP

- hose

2шт.

12

13-512

BOLT,Hex, 5/16" - 18 x 3/4", Gr 5

1шт.

13

92-5

LOCK WASHER,5/16"

1шт.

14

9635082

NUT,5/16" - 18, Gr 5

- 5/16" N.C. hex.

1шт.

20

A11161

ADAPTER,7/8" - 18 NPT x 1/2" NPT

- 7/8"-18 female to 1/2" P.T. male, hydraulic fitting

1шт.

21

A27359

ADAPTER

- 7/8"-18 male to 1/2" P.T. male, hydraulic fitting

1шт.

22

A27744

ADAPTER,7/8" - 18 x 1/2" NPT

- 7/8"-18 male to 1/2" P.T. female, hydraulic fitting

1шт.

23

A34928

ADAPTER,1/2" NPT Fem x 7/8"-18 Fem

- 7/8"-18 female to 1/2" P.T. female, hydraulic fitting

1шт.

A65954 Kit, Cylinder Return Flow regulator for cylinder

1шт.

Выбрано товаров: 20