Запчасти Case IH 1175 (114) - SLIDING GEAR SHAFT (06) - POWER TRAIN

Схема запчастей Case IH 1175 - (114) - SLIDING GEAR SHAFT (06) - POWER TRAIN
19
8
1
14
9
12
24
24
23
11
21
22
13
6
25
3
10
21
4
7
12
20
2
10
15
14
18
6
20
13
8
19
17
5
FIT
1:1
100%

Артикул

Название

Примечание

Количество

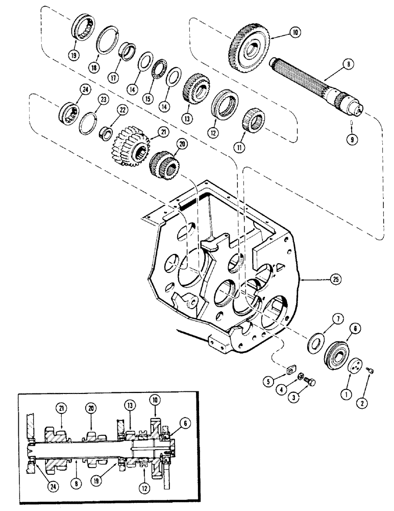
1

A32019

PLATE

- lock, front bearing

1шт.

2

165-118

HEX SOC SCREW,Prev Torque, 5/16" - 18 x 3/4"

BOLT - 5/16 x 3/4" N.C. socket hd.

3шт.

3

13-820

BOLT,Hex, 1/2" - 13 x 1-1/4", Gr 5, Full Thd

2шт.

4

193-32

LOCK WASHER,Int Tooth, 1/2"

WASHER, LOCK, Int Tooth, 1/2"

2шт.

5

A32788

CLAMP

- retaining, bearing plate

2шт.

6

A32018

BALL BEARING,44.99mm ID x 100mm OD x 25mm W

BEARING - ball, front

1шт.

7

A60040

WASHER

- thrust, low range gear

1шт.

8

A34905

SHAFT

- sliding gear

1шт.

9

138-215

LOCK PIN,3/16" x 3/8", Slotted

Pin, 3/16" x 3/8", Slotted

1шт.

10

A61595

GEAR - driven, low range (20T and 44T)

1шт.

11

A32024

COLLAR

- range clutch (20T int. and ext.)

1шт.

12

A62977

SLEEVE

- range clutch (27T int.)

1шт.

13

A61600

GEAR

- driven, high range (20T and 29T)

1шт.

14

A32784

WASHER

RACE - thrust bearing

2шт.

15

A32785

THRUST BEARING,2.125" ID x 2.875" OD x 0.0781"

BEARING - thrust

1шт.

17

A34772

BEARING, CONE,32T

RACE - roller bearing, center

1шт.

18

A32005

RING

- snap, center bearing

1шт.

19

A32004

BEARING ASSY,55mm ID x 100mm OD x 21mm W

BEARING - roller, center

1шт.

20

A33564

GEAR

- cluster, 1st-2nd and 5th-6th (15T and 19T)

1шт.

21

A58417

GEAR

- cluster, 3rd-4th and 7th-8th (23T and 26T)

1шт.

22

A33043

ROLLER BEARING,34.99mm ID x 20.87mm W

RACE - inner, rear roller bearing

1шт.

23

A33041

RING, SNAP

RING - snap, rear bearing

1шт.

24

A33042

BEARING ASSY

BEARING - roller, rear

1шт.

25

A58971

HOUSING - transmission

1шт.

Выбрано товаров: 24