Запчасти Case IH 1175 (127A) - REAR AXLE, HOUSING AND PLANETARY, USED PRIOR TO TRACTOR SERIAL NUMBER 8715247 (06) - POWER TRAIN

Схема запчастей Case IH 1175 - (127A) - REAR AXLE, HOUSING AND PLANETARY, USED PRIOR TO TRACTOR SERIAL NUMBER 8715247 (06) - POWER TRAIN
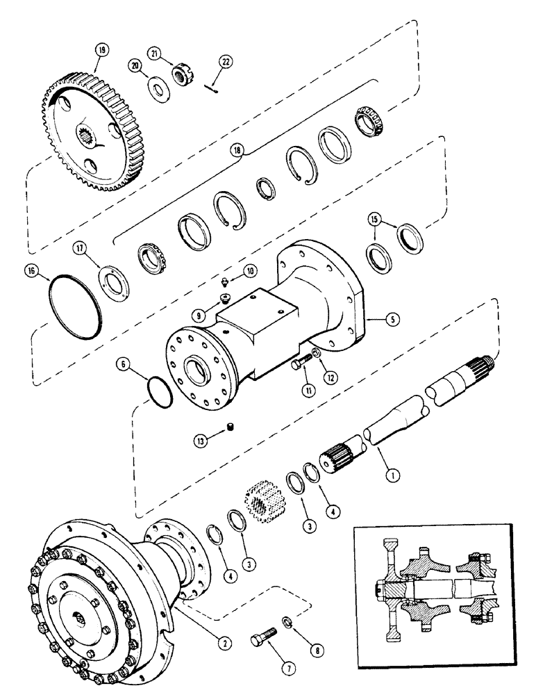
5
4
11
8
6
16
19
15
18
10
9
21
13
3
20
4
3
1
2
12
17
22
7
FIT
1:1
100%

Артикул

Название

Примечание

Количество

1

A61609

SHAFT - rear axle

2шт.

2

A61612

PLANETARY ASSY. - wheel drive (See Figure 129A)

2шт.

3

A62080

SPACER - sun gear (.0279")

1шт.

3

A62081

SPACER - sun gear (.0478")

1шт.

3

A62082

SPACER - sun gear (.1196")

1шт.

4

A32300

SNAP RING,#225, 2.174", Ext

RING - snap, sun gear

4шт.

5

A61607

HOUSING

- rear axle (Order A65177 from Figure 126, and 26-1244 and 129-572 from Figure 128)

2шт.

6

A27348

O-RING,3.734" ID x 4.012" OD x 0.139"

"O" RING - planetary to housing, 3-3/4 x 4 x 1/8"

2шт.

7

113-722

X

BOLT - 3/4 x 2-1/2" N.C. hex.

24шт.

8

192-27

LOCK WASHER,3/4"

WASHER, LOCK, 3/4"

24шт.

9

A61613

ADAPTER - vent

2шт.

10

A12928

BREATHER

- oil

2шт.

11

26-1056

BOLT,Hex, 5/8" - 11 x 3-1/2", Gr 8

- 5/8 x 3-1/2" N.C. hex.

16шт.

12

A65165

WASHER - 21/32 x 1-1/8 x 1/4"

16шт.

13

221-849

PLUG,Hex Soc, 1/8"-27

- oil drain, 1/8" P.T. socket

2шт.

15

A20939

OIL SEAL

SEAL - oil, axle shaft

4шт.

16

A61597

O-RING,0.139" Thk x 8.73" ID, -269, Cl 5, 75 Duro

"O" RING - housing to trans. 8-3/4 x 9 x 1/8"

2шт.

17

A61608

GUIDE

- housing

2шт.

18

A61610

BEARING ASSY. - housing

2шт.

19

A61611

GEAR - final drive

2шт.

20

A38258

WASHER

- 1-25/32 x 3-1/4 x 1/4"

2шт.

21

A38259

NUT - slotted, 1-3/4" N.F. hex.

2шт.

22

132-187

COTTER PIN,5/16" x 3"

Pin, Split (Cotter), 5/16" x 3"

2шт.

Выбрано товаров: 23