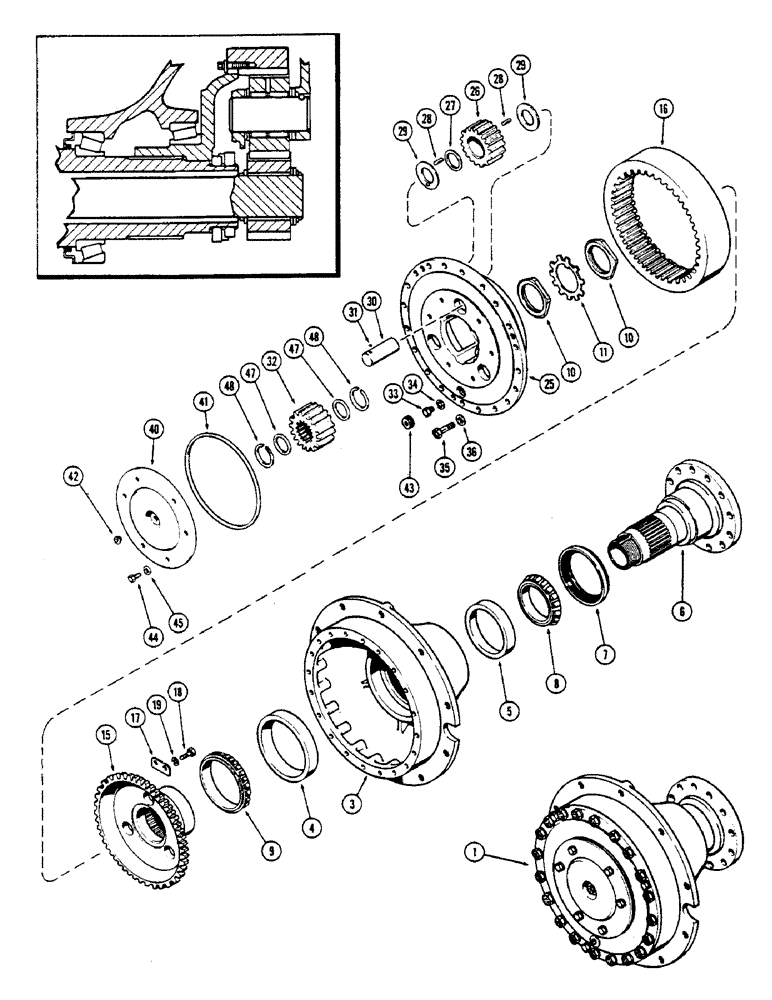
Запчасти Case IH 1175 (129A) - PLANETARY ASSEMBLY, USED PRIOR TO TRACTOR SERIAL NUMBER 8715247 (06) - POWER TRAIN

Схема запчастей Case IH 1175 - (129A) - PLANETARY ASSEMBLY, USED PRIOR TO TRACTOR SERIAL NUMBER 8715247 (06) - POWER TRAIN
26
11
47
29
32
31
27
16
48
7
9
10
1
3
34
17
6
30
42
15
10
28
41
48
29
36
44
47
33
43
19
40
28
4
25
18
5
35
8
45
FIT
1:1
100%

Артикул

Название

Примечание

Количество

1

A61612

PLANETARY ASSY. - rear wheel drive, Includes: Ref. 3 - 45

2шт.

3

A43236

HUB ASSY. - wheel, Includes: Ref. 5 and 6

1шт.

4

A43238

CUP

- bearing, outer

1шт.

5

A43239

CUP

- bearing, inner

1шт.

6

A43241

SPINDLE - end

1шт.

7

A43243

OIL SEAL

SEAL - oil, hub

1шт.

8

F13248

CUP ASSY.

CONE - bearing, inner

1шт.

9

A43244

ROLLER BEARING,5.375" ID x 1.5625"

CONE - bearing, outer

1шт.

10

A43245

NUT - lock, spindle

1шт.

11

A43246

LOCK

- spindle nut

1шт.

15

A43232

HUB - internal gear

1шт.

16

A43234

GEAR

- internal tooth, hub

1шт.

17

A43364

RETAINER

PLATE - retainer, gear

6шт.

18

A43235

BOLT - gear retainer

12шт.

19

192-23

LOCK WASHER,1/2"

WASHER, LOCK, 1/2"

12шт.

25

A43225

CARRIER - planetary

1шт.

26

A43226

PINION

- planetary

3шт.

27

A43227

SPACER

- pinion roller

3шт.

28

NSS

NOT SOLD SEPARAT

ROLLER - pinion (Order A43362)

150шт.

A43362

KIT - pinion roller (Set of 50)

3шт.

29

A43229

RETAINER

WASHER - thrust, pinion

6шт.

30

A43230

SHAFT

- pinion

3шт.

31

211-11

BALL,3/8" Dia

- steel, . 3/8" Dia

3шт.

32

A43242

GEAR

- sun (16T)

1шт.

33

113-506

BOLT - 9/16 x 1/2" N.C. hex. Hex, 9/16"-12 x 1/2", G5, Full Thd

3шт.

34

192-64

WASHER - lock, 9/16"

3шт.

35

A43247

SCREW - carrier to hub, 1/2 x 2" N.C. hex.

20шт.

36

A43248

WASHER

- carrier screw, 37/64 x 1 x 3/32"

20шт.

40

A43240

BLOCK DRIVER

COVER - planetary end

1шт.

41

A43249

SEALING RING

RING - seal, cover

1шт.

42

A43250

BREATHER

- oil (1/8" P.T.)

1шт.

43

221-1025

PLUG

- pipe, 3/4" sq. socket

1шт.

44

13-716

BOLT,Hex, 7/16" - 14 x 1", Gr 5

Cover Hex, 7/16"-14 x 1", G5, Full Thd

6шт.

45

A30013

WASHER,11.51mm ID x 19.05mm OD x 1.59mm Thk

- cover bolt, 29/64 x 3/4 x 1/16"

6шт.

47

A62080

SPACER - sun gear (.0279")

1шт.

47

A62081

SPACER - sun gear (.0478")

1шт.

47

A62082

SPACER - sun gear (.1196")

1шт.

48

A32300

SNAP RING,#225, 2.174", Ext

RING - snap, sun gear

4шт.

Выбрано товаров: 38