Запчасти Case IH 1175 (144) - P.T.O. HOUSING (06) - POWER TRAIN

Схема запчастей Case IH 1175 - (144) - P.T.O. HOUSING (06) - POWER TRAIN
28
23
12
2
6
14
31
19
25
4
13
26
16
5
18
11
3
30
17
15
7
22
24
8
1
27
10
FIT
1:1
100%

Артикул

Название

Примечание

Количество

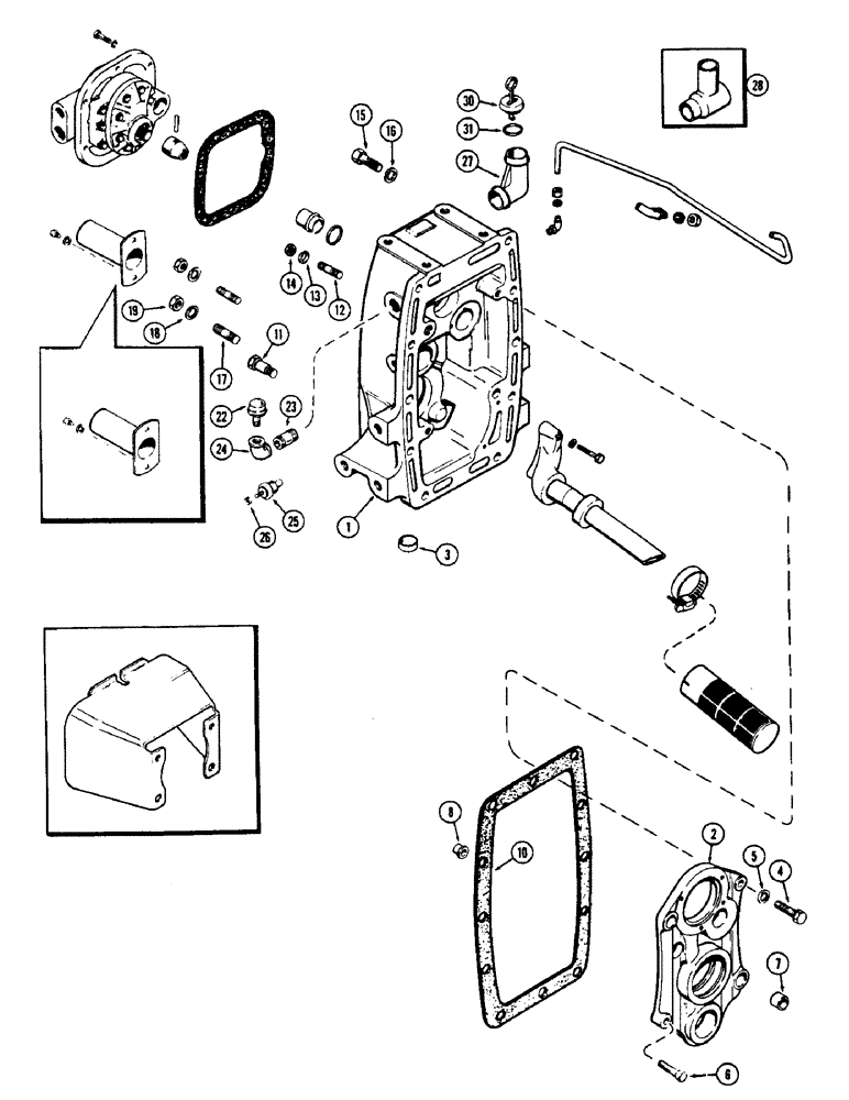
A65825

HOUSING

ASSY. - P.T.O. and hyd. pump (Replaces A62190), Includes: Ref. 1 - 8

1шт.

1

NSS

NOT SOLD SEPARAT

HOUSING - P.T.O. and hyd. pump (Order A65825)

1шт.

2

NSS

NOT SOLD SEPARAT

HOUSING - P.T.O. bearing carrier (Order A65825)

1шт.

3

41-1020

PLUG,Cup, 1 1/4"

- cup, 1-17/64" dia.

1шт.

4

13-828

BOLT,Hex, 1/2" - 13 x 1-3/4", Gr 5

- 1/2 x 1-3/4" N.C. hex.

2шт.

5

92-8

LOCK WASHER,1/2"

2шт.

6

13-832

BOLT,Hex, 1/2" - 13 x 2", Gr 5

2шт.

7

A50011

SLEEVE

- dowel, bearing carrier

2шт.

8

A32426

BUSHING

SPACER - bearing carrier

2шт.

10

A32461

GASKET

- P.T.O. to trans. case

1шт.

11

A137225

STEP BOLT

BOLT - dowel, 5/8 x 1-13/16" N.C. hex. (Replaces A61670)

2шт.

12

A29396

STUD

- P.T.O. to trans. case (5/8" N.C. - N.F. x 2-7/8")

2шт.

13

92-10

LOCK WASHER,5/8"

WASHER, LOCK, 5/8"

2шт.

14

25-1110

NUT,5/8"-18, G5

- 5/8" N.F. hex.

2шт.

15

13-1028

BOLT,Hex, 5/8" - 11 x 1-3/4", Gr 5, Full Thd

6шт.

16

92-10

LOCK WASHER,5/8"

WASHER, LOCK, 5/8"

6шт.

17

A58195

STUD

- P.T.O. housing (5/8 x 3-1/2" N.C.)

2шт.

18

193-34

LOCK WASHER,Int Tooth, 5/8"

WASHER, LOCK, Int Tooth, 5/8"

2шт.

19

25-1010

NUT,5/8"-11, G5

2шт.

A64934

KIT

BREATHER KIT - oil, P.T.O. housing, Includes: Ref. 22 - 24

1шт.

22

A27173

BREATHER

- oil, R.H. side

1шт.

23

221-211

PIPE,Nipple, 3/4" NPT x 1 3/8"

NIPPLE - breather, 3/4" P.T. x 1-3/8"

1шт.

24

221-395

FITTING

ELBOW - reducing, 3/4" P.T. x 1/4" P.T. x 90 Degrees

1шт.

25

A21462

SENDER UNIT

UNIT - sending, trans. temperature

1шт.

26

193-1000

NUT,Keps, w/LW,#10-32

- #10-32 hex. Sems

1шт.

27

A66729

TUBE

- oil filler (1st used trans. ser. no. 2452272)

1шт.

28

A62172

TUBE

- oil filler (Order A66729) to trans., Serial Range: -2452272

1шт.

30

A64404

BREATHER

ASSY. - oil (Replaces A59123), Includes: Ref. 31

1шт.

31

A7623

O-RING,0.139" Thk x 0.984" ID, -214, Cl 5, 75 Duro

"O" RING - 1 x 1-1/4 x 1/8"

1шт.

Выбрано товаров: 29