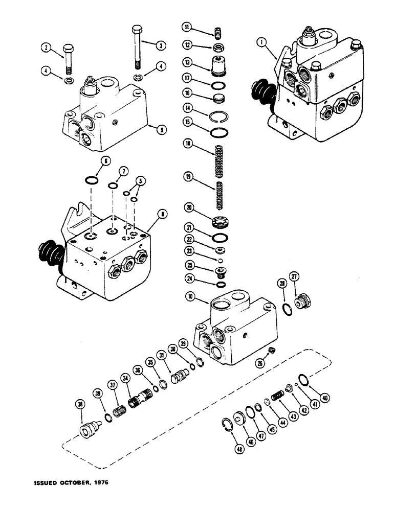
Запчасти Case IH 1175 (131E) - G101001 POWER BRAKE VALVE, PART NUMBER STAMPED ON COVER, FIRST USED TRACTOR SERIAL NUMBER 8803648 (07) - BRAKES

Схема запчастей Case IH 1175 - (131E) - G101001 POWER BRAKE VALVE, PART NUMBER STAMPED ON COVER, FIRST USED TRACTOR SERIAL NUMBER 8803648 (07) - BRAKES
6
29
5
8
12
35
14
25
7
4
2
15
3
19
45
1
11
37
9
16
43
48
26
36
23
28
40
10
20
33
30
21
44
16
22
34
41
39
17
27
47
24
46
4
38
13
42
FIT
1:1
100%

Артикул

Название

Примечание

Количество

1

G101001

VALVE

ASSY. - power brake, Includes: Ref. 2 - 45

1шт.

2

13-532

BOLT,Hex, 5/16" - 18 x 2", Gr 5

2шт.

3

13-552

BOLT,Hex, 5/16" - 18 x 3-1/4", Gr 5

- 5/16 x 3-1/4" N.C. hex

2шт.

4

92-5

LOCK WASHER,5/16"

4шт.

5

A28090

O-RING,0.301" ID x 0.441" OD x 0.07"

-011, 70 Duro, .301" ID x .070" Thk

2шт.

6

F10894

O-RING,0.07" Thk x 0.676" ID, -17, Cl 5, 75 Duro

"O" RING - 11/16 x 13/16 x 1/16"

1шт.

7

A18414

O-RING,0.07" Thk x 0.489" ID, -14, Cl 5, 75 Duro

"O" RING - 1/2 x 5/8 x 1/16"

1шт.

8

G100060

VALVE

ASSY. - master cylinder (See Figure 131G)

1шт.

9

G101000

COVER

ASSY. - valve, Includes: Ref. 10 - 45

1шт.

10

NSS

NOT SOLD SEPARAT

BODY - cover (Order G101000)

1шт.

11

178-657

SET SCREW,Hex Soc, 3/8"-16 x 3/4"

SCREW - 3/8 x 3/4" N.C. hex. sckt. hd., oval pt. set

1шт.

12

25-146

JAM NUT,Jam, 3/8"-16, G5

- 3/8" N.C. hex., jam

1шт.

13

G100761

RETAINER

- spring

1шт.

14

G100769

RING

- retaining, spring retainer

1шт.

15

A64434

O-RING,0.93" ID x 1.142" x 0.106"

"O" RING - 15/16 x 1-1/8 x 3/32" (Repl. A58602)

1шт.

16

G100762

PISTON

- relief valve

1шт.

17

A17526

O-RING,0.614" ID x 0.754" OD x 0.7"

"O" RING - 5/8 x 3/4 x 1/16"

1шт.

18

G100760

SPRING

- outer, 11/16" O.D. x 1-5/16" free length

1шт.

19

G100759

SPRING

- inner, 7/16" O.D.x 1-5/16" free length

1шт.

20

G100985

GUIDE

- spring

1шт.

21

R15365

O-RING,0.989" ID x 1.129" OD x 0.07"

"O" RING - spring guide

1шт.

22

G100588

WASHER

- 1/4 x 9/16 x 5/64"

1шт.

23

211-259

BALL,5/16" Dia

- pressure relief, . 5/16" Dia

1шт.

24

A18414

O-RING,0.07" Thk x 0.489" ID, -14, Cl 5, 75 Duro

"O" RING - 1/2 x 5/8 x 1/16"

1шт.

25

G35351

SEAT

- ball

1шт.

26

221-849

PLUG,Hex Soc, 1/8"-27

- 1/8" pt. hex. sckt. hd.

1шт.

27

71100209

PLUG,Hex Soc, 3/4"-16 ORB

Assy, Pressure regulator, Incl Ref 28 Hex Soc, 3/4"-16 ORB

1шт.

29

A59951

RING

- seal, piston

1шт.

30

A28090

O-RING,0.301" ID x 0.441" OD x 0.07"

-011, 70 Duro, .301" ID x .070" Thk

1шт.

31

G100075

PISTON

- pressure regulating

1шт.

G35359

SPOOL

ASSY. - pressure regulating, Includes: Ref. 34 - 36

1шт.

34

G35352

SPOOL

- pressure regulator

1шт.

35

A59951

RING

- seal, spool

1шт.

36

A28090

O-RING,0.301" ID x 0.441" OD x 0.07"

-011, 70 Duro, .301" ID x .070" Thk

1шт.

37

G35349

SPRING

- press. control, 15/32" O.D. x 21/32" free length

1шт.

G35358

SPOOL

ASSY. - pressure release, Includes: Ref. 38 - 45

1шт.

38

G35356

SPOOL

- pressure release

1шт.

39

A29197

O-RING,0.424" ID x 0.63" OD x 0.103"

"O" RING - 7/16 x 5/8 x 3/32"

1шт.

40

F62114

O-RING,0.103" Thk x 0.674" ID, -115, Cl 5, 75 Duro

"O" RING - 11/16 x 3/4 x 3/32"

1шт.

41

211-254

BALL,5/32" Dia

- . 5/32" Dia

1шт.

42

G35353

WASHER

- spring control

1шт.

43

G35354

SPRING

- press. control, 29/64" O.D. x 31/32" free length

1шт.

44

G35355

SHIM

- pressure spring (3/64")

1шт.

45

A59973

SNAP RING,0.50", Int, #50

Ring, Snap, 0.50", Int, #50

1шт.

46

A60652

PLUG

- pressure control

1шт.

47

D32114

O-RING,0.75" ID x 0.875" OD

"O" RING - 3/4 x 7/8 x 1/16"

1шт.

48

D28157

SNAP RING,0.875", Int, #87

Ring, Snap, 0.875", Int, #87

1шт.

28

218-5006

O-RING,0.087" Thk x 0.644" ID, -908, Cl 6, 90 Duro

"O" RING - 41/64 x 13/16 x 3/32"

1шт.

Выбрано товаров: 48