Запчасти Case IH 1175 (133A) - G100292 POWER BRAKE VALVE (07) - BRAKES

Схема запчастей Case IH 1175 - (133A) - G100292 POWER BRAKE VALVE (07) - BRAKES
21
26
9
46
51
4
7
14
55
53
39
43
1
37
29
28
48
52
13
23
38
6
35
54
5
26
8
50
45
12
42
44
36
40
11
34
20
25
10
27
47
41
24
2
18
22
19
56
FIT
1:1
100%

Артикул

Название

Примечание

Количество

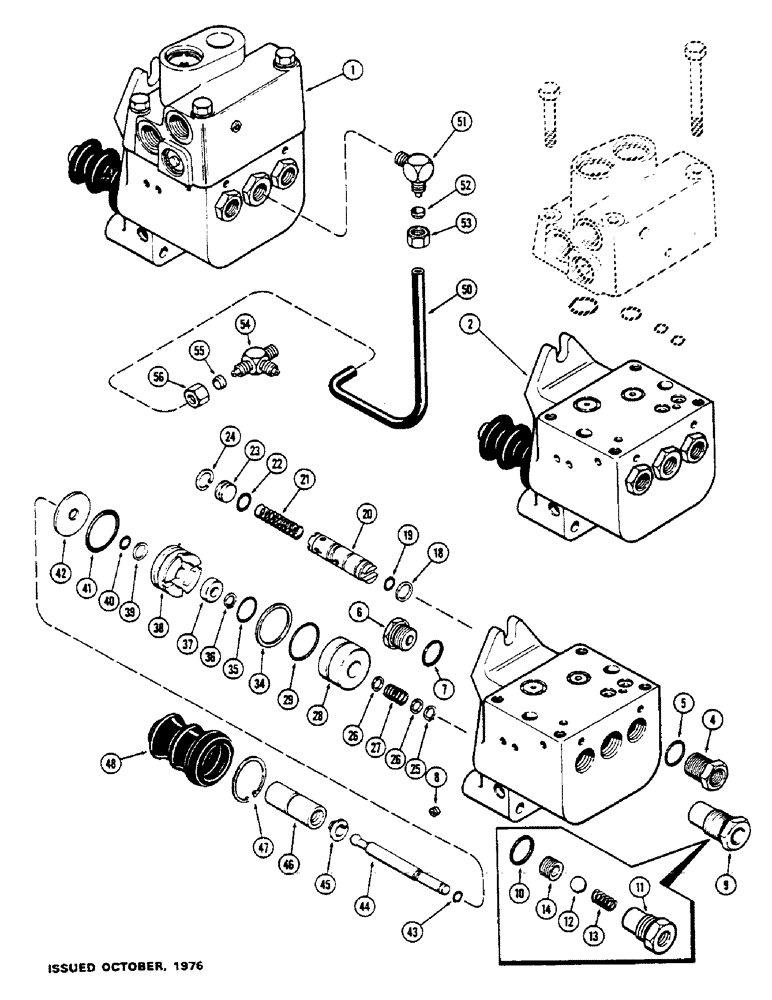
1

G100292

NO LONGER SERVICED

VALVE ASSY. - power brake (Cont'd from Figure 132), Includes: Ref. 2 - 48

1шт.

2

G100060

VALVE

ASSY. - power brake, Includes: Ref. 3 - 48

1шт.

3

NSS

NOT SOLD SEPARAT

BODY - valve

1шт.

4

A59948

PLUG

- reducer, valve body

2шт.

6

86512512

PLUG,7/8" - 14 ORB

Valve body, Incl. Ref. 7 Hex Hd, 7/8"-14 ORB

1шт.

7

237-6010

O-RING,0.097" Thk x 0.755" ID, -910, Cl 6, 90 Duro

"O" RING - 3/4 x 5/8 x 3/32"

1шт.

8

221-1850

PLUG,Hex Soc, 1/16"-27

- pipe, 1/16" N.F. hex., sckt. hd.

7шт.

9

A61508

VALVE

ASSY. - sump pressure relief, Includes: Ref. 10 - 14

1шт.

10

237-6010

O-RING,0.097" Thk x 0.755" ID, -910, Cl 6, 90 Duro

"O" RING - 3/4 x 15/16 x 3/32"

1шт.

11

NSS

NOT SOLD SEPARAT

BODY - sump relief valve

1шт.

12

211-11

BALL,3/8" Dia

- relief valve, . 3/8" Dia

1шт.

13

A61510

SPRING

- compression, 21/32" free length

1шт.

14

A61511

SEAT

- relief valve

1шт.

18

A59951

RING

- sealing, boost spool

2шт.

19

A28090

O-RING,0.301" ID x 0.441" OD x 0.07"

-011, 70 Duro, .301" ID x .070" Thk

2шт.

Included w/ REPAIR KIT, A43710

1шт.

20

G100041

SPOOL

- boost

2шт.

21

A59950

SPRING

- spool, 1-3/4" free length

2шт.

22

A29197

O-RING,0.424" ID x 0.63" OD x 0.103"

"O" RING - 7/16 x 5/8 x 3/32"

2шт.

Included w/ REPAIR KIT, A43710

1шт.

23

A64911

PLUG

- boost spool

2шт.

24

G46147

SNAP RING,0.625", Int, #62

Ring, Snap, , plug 0.625", Int, #62

2шт.

25

G10659

SNAP RING,#31, Ext

Ring, Snap, , piston retaining #31, Ext

2шт.

26

A65936

COLLAR

RETAINER - spring

4шт.

27

A59957

SPRING

- piston, 21/32" free length

2шт.

28

A59953

PISTON

- brake

2шт.

29

A59954

O-RING,0.07" Thk x 1.176" ID, -25, Cl 5, 75 Duro

"O" RING - 1-3/16 x 1-5/16 x 1/16"

2шт.

Included w/ REPAIR KIT, A43710

1шт.

34

A59955

SEALING RING

RING - sealing, piston

2шт.

Included w/ REPAIR KIT, A43710

1шт.

35

T22211

X

"O" RING - 3/4 x 7/8 x 1/16"

2шт.

Included w/ REPAIR KIT, A43710

1шт.

36

G10659

SNAP RING,#31, Ext

Ring, Snap, , piston seal washer #31, Ext

2шт.

37

A64912

WASHER

- piston seal

2шт.

38

A62072

SEAT

STOP - piston

2шт.

39

A59961

RING

- back-up, piston stop

2шт.

Included w/ REPAIR KIT, A43710

1шт.

40

A27891

O-RING,0.103" Thk x 0.362" ID, -110, Cl 5, 75 Duro

"O" RING - 3/8 x 9/16 x 3/32"

2шт.

Included w/ REPAIR KIT, A43710

1шт.

41

A27577

O-RING,0.139" Thk x 1.234" ID, -218, Cl 5, 75 Duro

"O" RING - 1-1/4 x 1-1/2 x 1/8"

2шт.

42

A60646

SPACER

RETAINER - piston stop

2шт.

43

A27880

O-RING,0.07" Thk x 0.18" ID, -8, Cl 5, 75 Duro

"O" RING - 3/16 x 5/16 x 1/16"

2шт.

44

A64913

ROD

- piston

2шт.

45

A60647

COLLAR

RETAINER - piston rod (Nylon)

2шт.

Included w/ REPAIR KIT, A43710

1шт.

46

A59964

CONNECTOR, ELEC

CONNECTOR - piston rod

2шт.

47

T28550

SNAP RING,1.50", Int, #150

Ring, Snap, , piston stop 1.50", Int, #150

2шт.

48

A59966

BOOT

- piston rod

2шт.

Included w/ REPAIR KIT, A43710

1шт.

A43710

KIT

- repair, Includes: Ref. 18, 19, 22, 29 - 35, 39 - 41, 43, 45 and 48

1шт.

50

A60770

TUBE

- relief valve pressure, 50"

1шт.

51

222-5111

ELBOW,9/16"-24 x 1/8" NPTF

- 3/8" tube x 1/4' P.T., 90 Degrees, Includes: Ref. 52 and 53

1шт.

52

222-5186

SLEEVE,3/8" Tube

- for 3/8" Tube

1шт.

53

222-5181

NUT,9/16"-24

NUT - for 3/8" tube

1шт.

54

222-5120

TEE,7/16"-24 x 1/4" NPT Run

- 3/8" tube x 1/4" P.T., Includes: Ref. 55 and 56

1шт.

55

222-5186

SLEEVE,3/8" Tube

- for 3/8" Tube

1шт.

56

222-5181

NUT,9/16"-24

NUT - for 3/8" tube

1шт.

5

218-5006

O-RING,0.087" Thk x 0.644" ID, -908, Cl 6, 90 Duro

"O" RING - 1/2 x 21/32 x 3/32"

2шт.

Выбрано товаров: 58