Запчасти Case IH 1175 (133C) - A65724 POWER BRAKE VALVE, PART NUMBER STAMPED ON COVER (07) - BRAKES

Схема запчастей Case IH 1175 - (133C) - A65724 POWER BRAKE VALVE, PART NUMBER STAMPED ON COVER (07) - BRAKES
31
19
31
36
44
21
35
2
15
45
14
28
37
25
39
20
43
30
18
45
30
33
7
4
29
39
23
40
12
23
3
5
41
32
24
34
26
42
17
16
4
1
38
8
13
6
FIT
1:1
100%

Артикул

Название

Примечание

Количество

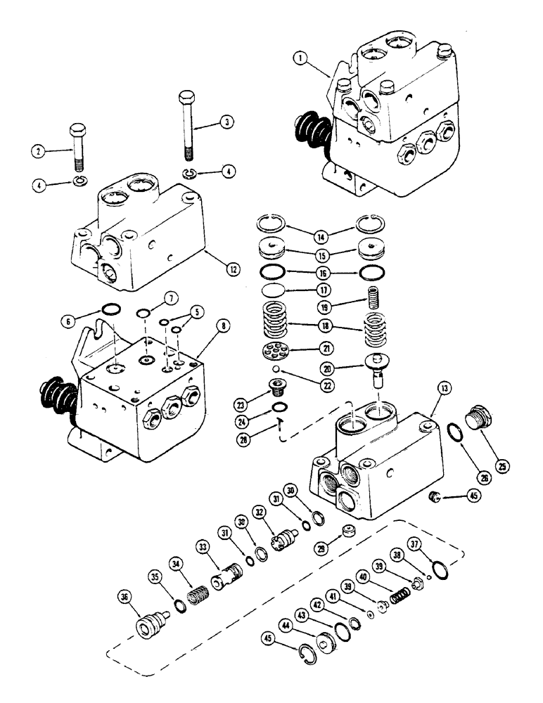
1

A65724

SPARE PART

VALVE ASSY. - power brake, see Figure 133G for conversion kit, Includes: Ref. 2 - 46

1шт.

2

13-532

BOLT,Hex, 5/16" - 18 x 2", Gr 5

2шт.

3

13-552

BOLT,Hex, 5/16" - 18 x 3-1/4", Gr 5

- 5/16 x 3-1/4" N.C. hex

2шт.

4

92-5

LOCK WASHER,5/16"

4шт.

5

A28090

O-RING,0.301" ID x 0.441" OD x 0.07"

-011, 70 Duro, .301" ID x .070" Thk

2шт.

Included w/ REPAIR KIT, A43709

1шт.

6

F10894

O-RING,0.07" Thk x 0.676" ID, -17, Cl 5, 75 Duro

"O" RING - 11/16 x 13/16 x 1/16"

1шт.

Included w/ REPAIR KIT, A43709

1шт.

7

D26872

O-RING

"O" RING - 1/2 x 5/8 x 1/16"

1шт.

8

A65722

HYDRAULIC VALVE

VALVE ASSY. - power brake (See Figure 133E)

1шт.

12

A65725

COVER

ASSY. - power brake valve, Includes: Ref. 13 - 46

1шт.

13

NSS

NOT SOLD SEPARAT

BODY - valve cover

1шт.

14

A36277

SNAP RING,1.125", Int, #112

pressure plug 1.125", Int, #112

2шт.

15

A59981

PLUG

- pressure

2шт.

16

A64434

O-RING,0.93" ID x 1.142" x 0.106"

"O" RING - 15/16 x 1-1/8 x 3/32"

2шт.

Included w/ REPAIR KIT, A43709

1шт.

17

A60655

SHIM,.010" Thk

Pressure adjusting .010" Thk

1шт.

17

A61802

SHIM,.050" Thk

Pressure adjusting (Order 5-A60655) .050" Thk

1шт.

17

A61803

SHIM,.100" Thk

Pressure adjusting (Order 10-A60655) .100" Thk

1шт.

18

A59980

SPRING

- relief valve, 1-3/16" free length

2шт.

19

A62019

SPRING - pressure limiter, 31/32" free length

1шт.

20

A62837

SPOOL

- pressure influx

1шт.

21

A59979

WASHER

- pressure relief valve

1шт.

22

211-9

BALL,5/16" Dia

- pressure relief valve, . 5/16" Dia

1шт.

23

A62433

SEAT

- pressure relief valve

1шт.

24

D26872

O-RING

"O" RING - 1/2 x 5/8 x 1/16"

1шт.

25

71100209

PLUG,Hex Soc, 3/4"-16 ORB

Assy, Pressure regulator, Incl Ref 26 Hex Soc, 3/4"-16 ORB

1шт.

28

A62903

ELECTRICAL WIRE

WIRE - orifice reducing

1шт.

29

A59969

PLUG

- valve cover orifice

1шт.

30

A59951

RING

- seal, spool and piston

2шт.

Included w/ REPAIR KIT, A43709

1шт.

31

A28090

O-RING,0.301" ID x 0.441" OD x 0.07"

-011, 70 Duro, .301" ID x .070" Thk

2шт.

Included w/ REPAIR KIT, A43709

1шт.

32

A59977

PISTON

- power assist

1шт.

33

A62833

SPOOL

- pressure regulating (Order G35357)

1шт.

34

A59975

SPRING

- spool, 21/32" free length

1шт.

35

A29197

O-RING,0.424" ID x 0.63" OD x 0.103"

"O" RING - 7/16 x 5/8 x 3/32"

1шт.

Included w/ REPAIR KIT, A43709

1шт.

36

A65723

SPOOL

- pressure release

1шт.

37

F62114

O-RING,0.103" Thk x 0.674" ID, -115, Cl 5, 75 Duro

"O" RING - 11/16 x 7/8 x 3/32"

1шт.

Included w/ REPAIR KIT, A43709

1шт.

38

211-4

BALL

- pressure control, 5/32" dia.

1шт.

39

A61516

RETAINER - pressure spring

2шт.

40

A61515

SPRING - pressure control, 19/32" free length

1шт.

41

A61517

SHIM - pressure release (.010")

1шт.

42

A59973

SNAP RING,0.50", Int, #50

Ring, Snap, 0.50", Int, #50

1шт.

43

D32114

O-RING,0.75" ID x 0.875" OD

"O" RING - 3/4 x 7/8 x 1/16"

1шт.

Included w/ REPAIR KIT, A43709

1шт.

44

A60652

PLUG

- pressure control

1шт.

45

D28157

SNAP RING,0.875", Int, #87

Ring, Snap, , plug 0.875", Int, #87

1шт.

46

221-849

PLUG,Hex Soc, 1/8"-27

- 1/8" P.T. hex. sckt. hd.

1шт.

A43709

SEAL

KIT - repair, valve cover, Includes: Ref. 5, 6, 16, 26, 30, 31, 35, 37 and 43

1шт.

26

218-5006

O-RING,0.087" Thk x 0.644" ID, -908, Cl 6, 90 Duro

"O" RING - 41/64 x 13/16 x 3/32"

1шт.

Included w/ REPAIR KIT, A43709

1шт.

Выбрано товаров: 54