Запчасти Case IH 1175 (134) - A65054 POWER BRAKE VALVE, PART NUMBER STAMPED ON COVER (07) - BRAKES

Схема запчастей Case IH 1175 - (134) - A65054 POWER BRAKE VALVE, PART NUMBER STAMPED ON COVER (07) - BRAKES
35
34
44
36
25
17
43
4
31
16
32
29
5
1
20
18
38
40
30
16
9
12
14
11
19
41
31
10
3
26
15
6
37
33
27
2
18
19
39
30
28
42
17
8
13
FIT
1:1
100%

Артикул

Название

Примечание

Количество

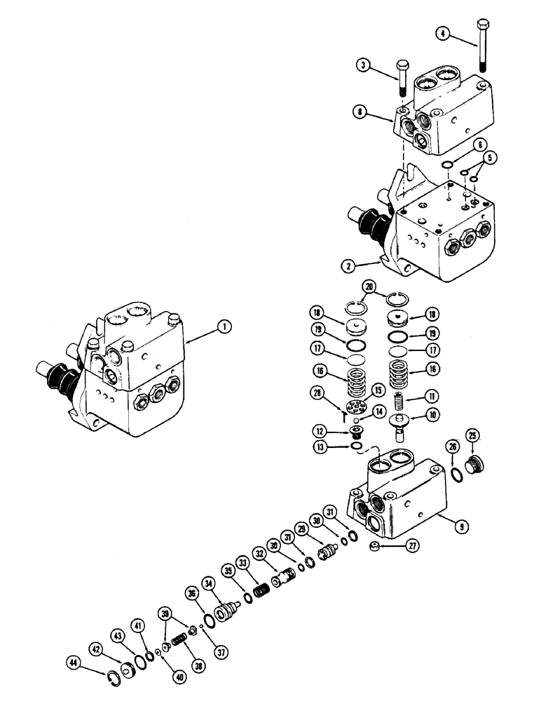
1

A65054

VALVE

ASSY. - power brake (Order G100292), Includes: Ref. 2 - 44

1шт.

2

A65053

VALVE

ASSY. - master cylinder (See Figure 135A) (Order 1-A65722 and 1-G100060)

1шт.

3

13-532

BOLT,Hex, 5/16" - 18 x 2", Gr 5

2шт.

4

13-552

BOLT,Hex, 5/16" - 18 x 3-1/4", Gr 5

- 5/16 x 3-1/4" N.C. hex.

2шт.

5

A28090

O-RING,0.301" ID x 0.441" OD x 0.07"

-011, 70 Duro, .301" ID x .070" Thk

2шт.

Included w/ REPAIR KIT, A43709

1шт.

6

A18414

O-RING,0.07" Thk x 0.489" ID, -14, Cl 5, 75 Duro

"O" RING - 1/2 x 5/8 x 1/16"

1шт.

Included w/ REPAIR KIT, A43709

1шт.

8

A65052

COVER ASSY. - brake valve (Replaces A62431) (Order A65725), Includes: Ref. 9 - 44

1шт.

9

NSS

NOT SOLD SEPARAT

BODY - cover (Order A65052)

1шт.

10

A62837

SPOOL

- pressure influx

1шт.

11

A62019

SPRING - nest, pressure influx

1шт.

12

A62433

SEAT

- relief valve, 9/16" N.F. thrd. (Order G35351)

1шт.

13

A18414

O-RING,0.07" Thk x 0.489" ID, -14, Cl 5, 75 Duro

"O" RING - 1/2 x 5/8 x 1/16"

1шт.

Included w/ REPAIR KIT, A43709

1шт.

14

211-9

BALL,5/16" Dia

- relief valve, . 5/16" Dia

1шт.

15

A59979

WASHER

- relief valve

1шт.

16

A59980

SPRING

- pressure (Order G35350)

2шт.

17

A60655

SHIM,.010" Thk

Relief valve .010" Thk

1шт.

18

A59981

PLUG

- relief valve

2шт.

19

A64434

O-RING,0.93" ID x 1.142" x 0.106"

"O" RING - plug, 15/16 x 1-1/8 x 3/32"

2шт.

Included w/ REPAIR KIT, A43709

1шт.

20

A36277

SNAP RING,1.125", Int, #112

relief valve plug 1.125", Int, #112

2шт.

25

A61801

PLUG ASSY. - pressure regulator, 3/4" N.F. socket, Includes: Ref. 26

1шт.

27

A59969

PLUG

- orifice

1шт.

28

A62903

ELECTRICAL WIRE

WIRE - orifice reducing

1шт.

29

A59977

PISTON

- power assist

1шт.

30

A28090

O-RING,0.301" ID x 0.441" OD x 0.07"

-011, 70 Duro, .301" ID x .070" Thk - Piston

2шт.

Included w/ REPAIR KIT, A43709

1шт.

31

A59951

RING

- seal

2шт.

Included w/ REPAIR KIT, A43709

1шт.

32

A62833

SPOOL

- pressure regulating (Order G35357)

1шт.

33

A59975

SPRING

- regulating spool

1шт.

34

A61514

SPOOL

- pressure release (Order G35357)

1шт.

35

A29197

O-RING,0.424" ID x 0.63" OD x 0.103"

"O" RING - spool, 7/16 x 5/8 x 3/32"

1шт.

Included w/ REPAIR KIT, A43709

1шт.

36

F62114

O-RING,0.103" Thk x 0.674" ID, -115, Cl 5, 75 Duro

"O" RING - spool, 11/16 x 7/8 x 3/32"

1шт.

Included w/ REPAIR KIT, A43709

1шт.

37

211-4

BALL

- pressure control, 5/32" dia.

1шт.

38

A61515

SPRING - pressure control

1шт.

39

A61516

WASHER - spring

2шт.

40

A61517

SHIM - spring, 1/8 x 15/32 x 1/64"

1шт.

41

A59973

SNAP RING,0.50", Int, #50

Ring, Snap, 0.50", Int, #50

1шт.

42

A60652

PLUG

- pressure control

1шт.

43

D32114

O-RING,0.75" ID x 0.875" OD

"O" RING - plug, 3/4 x 7/8 x 1/16"

1шт.

Included w/ REPAIR KIT, A43709

1шт.

44

D28157

SNAP RING,0.875", Int, #87

Ring, Snap, , pressure plug 0.875", Int, #87

1шт.

A43709

SEAL

REPAIR KIT - cover assy. - Includes: Ref. 5, 6, 13, 19, 26, 30, 31, 35, 36 and 43

1шт.

26

218-5006

O-RING,0.087" Thk x 0.644" ID, -908, Cl 6, 90 Duro

"O" RING - 41/64 x 1/2 x 3/32"

1шт.

Included w/ REPAIR KIT, A43709

1шт.

Выбрано товаров: 50