Запчасти Case IH 1175 (169A) - A141385 AUXILIARY VALVE, WITH STRAIGHT OUTLET FITTINGS (08) - HYDRAULICS

Схема запчастей Case IH 1175 - (169A) - A141385 AUXILIARY VALVE, WITH STRAIGHT OUTLET FITTINGS (08) - HYDRAULICS
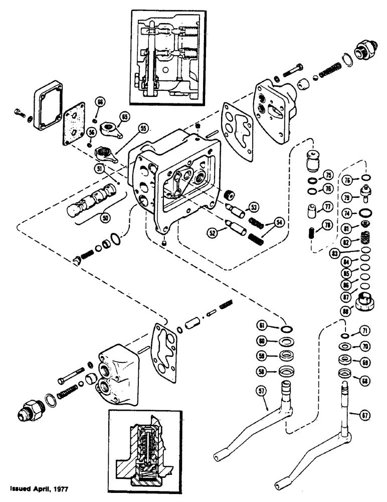
87
79
75
55
58
56
65
50
60
77
57
52
86
51
82
71
76
74
66
68
70
88
81
61
69
53
85
83
78
76
59
54
84
67
FIT
1:1
100%

Артикул

Название

Примечание

Количество

A141385

VALVE

ASSY. - auxiliary, Includes: Ref. 50 - 88 and Ref. 1 - 49 on Fig. 168

1шт.

50

A66469

SPOOL

ASSY. - valve, Includes: Ref. 51

2шт.

51

211-5

BALL,3/16" Dia

- steel, 3/16" Dia

1шт.

52

A57554

PLUNGER

- inner, valve spool

1шт.

53

A57555

PLUNGER

- outer, valve spool (drilled)

1шт.

54

A66472

SPRING

- plunger

2шт.

55

A57546

ARM

ASSY. - shift, lower spool, Includes: Ref. 56

1шт.

56

178-875

SET SCREW,Hex Soc, 1/4"-20 x 1/4"

SCREW - 1/4 x 1/4" N.C. hex. sckt. cup pt. set

1шт.

57

A60391

SHAFT

- shift lever, lower spool

1шт.

58

A30880

RETAINER

- felt washer, outer shaft

1шт.

Included w/ SEAL KIT, A43086

1шт.

59

A30879

WASHER

- felt, outer shaft (3/4 x 1-1/16 x 1/4")

1шт.

Included w/ SEAL KIT, A43086

1шт.

60

A30881

SEALING WASHER,19.45mm ID x 31.35mm OD

WASHER - seal, outer shaft (49/64 x 1-15/64 x 20 ga.)

1шт.

Included w/ SEAL KIT, A43086

1шт.

61

A64837

O-RING,0.103" Thk x 0.75" ID, -116, Cl 5, 75 Duro

"O" RING - outer shaft, 3/4 x 15/16 x 3/32"

1шт.

Included w/ SEAL KIT, A43086

1шт.

65

A57547

ARM

ASSY. - shift, upper spool, Includes: Ref. 66

1шт.

66

178-875

SET SCREW,Hex Soc, 1/4"-20 x 1/4"

SCREW - 1/4 x 1/4" N.C. hex. sckt. cup pt. set

1шт.

67

A60393

SHAFT

- shift lever, upper spool

1шт.

68

A30875

RETAINER

- felt washer, inner shaft

1шт.

Included w/ SEAL KIT, A43086

1шт.

69

A30853

WASHER

- felt, inner shaft (1/2 x 15/16 x 1/4")

1шт.

Included w/ SEAL KIT, A43086

1шт.

70

A27409

WASHER

- seal, inner shaft (33/64 x 63/64 x 20 ga.)

1шт.

Included w/ SEAL KIT, A43086

1шт.

71

A64836

O-RING,0.487" ID x 0.693" OD

"O" RING - inner shaft, 1/2 x 11/16 x 3/32"

1шт.

Included w/ SEAL KIT, A43086

1шт.

A42888

KIT

- seal, relief valve (not part of assy.), Includes: Ref. 74 - 76

1шт.

74

218-5008

O-RING,0.116" Thk x 0.924" ID, -912, Cl 6, 90 Duro

"O" RING - 3/4 x 50/64 x 1/8"

1шт.

Included w/ SEAL KIT, A43086

1шт.

75

A34493

RING,16.33mm ID x 19.02mm OD x 1.25mm Thk

- pilot, relief valve

1шт.

Included w/ SEAL KIT, A43086

1шт.

76

A17526

O-RING,0.614" ID x 0.754" OD x 0.7"

"O" RING - pilot relief valve, 5/8 x 3/4 x 1/16"

2шт.

Included w/ SEAL KIT, A43086

1шт.

77

A57553

PISTON

- pilot relief valve

1шт.

78

A34382

SPRING

- pilot relief valve

1шт.

79

A57556

PISTON

ASSY. - pilot relief valve

1шт.

81

A57558

RETAINER

- valve spring

1шт.

82

A61466

SPRING

- valve

1шт.

83

A61467

SHIM,.005" Thk

Spring, Refer to tag attached to valve for shim data .005" Thk

1шт.

84

A34849

SHIM,.0105" Thk

Spring, Refer to tag attached to valve for shim data .0105" Thk

1шт.

85

A34390

SHIM,.0329" Thk

Spring, Refer to tag attached to valve for shim data .0329" Thk

1шт.

85

A34391

SHIM,.0149" Thk

Spring, Refer to tag attached to valve for shim data .0149" Thk

1шт.

86

A34817

SHIM,.0149" Thk

Spring, Refer to tag attached to valve for shim data .0149" Thk

1шт.

87

A34694

SHIM,.0201" Thk

Spring, Refer to tag attached to valve for shim data .0201" Thk

1шт.

88

A34392

PLUG

- pilot relief valve

1шт.

A43086

SEAL

KIT - seal, valve overhaul, Includes: Ref. 58 - 61 and 68 - 76

1шт.

Выбрано товаров: 48