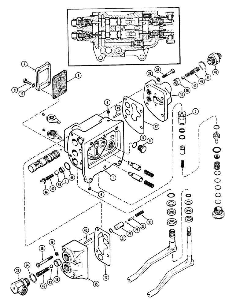
Запчасти Case IH 1175 (171C) - A61465 AUXILIARY VALVE, USED PRIOR TO TRACTOR SERIAL NUMBER 8709725 (08) - HYDRAULICS

Схема запчастей Case IH 1175 - (171C) - A61465 AUXILIARY VALVE, USED PRIOR TO TRACTOR SERIAL NUMBER 8709725 (08) - HYDRAULICS
47
45
8
41
19
49
45
39
6
2
17
15
3
35
18
24
38
5
27
46
16
9
43
42
37
7
10
30
40
28
36
48
26
43
4
29
23
4
1
42
FIT
1:1
100%

Артикул

Название

Примечание

Количество

A61465

VALVE

ASSY. - auxiliary (w/90 Degree swivel fitting on R.H. side), Includes: Ref. 1 - 49 and Ref. 50 - 87 on Fig. 171E

1шт.

WHEN REPLACING A61465 VALVE ASSY. WITH A66503 ON TRACTOR PRIOR TO SER. NO. 8709725 IN ORDER TO RETAIN USE OF EXISTING HOSES, IT WILL BE NECESSARY TO SWITCH THE 90 DEGREE SWIVEL TYPE FITTINGS, ON R.H. SIDE, FROM OLD VALVE TO NEW. SEE FIGURE 185A.

1шт.

1

A57534

BODY

ASSY. - valve, Includes: Ref. 2 - 4

1шт.

2

A57537

SEAT

- ball, check valve

4шт.

3

A57536

SLEEVE

- pilot, relief valve

1шт.

4

221-849

PLUG,Hex Soc, 1/8"-27

- pipe, 1/8" hex. sckt. hd.

4шт.

5

86512512

PLUG,7/8" - 14 ORB

- Body port, Incl. Ref. 6 Hex Hd, 7/8"-14 ORB

1шт.

6

237-6010

O-RING,0.097" Thk x 0.755" ID, -910, Cl 6, 90 Duro

- 5/8 x 3/4 x 3/32"

1шт.

7

A57552

CAP

- valve body

1шт.

8

A76374

GASKET

- cap

1шт.

9

13-414

BOLT,Hex, 1/4" - 20 x 7/8", Gr 5, Full Thd

4шт.

10

92-4

LOCK WASHER,1/4"

WASHER, LOCK, 1/4"

4шт.

15

A57565

VALVE

HEAD ASSY. - R.H. valve, Includes: Ref. 16

1шт.

16

NSS

NOT SOLD SEPARAT

SEAT - valve head

2шт.

17

A57561

GASKET

- R.H. head

1шт.

18

13-628

BOLT,Hex, 3/8" - 16 x 1-3/4", Gr 5

2шт.

18

13-640

BOLT,Hex, 3/8" - 16 x 2-1/2", Gr 5

- 3/8 x 2-1/2" N.C. hex.

2шт.

19

92-6

LOCK WASHER,3/8"

4шт.

23

A57562

ADAPTER

ASSY. - swivel, R.H. (See Figure 185E)

2шт.

24

218-5008

O-RING,0.116" Thk x 0.924" ID, -912, Cl 6, 90 Duro

- 3/4 x 59/64 x 1/8"

1шт.

26

A62273

SEAT

- thermal valve

2шт.

27

A27891

O-RING,0.103" Thk x 0.362" ID, -110, Cl 5, 75 Duro

- thermal valve

2шт.

28

211-3

BALL,1/8" Dia

- thermal valve, . 1/8" Dia

2шт.

29

A62272

GUIDE

- ball, thermal valve

2шт.

30

A57396

SPRING

- valve

2шт.

35

A57564

VALVE

HEAD ASSY. - L.H. valve, Includes: Ref. 36

1шт.

36

NSS

NOT SOLD SEPARAT

SEAT - valve head

2шт.

37

A57560

GASKET

- L.H. head

1шт.

38

13-644

BOLT,Hex, 3/8" - 16 x 2-3/4", Gr 5

- 3/8 x 2-3/4" N.C. hex.

4шт.

39

92-6

LOCK WASHER,3/8"

4шт.

40

A64708

FITTING

- outlet, remote hoses (See Figure 185E)

2шт.

41

218-5008

O-RING,0.116" Thk x 0.924" ID, -912, Cl 6, 90 Duro

- 3/4 x 59/64 x 1/8"

2шт.

42

A30877

SPRING

- check valve

4шт.

43

211-13

BALL,1/2" Dia

- check valve 1/2" Dia

4шт.

45

A57559

SPOOL

- auxiliary

4шт.

46

A27364

GUIDE

- ball, check valve

4шт.

47

A27452

SPRING

- check valve

4шт.

48

211-15

BALL,5/8" Dia

- check valve, . 5/8" Dia

4шт.

49

A58602

O-RING,0.103" Thk x 0.924" ID, -119, Cl 5, 75 Duro

- 15/16 x 1-1/8 x 3/32"

4шт.

Выбрано товаров: 39