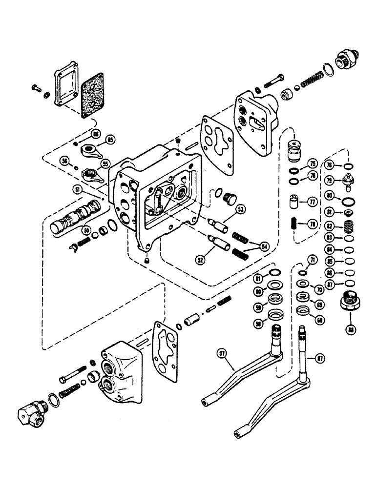
Запчасти Case IH 1175 (171E) - A61465 AUXILIARY VALVE, USED PRIOR TO TRACTOR SERIAL NUMBER 8709725 (08) - HYDRAULICS

Схема запчастей Case IH 1175 - (171E) - A61465 AUXILIARY VALVE, USED PRIOR TO TRACTOR SERIAL NUMBER 8709725 (08) - HYDRAULICS
70
51
88
80
79
57
77
87
75
56
66
71
82
50
86
53
67
76
58
69
76
85
59
68
84
55
60
52
65
61
54
83
78
81
FIT
1:1
100%

Артикул

Название

Примечание

Количество

A61465

VALVE

ASSY. - auxiliary, Includes: Ref. 50 - 87 and Ref. 1 - 49 on Fig. 171C

1шт.

50

A57538

SPOOL

ASSY. - valve, Includes: Ref. 51

2шт.

51

211-5

BALL,3/16" Dia

- steel, 3/16" Dia

1шт.

52

A57554

PLUNGER

- inner, valve spool

1шт.

53

A57555

PLUNGER

- outer, valve spool (drilled)

1шт.

54

A30883

SPRING

- plunger

2шт.

55

A57546

ARM

ASSY. - shift, lower spool, Includes: Ref. 56

1шт.

56

178-875

SET SCREW,Hex Soc, 1/4"-20 x 1/4"

SCREW - 1/4 x 1/4" N.C. hex. sckt. cup pt. set

1шт.

57

A60391

SHAFT

- shift lever, lower spool

1шт.

58

A30880

RETAINER

- felt washer, outer shaft

1шт.

Included w/ SEAL KIT, A43086

1шт.

59

A30879

WASHER

- felt, outer shaft (3/4 x 1-1/16 x 1/4")

1шт.

Included w/ SEAL KIT, A43086

1шт.

60

A30881

SEALING WASHER,19.45mm ID x 31.35mm OD

WASHER - seal, outer shaft (49/64 x 1-15/64 x 20 ga.)

1шт.

Included w/ SEAL KIT, A43086

1шт.

61

A64837

O-RING,0.103" Thk x 0.75" ID, -116, Cl 5, 75 Duro

"O" RING - outer shaft, 3/4 x 15/16 x 3/32"

1шт.

Included w/ SEAL KIT, A43086

1шт.

65

A57547

ARM

ASSY. - shift, upper spool, Includes: Ref. 66

1шт.

66

178-875

SET SCREW,Hex Soc, 1/4"-20 x 1/4"

SCREW - 1/4 x 1/4" N.C. hex. sckt. cup pt. set

1шт.

67

A60393

SHAFT

- shift lever, upper spool

1шт.

68

A30875

RETAINER

- felt washer, inner shaft

1шт.

Included w/ SEAL KIT, A43086

1шт.

69

A30853

WASHER

- felt, inner shaft (1/2 x 15/16 x 1/4")

1шт.

Included w/ SEAL KIT, A43086

1шт.

70

A27409

WASHER

- seal, inner shaft (33/64 x 63/64 x 20 ga.)

1шт.

Included w/ SEAL KIT, A43086

1шт.

71

A64836

O-RING,0.487" ID x 0.693" OD

"O" RING - inner shaft, 1/2 x 11/16 x 3/32"

1шт.

Included w/ SEAL KIT, A43086

1шт.

A42888

KIT

- seal, relief valve (not part of valve assy.), Includes: Ref. 74 - 76

1шт.

74

218-5008

O-RING,0.116" Thk x 0.924" ID, -912, Cl 6, 90 Duro

"O" RING - 3/4 x 59/64 x 1/8"

1шт.

Included w/ SEAL KIT, A43086

1шт.

75

A34493

RING,16.33mm ID x 19.02mm OD x 1.25mm Thk

- pilot, relief valve

1шт.

Included w/ SEAL KIT, A43086

1шт.

76

A17526

O-RING,0.614" ID x 0.754" OD x 0.7"

"O" RING - pilot relief valve, 5/8 x 3/4 x 1/16"

2шт.

Included w/ SEAL KIT, A43086

1шт.

77

A57553

PISTON

- pilot relief valve

1шт.

78

A34382

SPRING

- pilot relief valve

1шт.

79

A57556

PISTON

ASSY. - pilot relief valve

1шт.

81

A57558

RETAINER

- valve spring

1шт.

82

A61466

SPRING

- valve

1шт.

83

A61467

SHIM,.005" Thk

Spring, Refer to tag attached to valve for shim data .005" Thk

1шт.

84

A34849

SHIM,.0105" Thk

Spring, Refer to tag attached to valve for shim data .0105" Thk

1шт.

85

A34390

SHIM,.0329" Thk

Spring, Refer to tag attached to valve for shim data .0329" Thk

1шт.

85

A34391

SHIM,.0149" Thk

Spring, Refer to tag attached to valve for shim data .0149" Thk

1шт.

86

A34817

SHIM,.0149" Thk

Spring, Refer to tag attached to valve for shim data .0149" Thk

1шт.

87

A34694

SHIM,.0201" Thk

Spring, Refer to tag attached to valve for shim data .0201" Thk

1шт.

A43086

SEAL

KIT - seal, complete overhaul, Includes: Ref. 58 - 61 and 68 - 76

1шт.

Выбрано товаров: 47