Запчасти Case IH 1175 (180) - THREE POINT HITCH (08) - HYDRAULICS

Схема запчастей Case IH 1175 - (180) - THREE POINT HITCH (08) - HYDRAULICS
12
7
4
6
35
38
25
29
10
33
2
16
41
13
42
40
19
39
37
3
30
26
27
34
1
18
34
31
44
11
43
20
32
36
28
15
12
17
8
5
14
FIT
1:1
100%

Артикул

Название

Примечание

Количество

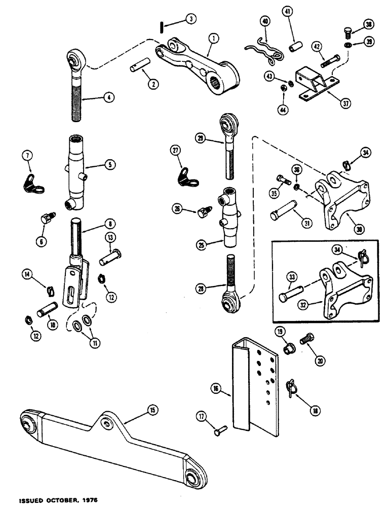
1

A57494

ARM

- lift, rockshaft

2шт.

2

A32268

PIN

- link to lift arm

2шт.

3

135-361

GROOVED PIN,1/4" x 2", Type F

PIN - groove, 1/2" x 2" type 3

2шт.

4

A61470

LINK - upper, draft arm lift

2шт.

5

A61795

TURNBUCKLE - lift link, draft arm

2шт.

6

A62285

SCREW,Hex, 1" - 12 x 1-1/2"

- lock, turnbuckle adjustment

2шт.

7

A62986

HOLDER

KEEPER - lock screw

2шт.

8

A61474

LINK ASSY. - lower, draft arm lift

2шт.

10

A60979

PIN

- lift link to draft arm

2шт.

11

195-553

WASHER,1", SAE

- 1-1/16 x 2 x 9/64"

4шт.

12

A34428

SNAP RING,#98, Ext

Ring, Snap, , link pin #98, Ext

4шт.

13

A62243

PIN

- float lock out

2шт.

14

A30338

PIN

- klik, lock out

2шт.

15

A62378

ARM

- draft, R.H.

1шт.

15

A62379

ARM

- draft, L.H.

1шт.

16

A61700

STOP

- sway, R.H. draft arm

1шт.

16

A61701

STOP

- sway, L.H. draft arm

1шт.

17

A60603

PIN

- mounting, stop

2шт.

18

A33497

LINCH PIN,4.76mm OD Pin

PIN - klik, mounting

2шт.

19

A60597

SPACER

- stop

2шт.

20

113-744

X

BOLT - 3/4 x 1-3/4" N.C. hex.

2шт.

25

A62287

TURNBUCKLE

- center link

1шт.

26

A62285

SCREW,Hex, 1" - 12 x 1-1/2"

- lock, turnbuckle adjustment

1шт.

27

A62986

HOLDER

KEEPER - lock screw

1шт.

28

A34196

LIFT LINK END ASSY,1 1/4" - 12 x 6 1/2"

- implement end, middle link

1шт.

29

A62289

SCREW,1 1/4" - 12 x 5.60"

- tractor end, center link

1шт.

30

A66496

BRACKET

- mounting, upper link (1st used trac. ser. no. 8742445)

1шт.

31

A141825

LINK

PIN - upper link attaching (Replaces A66497) (1st used trac. ser. no. 8742445)

1шт.

32

A60667

BRACKET

- mounting, upper link to trac. (Order 1-A66496 and 1-A141825), Serial Range: -8742445

1шт.

33

A33432

PIN

- center link to bracket to trac., Serial Range: -8742445

1шт.

34

A33509

PIN,11.18mm OD

- klik, center link

1шт.

35

13-1032

BOLT,Hex, 5/8" - 11 x 2", Gr 5

4шт.

36

92-10

LOCK WASHER,5/8"

WASHER, LOCK, 5/8"

4шт.

37

A60664

BRACKET

- transport, center link

1шт.

38

13-1020

BOLT,Hex, 5/8" - 11 x 1-1/4", Gr 5, Full Thd

2шт.

39

92-10

LOCK WASHER,5/8"

WASHER, LOCK, 5/8"

2шт.

40

A61684

CLIP

- retaining, center link

1шт.

41

A60246

SPACER

- clip

1шт.

42

13-848

BOLT,Hex, 1/2" - 13 x 3", Gr 5

- 1/2 x 3" N.C. hex.

1шт.

43

92-8

LOCK WASHER,1/2"

1шт.

44

25-108

NUT,1/2"-13, G5

- 1/2" N.C. hex.

1шт.

Выбрано товаров: 41