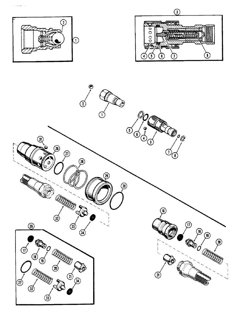
Запчасти Case IH 1175 (187A) - HYDRAULIC COUPLINGS, PRESSURE COUPLINGS (08) - HYDRAULICS

Схема запчастей Case IH 1175 - (187A) - HYDRAULIC COUPLINGS, PRESSURE COUPLINGS (08) - HYDRAULICS
1
26
34
8
20
20
18
4
21
16
3
34
5
32
7
31
8
19
6
32
5
33
3
30
33
35
21
17
2
2
27
27
29
6
4
1
18
19
28
17
7
FIT
1:1
100%

Артикул

Название

Примечание

Количество

1

A66816

COUPLING, BREAK AWAY

COUPLING ASSY. - male, Includes: Ref. 2

1шт.

2

211-316

BALL,17/32" Dia

- coupling

1шт.

3

A141156

COUPLING, BREAK AWAY

COUPLING ASSY. - female, Includes: Ref. 4 - 8

4шт.

4

211-355

BALL

- coupling

10шт.

5

A44890

RING

- back-up

1шт.

A45600

KIT

- repair, coupling (Replaces A45281), Includes: Ref. 6 - 8

1шт.

6

A45601

SEAL

"O" RING - body seal

1шт.

7

A45363

SEAL

- poppet

1шт.

8

NSS

NOT SOLD SEPARAT

RING - lock

1шт.

A28541

COUPLING, BREAK AWAY

COUPLING ASSY. - male, break-away, to convert standard couplings to pressure couplings, see Figure 185A., Includes: Ref. 16 - 21

1шт.

16

A27356

PIPE FITTING

BODY - coupling

1шт.

17

A33964

SEAL

- piston

1шт.

Included w/ REPAIR KIT, A40459

1шт.

18

A27508

PISTON

- coupling

1шт.

Included w/ REPAIR KIT, A40459

1шт.

19

A27358

O-RING,0.07" Thk x 0.239" ID, -10, Cl 5, 75 Duro

"O" RING - piston (1/4 x 3/8 x 1/16")

1шт.

Included w/ REPAIR KIT, A40459

1шт.

20

A27351

SPRING

- piston

1шт.

Included w/ REPAIR KIT, A40459

1шт.

21

51200858

SLEEVE

- piston

1шт.

Included w/ REPAIR KIT, A40459

1шт.

A28542

COUPLING, QUICK, FEM

COUPLING ASSY. - female, hydraulic break-away, to convert standard couplings to pressure couplings, see Figure 185A., Includes: Ref. 26 - 34

4шт.

26

A27349

BODY

- socket

1шт.

27

A34848

O-RING

"O" RING - 7/8 x 1-1/8 x 1/8"

1шт.

28

A27354

SPRING

- tension sleeve

1шт.

29

A27353

SLEEVE

SLEEVE - lock or release

1шт.

30

A27355

O-RING,0.139" Thk x 1.17" ID, -217, Cl 5, 75 Duro

RING - snap, sleeve retaining

1шт.

31

211-7

BALL,1/4" Dia

- swivel 1/4" Dia

8шт.

32

A11324

SPRING

- pressure piston

1шт.

Included w/ REPAIR KIT, A40459

1шт.

33

A26215

PISTON

- coupling socket

1шт.

Included w/ REPAIR KIT, A40459

1шт.

34

A33964

SEAL

- piston

1шт.

Included w/ REPAIR KIT, A40459

1шт.

35

A40459

KIT

- repair, coupling, Includes: Ref. 17 - 21 and 32 - 34

1шт.

Выбрано товаров: 35