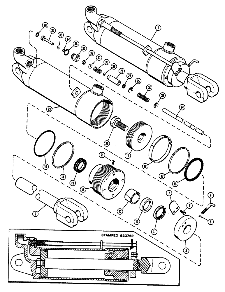
Запчасти Case IH 1175 (188) - G33769 REMOTE HYDRAULIC CYLINDER, 4 INCH BORE X 8 INCH STROKE, GLAND WITH CENTER BEARING (08) - HYDRAULICS

Схема запчастей Case IH 1175 - (188) - G33769 REMOTE HYDRAULIC CYLINDER, 4 INCH BORE X 8 INCH STROKE, GLAND WITH CENTER BEARING (08) - HYDRAULICS
7
34
38
24
25
20
23
5
35
36
29
30
32
33
21
17
16
2
25
3
14
6
15
10
28
18
31
26
1
37
12
27
9
11
13
4
19
FIT
1:1
100%

Артикул

Название

Примечание

Количество

1

G33769

CYLINDER

ASSY. - hydraulic (stamped G33769 on gland), Includes: Ref. 2 - 38

1шт.

2

G33772

ROD

- piston

1шт.

3

G34980

COLLAR

- stop (w/3/8" N.C. thrd. hole)

1шт.

3

G32074

COLLAR

- stop (w/1/4" thrd. hole) (Order 1-G34980, 1-G34977 and 1-G34979)

1шт.

4

G34977

BOLT

- hook (w/3/8" N.C. thrd.) (Used w/G34980)

1шт.

4

G32077

BOLT

- hook (w/1/4" N.C. thrd.) (Used w/G32074)

1шт.

5

G34979

PLUG

- locking (9/32" wide x 1/4" long) (Used w/G34980)

1шт.

5

G32076

PLUG

- locking (3/16" wide x 1/4" long) (Used w/G32074)

1шт.

6

187-1515

SELF-TAP SCREW,1/4" - 20 x 3/4"

SCREW - 1/4"-20 x 3/4" hex. hd. self-tapping

2шт.

7

G32075

PLATE

- stop

1шт.

G34773

GLAND

ASSY. - (hand stamped for identification), Includes: Ref. 9 - 15

1шт.

9

NSS

NOT SOLD SEPARAT

GLAND

1шт.

10

NSS

NOT SOLD SEPARAT

RING - center bearing

1шт.

11

D95142

WIPER SEAL,1.5" ID x 2" OD x 0.31" Thk

WIPER - piston rod, outer (1-1/2 x 2 x 5/16")

1шт.

Included w/ SEAL KIT, G31946

1шт.

12

G34302

BEARING

- center

1шт.

13

D36969

CUP

SEAL - piston rod, 1-1/2 x 2 x 7/16"

1шт.

Included w/ SEAL KIT, G31946

1шт.

14

G32176

BACK-UP RING,101.22mm ID x 107.32mm OD x 1.4mm Thk

- Gland, O-Ring

1шт.

Included w/ SEAL KIT, G31946

1шт.

15

A27507

O-RING,0.139" Thk x 3.984" ID, -242, Cl 5, 75 Duro

"O" RING - 4 x 4-1/4 x 1/8"

1шт.

Included w/ SEAL KIT, G31946

1шт.

16

G15457

O-RING,0.139" Thk x 3.484" ID, -238, Cl 5, 75 Duro

"O" RING - 3-1/2 x 3-3/4 x 1/8"

1шт.

Included w/ SEAL KIT, G31946

1шт.

17

G31928

RING

- piston seal (Teflon)

1шт.

Included w/ SEAL KIT, G31946

1шт.

18

G31927

RING

- wear, piston (Nylon)

1шт.

Included w/ SEAL KIT, G31946

1шт.

19

G33774

PISTON

- cylinder

1шт.

20

28-1232

BOLT,Hex, 3/4" - 16 x 2", Gr 8

1шт.

21

187-1031

SELF-TAP SCREW,Pan, 0.164"-32 x 1/4"

SCREW - #8-32 x 1/4" rd. hd. sltd., self-tapping

1шт.

23

G31942

HYD TUBE,15.15" L

TUBE - cylinder

1шт.

24

G32428

ROD

- push

1шт.

25

G32429

RING

- retaining

2шт.

26

G31934

SPRING

- rod return, 2-5/16" long

1шт.

27

A8613

O-RING,0.426" ID x 0.566" OD

"O" RING - 7/16 x 9/16 x 1/16"

1шт.

Included w/ SEAL KIT, G31946

1шт.

28

G32427

SLEEVE

- protector

1шт.

29

49485

SNAP RING,#X18, .122" Dia, E-Type

Ring, Retaining, #X18, .122" Dia, E-Type

1шт.

30

G31980

SPRING

- plunger return, 1" long

1шт.

31

G31929

WASHER

- spring locking, 7/32 x 5/8 x 1/16"

1шт.

32

G31932

WIPER SEAL

SEAL - wiper, 3/16 x 1/2 x 1/8"

1шт.

Included w/ SEAL KIT, G31946

1шт.

33

G31933

GLAND

ASSY. - valve, Includes: Ref. 34 and 35

1шт.

34

G31935

O-RING,0.174" ID x 0.377" OD

"O" RING - 11/64 x 3/8 x 7/64"

1шт.

Included w/ SEAL KIT, G31946

1шт.

35

G31948

WASHER

- 13/64 x 13/32 x 1/16"

1шт.

37

G31943

PLUNGER

- valve

1шт.

38

G32070

O-RING,0.103" Thk x 0.424" ID, -11, Cl 6, 90 Duro

"O" RING - 27/64 x 5/8 x 3/32"

1шт.

Included w/ SEAL KIT, G31946

1шт.

G31946

KIT

SEAL KIT - cylinder repair, Includes: Ref. 11, 13 - 18, 27, 32, 34, 36 and 38

1шт.

36

218-5006

O-RING,0.087" Thk x 0.644" ID, -908, Cl 6, 90 Duro

"O" RING - 1/2 x 21/32 x 3/32"

1шт.

Included w/ SEAL KIT, G31946

1шт.

Выбрано товаров: 53