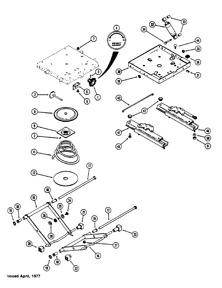
Запчасти Case IH 1175 (217A) - SEAT, VINYL, WITHOUT SWIVEL, FIRST USED TRACTOR SERIAL NUMBER 8802110 (09) - CHASSIS

Схема запчастей Case IH 1175 - (217A) - SEAT, VINYL, WITHOUT SWIVEL, FIRST USED TRACTOR SERIAL NUMBER 8802110 (09) - CHASSIS
12
30
35
16
2
43
23
28
21
31
15
44
9
1
18
27
17
25
36
3
8
18
4
5
40
19
32
3
33
19
18
20
42
11
45
22
19
26
51
34
6
17
24
41
50
18
7
FIT
1:1
100%

Артикул

Название

Примечание

Количество

A139547

SEAT

AND SUSPENSION ASSY. - vinyl w/o swivel, Includes: Ref. 1 - 45

1шт.

1

A45508

BUTTON

KNOB - weight adjustment

1шт.

2

A45513

GEAR

AND SHAFT ASSY

1шт.

3

138-77

LOCK PIN,5/32" x 1", Slotted

PIN, 5/32" x 1", Slotted

2шт.

4

A45511

DECAL

- weight adjustment

1шт.

5

NSS

NOT SOLD SEPARAT

BRACKET - shaft

1шт.

6

411-48

CARRIAGE BOLT,Sq Nk, 1/4" - 20 x 1/2", Gr 2

BOLT - 1/4 x 1/2" N.C. rd. hd. sq. neck

2шт.

7

131-1351

FLANGE NUT,Flg, 1/4"-20

NUT - 1/4" N.C. hex. jam

2шт.

8

A45505

GEAR

AND SHAFT ASSY

1шт.

9

A45504

SPRING WASHER

- spring

1шт.

11

A45497

SPRING

- conical

1шт.

12

NSS

NOT SOLD SEPARAT

PAD - spring

1шт.

15

NSS

NOT SOLD SEPARAT

ARM ASSY. - outer

1шт.

16

NSS

NOT SOLD SEPARAT

ARM ASSY. - inner

1шт.

17

A45057

SHAFT

- bearing (Replaces A45506)

2шт.

18

A45496

TUBE

- bearing

4шт.

19

131-425

PUSH-ON NUT,Push, 1/2"

NUT, LOCK, (Pal type) Push, 1/2"

2шт.

20

A45512

BLOCK

- slider, 1-3/16"

1шт.

21

A45516

BLOCK

- slider, 2-3/16"

1шт.

22

A45515

BLOCK

- slider, 1-9/16"

1шт.

23

P0045517A

WASHER

- slider, 2-9/16"

1шт.

24

A45569

STEP BOLT

BOLT - 3/8 x 1" N.C. rd. hd. sq. neck

2шт.

25

A45519

WASHER

SPACER

4шт.

26

A45498

BUSHING

BEARING - cross pivot

2шт.

27

131-6

LOCK NUT,3/8"-16, GC

NUT - 3/8" N.C. hex. jam

4шт.

28

195-25

WASHER,3/8"

- 13/32 x 13/16 x 1/16"

2шт.

30

NSS

NOT SOLD SEPARAT

BASE ASSY. - lower

1шт.

31

138-134

LOCK PIN,1/4" x 1", Slotted

PIN, 1/4" x 1", Slotted

1шт.

32

A45503

SHOCK ABSORBER

- seat

1шт.

33

A45501

BUSHING,0.504" ID x 0.87" OD x 1.417"

BEARING - shock absorber

2шт.

34

A45056

STEP BOLT

BOLT - shoulder (Replaces A45502)

1шт.

35

131-203

LOCK NUT,3/8"-16, GB, LH

NUT - 3/8" N.C. hex. Nylock

1шт.

36

A45054

BUMPER,Neoprene

- seat (Replaces A45509)

2шт.

40

A45522

SLIDE

- w/handle

1шт.

41

A45523

SLIDE

- locking

1шт.

A45060

SPRING

- slide

1шт.

42

NSS

NOT SOLD SEPARAT

SPACER - slider (Supplied w/slides)

4шт.

43

A45524

ROD

- latch connecting

1шт.

44

11-514

CARRIAGE BOLT,Short NK, 5/16"-18 x 7/8", G2

BOLT - 5/16 x 7/8" N.C. carriage

4шт.

45

232-4115

LOCK NUT,5/16"-18, GC

NUT - 5/16" N.C. hex. nylon insert

4шт.

50

195-521

WASHER,5/16", SAE

- 11/32 x 11/16 x 1/16"

4шт.

51

9635082

NUT,5/16" - 18, Gr 5

4шт.

Выбрано товаров: 42