Запчасти Case IH 1175 (018) - (451B) TURBO DIESEL ENGINE, MANIFOLDS (02) - ENGINE

Схема запчастей Case IH 1175 - (018) - (451B) TURBO DIESEL ENGINE, MANIFOLDS (02) - ENGINE
4
13
31
5
2
25
24
23
22
14
30
2
11
3
21
6
12
1
12
23
3
23
10
20
32
4
13
25
FIT
1:1
100%

Артикул

Название

Примечание

Количество

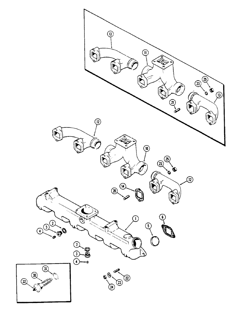
1

A66087

MANIFOLD

ASSY. - intake, Includes: Ref. 2 and 3

1шт.

2

A20916

MANIFOLD GASKET

GASKET - heater hole

2шт.

3

L10283

PLUG

- heater hole

2шт.

4

221-41

PLUG

- pipe, 1/8" Sltd. hdless, Includes: Ref. 5

2шт.

5

41-1042

PLUG,Cup, 2 5/8"

- cup, 2-5/8" dia.

1шт.

6

A58662

MANIFOLD GASKET

- intake manifold

6шт.

10

A76322

MANIFOLD

- exhaust, center section (1st used eng. ser. no. 2529905)

1шт.

11

A58906

TUBE

MANIFOLD - exhaust, center section to eng.) (Order A76322 manifold and 4-A35175 studs), Serial Range: -2529905

1шт.

12

A65917

MANIFOLD

- exhaust, front and rear section (1st used eng. ser. no. 2529905)

2шт.

13

A58907

EXHAUST MANIFOLD

MANIFOLD - exhaust, front and rear section to eng. (Order A65917 manifold and A35175 studs), Serial Range: -2529905

2шт.

14

A58895

GASKET

- exhaust manifold

6шт.

20

A140924

STUD

- exhaust manifold, 3/8" N.C. x 2-7/16" (1st used eng. ser. no. 2529905) (Replaces A35175)

12шт.

21

A59077

STUD

- intake & exhaust, 3/8" N.C. x 1-13/16" (used w/exhaust prior to eng.), Serial Range: -2529905

24шт.

22

A59077

STUD

- intake, 3/8" N.C. x 1-13/16" (Used w/intake only eng.), Start Serial: 2529905

12шт.

23

92-6

LOCK WASHER,3/8"

24шт.

24

25-106

NUT,3/8"-16, G5

- 3/8" N.C. hex. (intake)

12шт.

25

131-903

NUT,3/8"-16

NUT - 3/8" N.C. Seezpruf (exhaust)

12шт.

30

A37775

HEATER

ASSY. - intake manifold (12 V)

1шт.

31

A20916

MANIFOLD GASKET

GASKET - heater

1шт.

32

129-503

NUT,1/4"-20, Brass

1шт.

Выбрано товаров: 0