Запчасти Case IH 1175 (315A) - CAB, RADIO (09) - CHASSIS

Схема запчастей Case IH 1175 - (315A) - CAB, RADIO (09) - CHASSIS
10
19
3
21
2
8
16
1
17
15
13
10
20
5
11
12
14
18
4
6
11
7
FIT
1:1
100%

Артикул

Название

Примечание

Количество

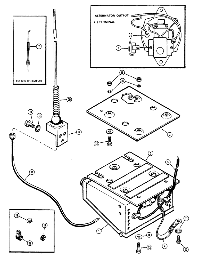
A62456

RADIO

KIT - (for complete installation also order 1-A62457 antenna kit), Includes: Ref. 1 - 19

1шт.

1

NSS

NOT SOLD SEPARAT

RADIO - w/speaker

1шт.

2

NSS

NOT SOLD SEPARAT

PLATE - radio mounting, w/bolts

1шт.

3

NSS

NOT SOLD SEPARAT

PLATE - roof mounting adapter

1шт.

4

NSS

NOT SOLD SEPARAT

STRAP - ground

1шт.

5

NSS

NOT SOLD SEPARAT

WIRE - lead in (hot) (60")

1шт.

6

NSS

NOT SOLD SEPARAT

CAPACITOR - alternator

1шт.

7

NSS

NOT SOLD SEPARAT

SUPPRESSOR - distributor (Gas only)

1шт.

8

NSS

NOT SOLD SEPARAT

BRACKET - antenna mounting

1шт.

NSS

NOT SOLD SEPARAT

PADS - shock, rubber

4шт.

10

187-1036

SELF-TAP SCREW,Hex Washer, 1/4" - 20 x 1/2"

SCREW - antenna brkt. and ground strap, 1/4 x 1" hex.

4шт.

11

193-73

LOCK WASHER,Ext-Int Tooth, 1/4"

WASHER - Shakeproof, 1/4" int./ext.

4шт.

12

13-410

BOLT,Hex, 1/4" - 20 x 5/8", Gr 5, Full Thd

2шт.

13

13-416

BOLT,Hex, 1/4" - 20 x 1", Gr 5

2шт.

14

95-4

WASHER,1/4"

- 5/16 x 3/4 x 1/16"

4шт.

15

92-4

LOCK WASHER,1/4"

WASHER, LOCK, 1/4"

4шт.

16

25-104

NUT,1/4"-20, G5

4шт.

17

A23870

GROMMET

- antenna lead thru frame

1шт.

18

A62079

CLIP

- radio wire

5шт.

19

A20541

CLIP

- antenna, Serial Range: wire-headliner

6шт.

A62457

ANTENNA

KIT, Includes: Ref. 20 and 21

1шт.

20

NSS

NOT SOLD SEPARAT

ANTENNA

1шт.

21

NSS

NOT SOLD SEPARAT

CABLE - lead-in (84")

1шт.

Выбрано товаров: 23