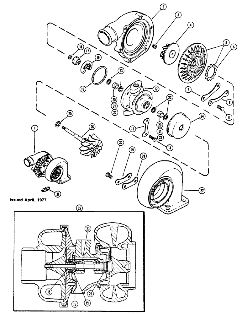
Запчасти Case IH 1175 (021A) - T04B TURBO-CHARGER (451BDT) DIESEL ENGINE (02) - ENGINE

Схема запчастей Case IH 1175 - (021A) - T04B TURBO-CHARGER (451BDT) DIESEL ENGINE (02) - ENGINE
23
20
30
23
15
13
17
1
24
18
19
25
20
15
4
21
8
28
6
18
7
2
3
26
29
22
14
31
21
27
9
23
22
35
12
19
25
5
FIT
1:1
100%

Артикул

Название

Примечание

Количество

A44051

CORE-TURBOCHARGER

TURBO-CHARGER - return number, Part No. A44051 is used only to return original equipment Turbo-Charger for credit on a rebuilt Turbo-Charger.

1шт.

1

A44052

TURBOCHARGER

TURBO-CHARGER - rebuilt, Includes: Ref. 2 - 30

1шт.

1

A48190

REMAN-TURBOCHARGER

Remanufactured, TURBOCHARGER

1шт.

1

A48189

CORE-TURBOCHARGER

Return Number

1шт.

2

A45097

HOUSING

HOUSING - compressor wheel (Replaces A44848)

1шт.

3

A44831

NUT

NUT - lock, compressor wheel

1шт.

4

A45015

IMPELLER

IMPELLER - compressor (Replaces A44847)

1шт.

5

A45095

PLATE

PLATE ASSY. - back, compressor (Replaces A44836), Includes: Ref. 6

1шт.

6

NSS

NOT SOLD SEPARAT

SPRING - thrust

1шт.

7

A44838

CLAMP

CLAMP - turbine housing

3шт.

8

A44839

PLATE

PLATE - lock, turbine housing bolt

3шт.

9

113-101

BOLT,Hex, 5/16" - 18 x 1-1/2", Gr 5

BOLT, Hex, 5/16"-18 x 1/2", G5, Full Thd

6шт.

12

A44825

HOUSING

HOUSING - center

1шт.

13

A44820

PLATE

PLATE - lock, center housing bolt

2шт.

14

113-2

BOLT,Hex, 1/4" - 20 x 5/8", Gr 5

BOLT, Hex, 1/4"-20 x 5/8", G5, Full Thd

4шт.

15

A44833

RING

RING - seal, center housing

1шт.

Included w/ BEARING AND SEAL KIT, A45344, A45345, A45346

1шт.

17

A44830

COLLAR

COLLAR - thrust

1шт.

18

A44828

RING

RING - piston, 1/2" O.D.

1шт.

Included w/ BEARING AND SEAL KIT, A45344, A45345, A45346

1шт.

19

A44832

THRUST BEARING,0.172"

BEARING - thrust plate

1шт.

Included w/ BEARING AND SEAL KIT, A45344, A45345, A45346

1шт.

20

A44826

BEARING

BEARING - center housing (Std.)

2шт.

Included w/ BEARING AND SEAL KIT, A45344

1шт.

21

A44849

BUSHING

BEARING - center housing (.005" undersize)

2шт.

Included w/ BEARING AND SEAL KIT, A45345

1шт.

22

A44850

BUSHING

BEARING - center housing (.010" undersize)

2шт.

Included w/ BEARING AND SEAL KIT, A45346

1шт.

23

A44827

RING

RING - snap, bearing retaining

4шт.

Included w/ BEARING AND SEAL KIT, A45344, A45345, A45346

1шт.

24

A44834

GUARD

SHROUD - wheel

1шт.

25

A44829

RING

RING - piston, 23/32" O.D.

1шт.

Included w/ BEARING AND SEAL KIT, A45344, A45345, A45346

1шт.

26

A44841

WHEEL

WHEEL ASSY. - turbine

1шт.

27

A44846

HOUSING

HOUSING - turbine

1шт.

28

A44823

CLAMP

CLAMP - back, Serial Range: plate-housing

3шт.

29

A44824

PLATE

PLATE - lock, clamp bolt

3шт.

30

113-101

BOLT,Hex, 5/16" - 18 x 1-1/2", Gr 5

BOLT, Hex, 5/16"-18 x 1/2", G5, Full Thd

6шт.

31

A58892

GASKET,1.59mm Thk

GASKET - drain tube flange

1шт.

Included w/ BEARING AND SEAL KIT, A45344, A45345, A45346

1шт.

35

A45344

KIT

KIT - bearing and seal (Std.) Includes: Ref. 15, 18, 19, 23, 25, 31 and bearing A44826, Ref. 20

1шт.

35

A45345

KIT

KIT - bearing and seal (.005" undersize) Includes: Ref. 15, 18, 19, 23, 25, 31 and bearing A44849, Ref. 21)

1шт.

35

A45346

KIT

KIT - bearing and seal (.010" undersize) Includes: Ref. 15, 18, 19, 23, 25, 31 and bearing A44850, Ref. 22)

1шт.

Выбрано товаров: 43