Запчасти Case IH 1175 (069C) - A135715 ALTERNATOR, DELCO-REMY (04) - ELECTRICAL SYSTEMS

Схема запчастей Case IH 1175 - (069C) - A135715 ALTERNATOR, DELCO-REMY (04) - ELECTRICAL SYSTEMS
7
5
16
16
26
20
39
14
38
3
18
6
30
37
36
13
6
32
24
10
31
25
23
6
15
4
35
11
28
12
17
41
1
5
29
2
33
7
8
19
40
FIT
1:1
100%

Артикул

Название

Примечание

Количество

1

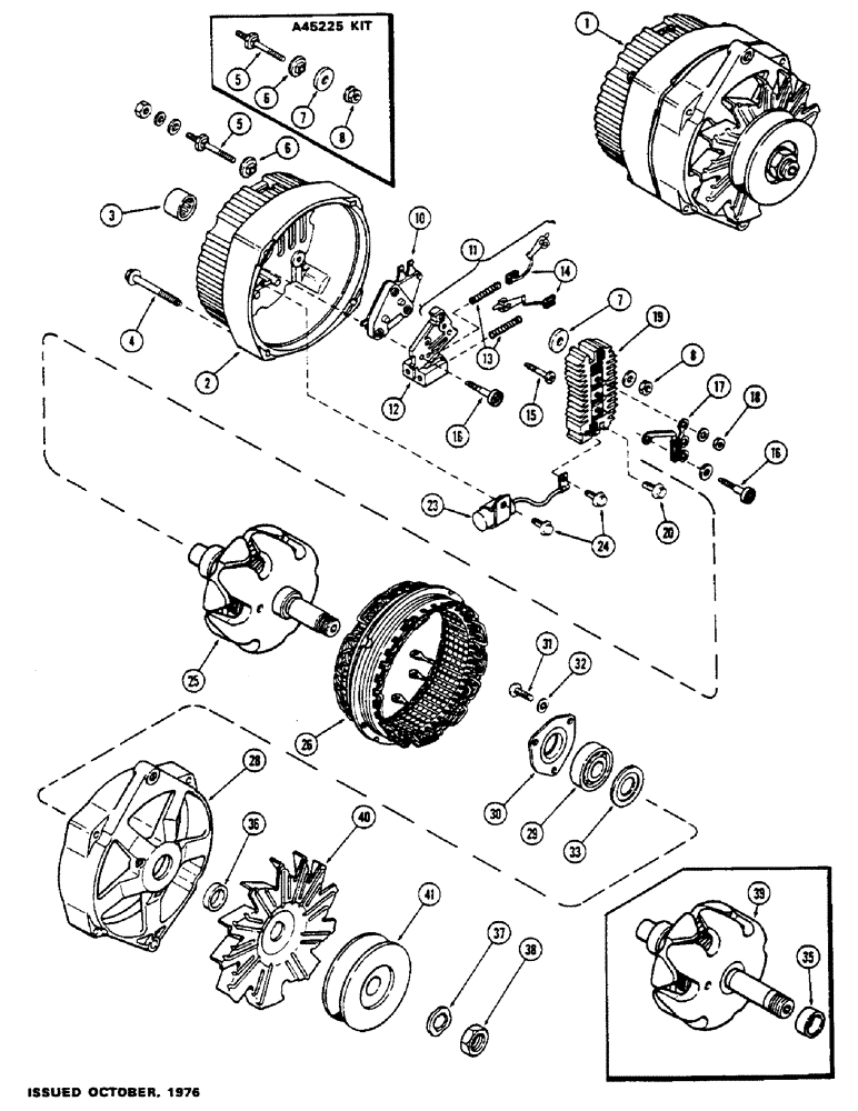
A135715

ALTERNATOR

ALTERNATOR ASSY. - 55 amp. (Delco #1102867) (Order A45202 alternator, A43384 fan & A45231 pulley) (Production Only), Includes: Ref. 2 - 39

1шт.

1

A45202

ALTERNATOR

ALTERNATOR ASSY. - 61 amp. (Delco #1100585) (less pulley & fan) (Repairs Only), Includes: Ref. 2 - 39

1шт.

1

87297244

REMAN-ALTERNATOR

Remanufactured Alternator, 12 volt, 61 ampere,

1шт.

1

87297245

CORE-ALTERNATOR

Return Number, Alternator, 12 volt, 61 ampere,

1шт.

1

103801A1R

REMAN-ALTERNATOR

Remanufactured 12 VOLT, 61 AMP Alternator

1шт.

1

103801A1C

CORE-ALTERNATOR

Return Number, 12 VOLT, 61 AMP Alternator

1шт.

1

A47625

ALTERNATOR

ALTERNATOR - 12 Volt 72 ampere

1шт.

1

103804A1GV

ALTERNATOR

Value, 12V, 72A

1шт.

1

103804A1R

REMAN-ALTERNATOR

Reman For New PN A47625

1шт.

1

103804A1C

CORE-ALTERNATOR

Return Number

1шт.

1

ZAP804A1R

REMAN-ALTERNATOR

Remanufactured 12 VOLT, 100 AMP Alternator (Higher Amp version of 72 amp 103804A1R)

1шт.

1

103804A1C

CORE-ALTERNATOR

Return Number

1шт.

2

A45217

FRAME

FRAME ASSY. - slip ring end, Includes: Ref. 3

1шт.

3

A45218

BEARING ASSY

BEARING - roller

1шт.

4

163-6

SCREW,Hex, #10 - 24 x 1 3/4"

BOLT - thru, #10-24 x 1-3/4" hex. washer hd.

4шт.

A45225

MULTIPOLE CONNECTOR

KIT - terminal, battery, Includes: Ref. 5 - 8

1шт.

5

NSS

NOT SOLD SEPARAT

STUD - terminal

1шт.

6

NSS

NOT SOLD SEPARAT

INSULATOR - stud

1шт.

7

NSS

NOT SOLD SEPARAT

WASHER - insulating

1шт.

8

NSS

NOT SOLD SEPARAT

NUT - terminal

2шт.

10

A45213

REGULATOR

REGULATOR - voltage

1шт.

11

A45222

BRUSH, COMMUTATOR

BRUSH BRUSH HOLDER ASSY. - (includes brushes), Includes: Ref. 12 - 14

1шт.

12

NSS

NOT SOLD SEPARAT

HOLDER - brush

1шт.

13

A43678

SPRING

SPRING - brush

2шт.

14

NSS

NOT SOLD SEPARAT

BRUSH - commutator

2шт.

15

A45224

SCREW,0.164" - 32 x 1 7/64"

SCREW - brush holder, grounded (#8-32 x 1-1/16" phill)

1шт.

16

A45223

SCREW,Spcl, #8 - 32 x 1 1/8"

SCREW - brush holder, insulated

2шт.

17

A45219

DIODE ELEMENT

DIODE - trio

1шт.

18

129-16

NUT,#8-32

NUT, #8-32

3шт.

19

A45394

RECTIFIER

RECTIFIER - bridge (Replaces A45220)

1шт.

20

A45221

SCREW,Hex Wshr Hd, #8 - 32 x 0.99"

SCREW - #8-32 x 1"

1шт.

23

A45226

CAPACITOR

CAPACITOR ASSY. - (includes bracket)

1шт.

24

A45228

SELF-TAP SCREW,Hex Wash Hd, #8-32 x .59", Spc

SCREW - #8-32 x 3/8"

2шт.

25

A45391

ROTOR

ROTOR ASSY. - (Includes slip rings) (See Ref. 39)

1шт.

26

A45215

STATOR

STATOR ASSY. - field

1шт.

28

A45229

FRAME

FRAME - drive end

1шт.

29

A45230

BEARING ASSY

BEARING - ball, drive end

1шт.

30

A44433

PLATE

PLATE - bearing retainer

1шт.

31

173-210

SCREW,Sl Rnd Hd, #10 - 24 x 3/8"

SCREW - #10-24 x 3/8" rd. hd.

3шт.

32

195-512

WASHER,#10

WASHER - 7/32 x 7/16 x 1/16"

3шт.

33

A45232

WASHER

WASHER - bearing, grease slinger

1шт.

35

A44522

COLLAR

COLLAR - rotor shaft iner, (Used w/A45214 rotor) (See Ref. 39)

1шт.

36

A72047

COLLAR

COLLAR - rotor shaft outer, 43/64 x 7/8 x 13/64"

1шт.

37

R16171

SPRING WASHER

WASHER - lock

1шт.

38

A25546

NUT

NUT - pulley and fan mounting

1шт.

39

A45214

ROTOR

ROTOR ASSY. - (w/o slip rings) (Order A45391)

1шт.

40

A43384

FAN

FAN - alternator ventilating

1шт.

41

A45231

PULLEY

SINGLE GROOVE PULLEY - 3.221 +/- .025 DIAMETER HUB OD 1.12

1шт.

Выбрано товаров: 48