Запчасти Case IH 1270 (148) - POWER ASSIST BRAKE SYSTEM, POWER ASSIST BRAKE VALVE ASSEMBLY USED WITH DIFFERENTIAL LOCK (07) - BRAKES

Схема запчастей Case IH 1270 - (148) - POWER ASSIST BRAKE SYSTEM, POWER ASSIST BRAKE VALVE ASSEMBLY USED WITH DIFFERENTIAL LOCK (07) - BRAKES
3
12
25
37
9
42
11
18
46
29
4
38
13
24
28
12
41
30
39
27
1
40
22
42
13
7
2
6
43
30
21
36
23
35
26
44
45
29
5
20
19
10
11
47
8
FIT
1:1
100%

Артикул

Название

Примечание

Количество

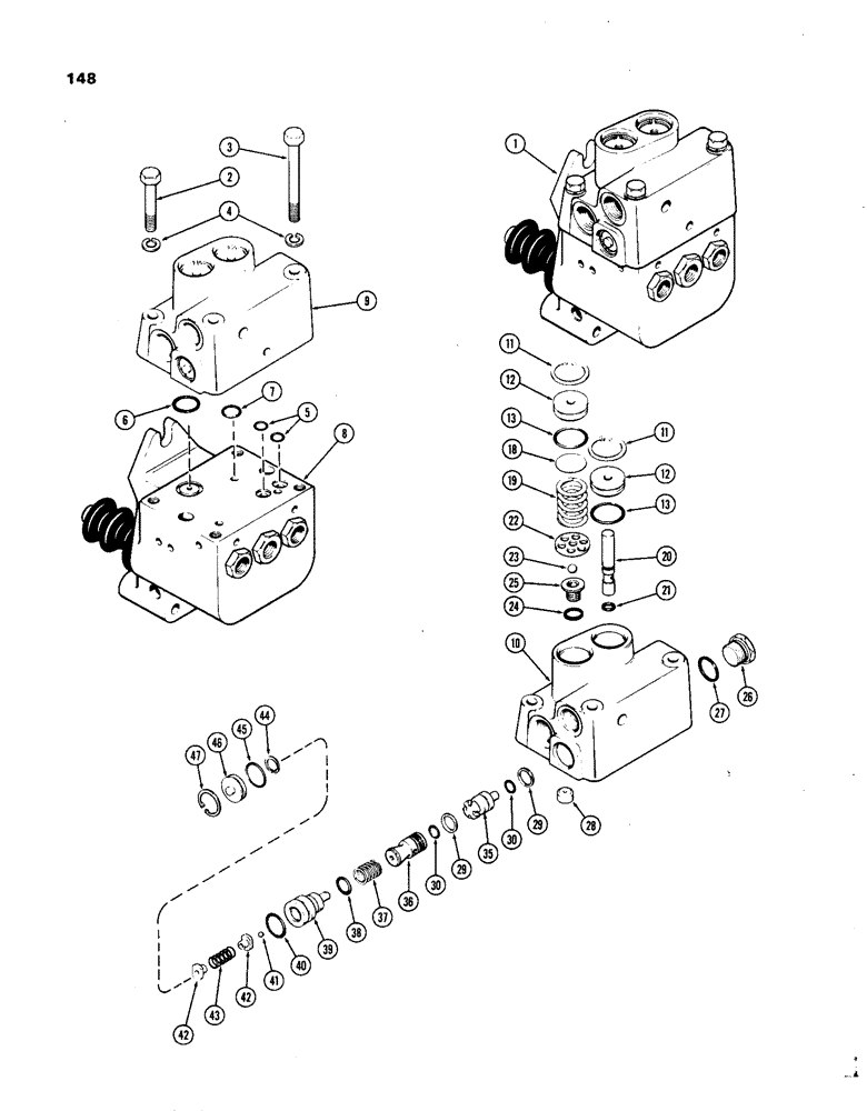
1

A65727

VALVE

ASSY. - power assist brake (Replaces A64920), Includes: Ref. 2 - 47

1шт.

2

13-532

BOLT,Hex, 5/16" - 18 x 2", Gr 5

Cover to master cyl. Hex, 5/16"-18 x 2", G5

2шт.

3

13-552

BOLT,Hex, 5/16" - 18 x 3-1/4", Gr 5

- (5/16 x 3-1/4" N.C. hex.), cover to master cyl.

2шт.

4

92-5

LOCK WASHER,5/16"

4шт.

5

A28090

O-RING,0.301" ID x 0.441" OD x 0.07"

-011, 70 Duro, .301" ID x .070" Thk - Cover

2шт.

Part of power brake valve repair kit P/N A43709

1шт.

6

F10894

O-RING,0.07" Thk x 0.676" ID, -17, Cl 5, 75 Duro

"O" RING - cover (11/16 x 13/16 x 1/16")

1шт.

Part of power brake valve repair kit P/N A43709

1шт.

7

A18414

O-RING,0.07" Thk x 0.489" ID, -14, Cl 5, 75 Duro

"O" RING - cover (1/2 x 5/8 x 1/16")

1шт.

8

A65729

VALVE

ASSY. - master cylinder (See Figure 150 for Repairs)

1шт.

9

A65721

COVER

ASSY. - power brake valve (Replaces A64914), Includes: Ref. 10 - 47

1шт.

10

NSS

NOT SOLD SEPARAT

BODY - power brake valve cover (Order A64914)

1шт.

11

A36277

SNAP RING,1.125", Int, #112

pressure relief plug 1.125", Int, #112

2шт.

12

A59981

PLUG

- pressure relief

2шт.

13

A58602

O-RING,0.103" Thk x 0.924" ID, -119, Cl 5, 75 Duro

"O" RING - pressure relief plug

2шт.

Part of power brake valve repair kit P/N A43709

1шт.

18

A60655

SHIM,.010" Thk

(1-1/10" OD x 1/100" width) .010" Thk

1шт.

19

A59980

SPRING

- pressure relief (1-1/5" free length)

1шт.

20

A62836

INSERT

LIMITER - flow pressure

1шт.

21

A27358

O-RING,0.07" Thk x 0.239" ID, -10, Cl 5, 75 Duro

"O" RING - (1/4 x 3/8 x 1/16")

1шт.

22

A59979

WASHER

- (1/4 x 3/8 x 1/16")

1шт.

22

A59979

WASHER

- pressure relief

1шт.

23

211-9

BALL,5/16" Dia

- (.). pressure relief 5/16" Dia

1шт.

24

A18414

O-RING,0.07" Thk x 0.489" ID, -14, Cl 5, 75 Duro

"O" RING - pressure relief seat (1/2 x 5/8 x 1/16")

1шт.

Part of power brake valve repair kit P/N A43709

1шт.

25

A62433

SEAT

- pressure relief

1шт.

26

A64917

PLUG

ASSY. - pressure regulator, Includes: Ref. 27

1шт.

28

A59969

PLUG

- orifice, valve cover

1шт.

29

A59951

RING

- seal, pressure regulating spool & piston

2шт.

Part of power brake valve repair kit P/N A43709

1шт.

30

A28090

O-RING,0.301" ID x 0.441" OD x 0.07"

-011, 70 Duro, .301" ID x .070" Thk - Spool

2шт.

Part of power brake valve repair kit P/N A43709

1шт.

35

A59977

PISTON

- pressure regulating

1шт.

36

A62833

SPOOL

- pressure regulating

1шт.

37

A59975

SPRING

- pressure control

1шт.

38

A29197

O-RING,0.424" ID x 0.63" OD x 0.103"

"O" RING - pressure release spool (7/16 x 5/8 x 3/32")

1шт.

Part of power brake valve repair kit P/N A43709

1шт.

39

A60650

SPOOL

- pressure release

1шт.

40

F62114

O-RING,0.103" Thk x 0.674" ID, -115, Cl 5, 75 Duro

"O" RING - press. release spool (11/16 x 3/4 x 3/32")

1шт.

Part of power brake valve repair kit P/N A43709

1шт.

41

211-4

BALL

- (5/32" dia.), pressure release spool

1шт.

42

A64916

WASHER

- pressure control spring

2шт.

43

A65039

SPRING

- pressure control (Replaces A60651)

1шт.

44

A59973

SNAP RING,0.50", Int, #50

Ring, Snap, , washer 0.50", Int, #50

1шт.

45

D32114

O-RING,0.75" ID x 0.875" OD

"O" RING - pressure control plug (3/4 x 7/8 x 1/16")

1шт.

Part of power brake valve repair kit P/N A43709

1шт.

46

A60652

PLUG

- pressure control

1шт.

47

D28157

SNAP RING,0.875", Int, #87

Ring, Snap, , pressure control plug 0.875", Int, #87

1шт.

A43709

SEAL

KIT - repair, power brake valve, (Not Illust.) Includes: Ref. 5, 6, 7, 13, 21, 24, 27, 29, 30, 38, 40 and 45

1шт.

27

218-5006

O-RING,0.087" Thk x 0.644" ID, -908, Cl 6, 90 Duro

"O" RING - (41/64 x 13/16 x 3/32")

1шт.

Выбрано товаров: 50