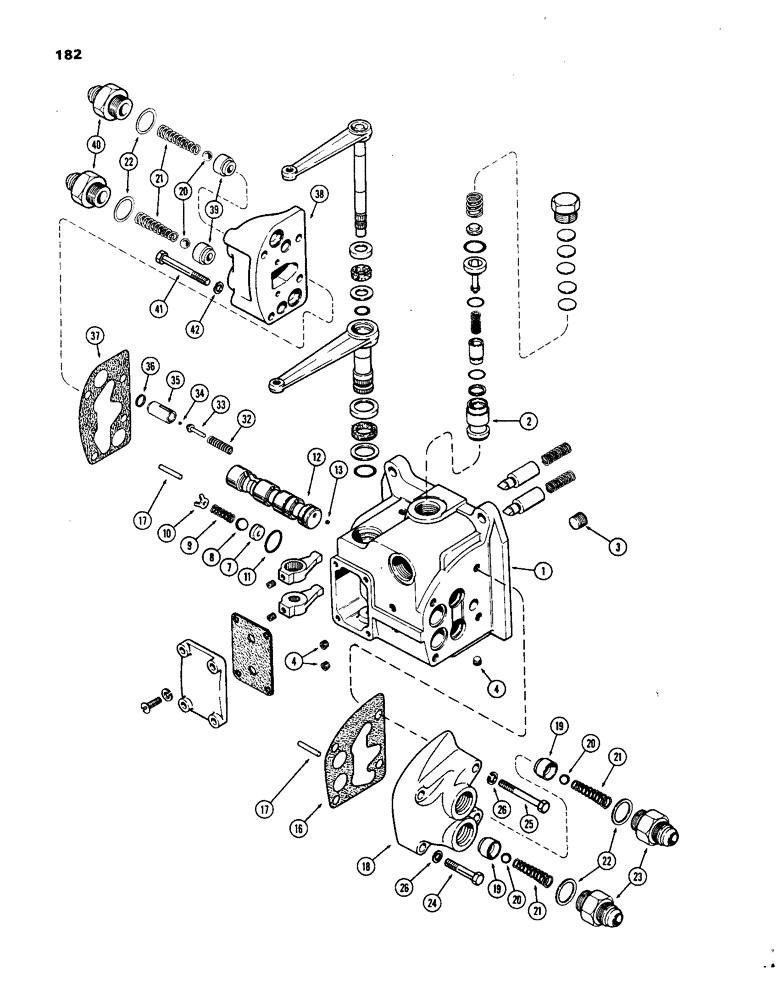
Запчасти Case IH 1270 (182) - A66726 HYDRAULIC CONTROL VALVE, RIGHT HAND STANDARD (08) - HYDRAULICS

Схема запчастей Case IH 1270 - (182) - A66726 HYDRAULIC CONTROL VALVE, RIGHT HAND STANDARD (08) - HYDRAULICS
4
21
20
37
26
33
20
25
36
22
17
4
19
11
26
40
42
16
7
21
17
38
23
18
20
32
34
35
41
10
39
9
3
21
19
12
2
1
22
24
8
13
FIT
1:1
100%

Артикул

Название

Примечание

Количество

A66726

VALVE

ASSY. - remote (Replaces A63534 & A66467), Includes: Ref. 2 - 42 and 47 - 90 on fig. 183A

1шт.

1

A66727

BODY

ASSY. - valve (Replaces A76472), Includes: Ref. 3 - 5

1шт.

2

A57536

SLEEVE

- pilot relief valve

1шт.

3

221-843

PLUG,Hex Soc, 3/8"-18

- pipe, 3/8" hex. socket

1шт.

4

221-849

PLUG,Hex Soc, 1/8"-27

- pipe (1/8" hex. socket)

3шт.

7

A57537

SEAT

- ball check

4шт.

8

211-15

BALL,5/8" Dia

- steel (.) 5/8" Dia

4шт.

9

A27452

SPRING

- check (1/2" O.D. x 1-1/8" free length)

4шт.

Part of Seal Kit, P/N A43086

1шт.

10

A27364

GUIDE

- ball check spring, Includes: Ref. 11

4шт.

11

A64434

O-RING,0.93" ID x 1.142" x 0.106"

"O" RING - (15/16 x 1-1/8 x 3/32") (Replaces A58602)

4шт.

12

A66469

SPOOL

ASSY. - hydraulic valve

2шт.

13

211-5

BALL,3/16" Dia

- steel (.) 3/16" Dia

1шт.

16

A57560

GASKET

- front valve head

1шт.

17

A57559

SPOOL

- auxiliary

4шт.

18

A57564

VALVE

HEAD ASSY. - front, Includes: Ref. 19

1шт.

19

NSS

NOT SOLD SEPARAT

SEAT - ball

2шт.

20

211-13

BALL,1/2" Dia

- return (chrome steel) 1/2" Dia

4шт.

21

A66473

SPRING

- check

4шт.

22

218-5008

O-RING,0.116" Thk x 0.924" ID, -912, Cl 6, 90 Duro

"O" RING - (3/4 x 59/64 x 1/8")

4шт.

23

A64708

FITTING

- valve outlet

2шт.

24

13-628

BOLT,Hex, 3/8" - 16 x 1-3/4", Gr 5

2шт.

25

13-640

BOLT,Hex, 3/8" - 16 x 2-1/2", Gr 5

- (3/8 x 2-1/2" N.C. hex.)

2шт.

26

92-6

LOCK WASHER,3/8"

4шт.

32

A57396

SPRING

- relief valve ball (21/64" x 1-1/8" free length)

2шт.

33

A62272

GUIDE

- valve ball

2шт.

34

211-3

BALL,1/8" Dia

- steel (.) 1/8" Dia

2шт.

35

A62273

SEAT

- valve

2шт.

36

A27891

O-RING,0.103" Thk x 0.362" ID, -110, Cl 5, 75 Duro

"O" RING - valve (3/8 x 9/16 x 3/32")

2шт.

37

A57561

GASKET

- valve head, rear

1шт.

38

A57565

VALVE

HEAD ASSY. - rear

1шт.

39

NSS

NOT SOLD SEPARAT

SEAT - ball

2шт.

40

A64708

FITTING

- outlet

2шт.

41

13-644

BOLT,Hex, 3/8" - 16 x 2-3/4", Gr 5

- (3/8 x 2-3/4" N.C. hex.)

4шт.

42

92-6

LOCK WASHER,3/8"

4шт.

Выбрано товаров: 35