Запчасти Case IH 1270 (202) - A66467 HYDRAULIC CONTROL VALVE, LEFT HAND OPTIONAL VARIABLE (08) - HYDRAULICS

Схема запчастей Case IH 1270 - (202) - A66467 HYDRAULIC CONTROL VALVE, LEFT HAND OPTIONAL VARIABLE (08) - HYDRAULICS
37
20
36
33
21
25
21
22
24
23
41
8
38
20
40
35
26
6
4
42
18
32
34
4
3
26
11
17
7
17
16
2
22
19
5
39
9
10
FIT
1:1
100%

Артикул

Название

Примечание

Количество

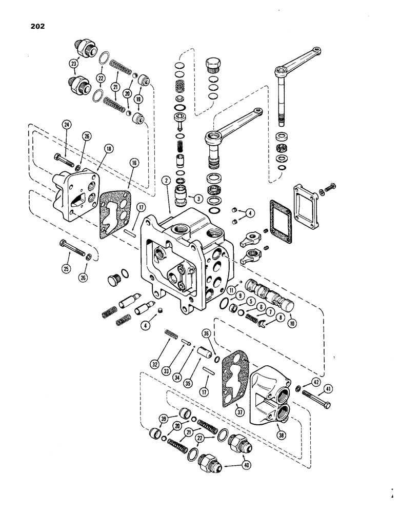
A66467

VALVE

ASSY. - remote (Order A66726 Figure 200), Includes: Ref. 2 - 42 and 47 - 90 on Fig. 203A

1шт.

2

A76472

BODY

ASSY. - valve (Order A66727 Figure 200), Includes: Ref. 3 - 5

1шт.

3

A57536

SLEEVE

- pilot relief

1шт.

4

221-849

PLUG,Hex Soc, 1/8"-27

- pipe (1/8" socket hd.)

1шт.

5

A57537

SEAT

- ball

4шт.

6

211-15

BALL,5/8" Dia

- steel (.) 5/8" Dia

4шт.

7

A27452

SPRING

- check, outlet (1/2" O.D. x 1-1/8" free length)

4шт.

8

A27364

GUIDE

- spring

4шт.

9

A64434

O-RING,0.93" ID x 1.142" x 0.106"

"O" RING - (15/16 x 1-1/8 x 3/32")

4шт.

Part of Seal Kit, P/N A43086

1шт.

10

A66469

SPOOL

ASSY. - hydraulic valve, Includes: Ref. 11

2шт.

11

211-5

BALL,3/16" Dia

- steel (.) 3/16" Dia

1шт.

16

A57560

GASKET

- valve head, rear

1шт.

Part of Seal Kit, P/N A43086

1шт.

17

A57559

SPOOL

- auxiliary

4шт.

18

A57564

VALVE

HEAD ASSY. - rear, Includes: Ref. 19

1шт.

19

NSS

NOT SOLD SEPARAT

SEAT - ball

2шт.

20

211-13

BALL,1/2" Dia

- return (chrome steel) 1/2" Dia

4шт.

21

A66473

SPRING

- check, return ball

4шт.

22

218-5008

O-RING,0.116" Thk x 0.924" ID, -912, Cl 6, 90 Duro

"O" RING - (3/4 x 59/64 x 1/8")

4шт.

Part of Seal Kit, P/N A43086

1шт.

23

A64708

FITTING

- valve outlet

2шт.

24

13-628

BOLT,Hex, 3/8" - 16 x 1-3/4", Gr 5

2шт.

25

13-640

BOLT,Hex, 3/8" - 16 x 2-1/2", Gr 5

- (3/8 x 2-1/2" N.C. hex.)

2шт.

26

92-6

LOCK WASHER,3/8"

4шт.

32

A57396

SPRING

- ball, relief valve (21/64" x 1-1/8" free length)

2шт.

33

A62272

GUIDE

- ball, relief valve

2шт.

34

211-3

BALL,1/8" Dia

- steel (.) 1/8" Dia

2шт.

35

A62273

SEAT

- check valve

2шт.

36

A27891

O-RING,0.103" Thk x 0.362" ID, -110, Cl 5, 75 Duro

"O" RING - valve (3/8 x 9/16 x 3/32")

2шт.

Part of Seal Kit, P/N A43086

1шт.

37

A57561

GASKET

- valve head, front

1шт.

Part of Seal Kit, P/N A43086

1шт.

38

A57565

VALVE

HEAD ASSY. - front, Includes: Ref. 39

1шт.

39

NSS

NOT SOLD SEPARAT

SEAT - ball

2шт.

40

A64708

FITTING

- valve outlet

2шт.

41

13-644

BOLT,Hex, 3/8" - 16 x 2-3/4", Gr 5

- (3/8 x 2-3/4" N.C. hex.)

4шт.

42

92-6

LOCK WASHER,3/8"

4шт.

Выбрано товаров: 0