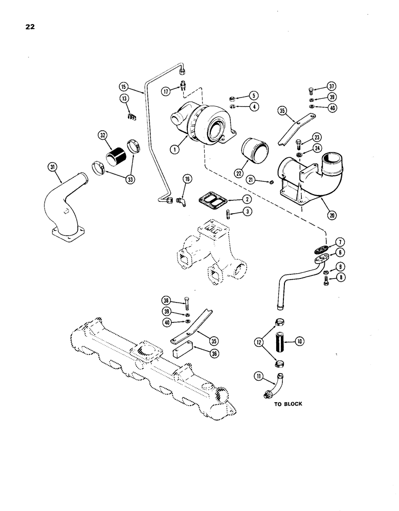
Запчасти Case IH 1270 (022) - TURBO-CHARGER SYSTEM, 451 BDT, DIESEL ENGINE (02) - ENGINE

Схема запчастей Case IH 1270 - (022) - TURBO-CHARGER SYSTEM, 451 BDT, DIESEL ENGINE (02) - ENGINE
16
38
20
17
2
21
15
23
24
35
4
37
8
31
6
40
5
10
11
9
32
3
12
35
39
13
39
7
40
1
36
22
33
FIT
1:1
100%

Артикул

Название

Примечание

Количество

1

REF

INSTRUCTION

TURBO-CHARGER (See Figure 023A & 023C)

1шт.

2

A58899

GASKET,0.45mm Thk

-, Serial Range: turbo-charger-manifold

1шт.

3

G11204

STUD

- 3/8" N.C. x 1-1/2"

4шт.

4

92-6

LOCK WASHER,3/8"

4шт.

5

131-903

NUT,3/8"-16

NUT - 3/8" N.C. hex

4шт.

6

A62518

TUBE

ASSY. - oil drain

1шт.

7

A58892

GASKET,1.59mm Thk

- oil drain tube

1шт.

8

13-616

BOLT,Hex, 3/8" - 16 x 1", Gr 5, Full Thd

2шт.

9

92-6

LOCK WASHER,3/8"

2шт.

10

A58893

HOSE

-, Serial Range: drain-fitting

1шт.

11

A58897

FITTING

- drain

1шт.

12

214-256

HOSE CLAMP,#20, 0.81" - 1.75", Type F Worm

CLAMP - hose, 1-3/16 to 1-3/4"

2шт.

13

49845

CLAMP

CLIP - oil supply tube

1шт.

15

A64375

TUBE

- oil supply

1шт.

16

222-4048

ELBOW,90º, 5/8"-24 Fem x 3/8"-18 NPTF

- 3/8" tube, 3/8" P.T., 90 deg.

1шт.

17

222-4027

HYD CONNECTOR,5/8"-24 x 1/4" NPTF

CONNECTOR - 3/8" tube, 1/4" P.T.

1шт.

20

A61265

ELBOW

- exhaust, turbocharger

1шт.

21

222-12

FITTING,7/16"-24 Inv Fl x 1/8" NPT Fem

PLUG - elbow, 1/4" sq. hd. pipe

1шт.

22

A65554

TUBE

CONNECTOR - exhaust elbow (Replaces A58896)

1шт.

23

13-620

BOLT,Hex, 3/8" - 16 x 1-1/4", Gr 5, Full Thd

4шт.

24

92-6

LOCK WASHER,3/8"

4шт.

31

A58903

ELBOW UNION

ELBOW - air intake, turbo-charger

1шт.

32

A58894

HOSE

- air intake elbow

1шт.

33

214-258

HOSE CLAMP,#28, 1.31" - 2.25", Type F Worm

2шт.

35

A61944

BRACE

-, Serial Range: elbow-manifold

1шт.

36

A61945

SPACER

-, Serial Range: brace-manifold

1шт.

37

13-616

BOLT,Hex, 3/8" - 16 x 1", Gr 5, Full Thd

2шт.

38

13-640

BOLT,Hex, 3/8" - 16 x 2-1/2", Gr 5

- 3/8 x 2-1/2" N.C. hex

2шт.

39

92-6

LOCK WASHER,3/8"

4шт.

40

95-6

WASHER,3/8"

- 7/16 x 1 x 5/64"

4шт.

Выбрано товаров: 30