Запчасти Case IH 1270 (304) - CAB, AIR CONDITIONER, LOWER, FIRST USED CAB SERIAL NUMBER 7814176 (09) - CHASSIS/ATTACHMENTS

Схема запчастей Case IH 1270 - (304) - CAB, AIR CONDITIONER, LOWER, FIRST USED CAB SERIAL NUMBER 7814176 (09) - CHASSIS/ATTACHMENTS
24
11
6
22
2
10
13
14
33
8
22
5
32
34
26
9
35
31
20
6
21
4
7
25
10
5
30
23
1
12
FIT
1:1
100%

Артикул

Название

Примечание

Количество

1

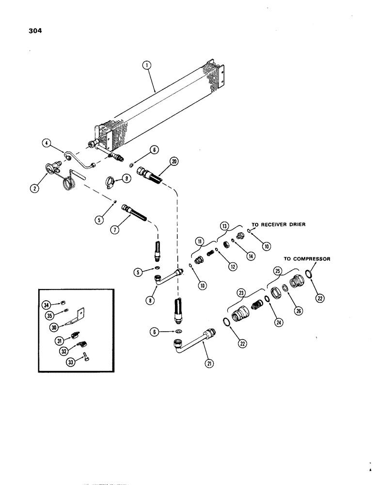
F63646

EVAPORATOR

- air conditioner evaporation

1шт.

2

F63726

VALVE

- expansion

1шт.

4

F63727

TUBE

- equalizer

1шт.

5

222-993

GASKET,3/8 Tube, Fl, Copper

(#6) 3/8 Tube, Fl, Copper

2шт.

6

222-995

SEALING WASHER,15.88mm ID

- 45 Deg., #10 copper

2шт.

7

F63753

HOSE

- high side (75-1/2")

1шт.

8

F63668

TUBE,0.38" OD x 9.25" L

- high side hose to coupling

1шт.

9

214-253

HOSE CLAMP,#10, 0.56" - 1.06", Type F Worm

CLAMP - valve tube to core (9/16" to 1-1/16")

2шт.

10

A61195

O-RING,0.364" ID x 0.5" OD

"O" RING - coupling (23/64 x 1/2 x 1/16")

2шт.

11

A42663

COUPLING,1/2" - 20 NPT

COUPLING ASSY. - cab, Includes: Ref. 12

1шт.

12

A42665

O-RING,0.239" ID x 0.375" OD x 0.07"

"O" RING - coupling piston

1шт.

13

A61196

COUPLING, BREAK AWAY

COUPLING ASSY. - tractor, Includes: Ref. 14

1шт.

14

A42667

GASKET

- coupling

1шт.

20

F63754

HOSE

- low side (78-5/16")

1шт.

21

F63380

TUBE

-, Serial Range: hose-coupling

1шт.

22

A61197

O-RING,1.78mm Thk x 27mm ID

"O" RING - coupling (1-3/4 x 1-13/16 x 1/16")

2шт.

23

A42664

COUPLING, BREAK AWAY

COUPLING - cab, Includes: Ref. 24

1шт.

24

A42666

O-RING,0.737" ID x 0.943" OD x 0.103"

"O" RING - coupling piston

1шт.

25

A61194

COUPLING, BREAK AWAY

COUPLING - tractor half, Includes: Ref. 26

1шт.

26

A42668

GASKET

- coupling

1шт.

30

A64398

BRACKET

- tube clamps to cab corner

1шт.

31

515-23159

CLAMP,5/8", Insul, 3/8" Bolt

- tube (5/8" tube)

1шт.

32

49845

CLAMP

- tube (3/8" tube)

1шт.

33

13-614

BOLT,Hex, 3/8" - 16 x 7/8", Gr 5, Full Thd

1шт.

34

25-106

NUT,3/8"-16, G5

- (3/8" N.C. hex.)

1шт.

35

92-6

LOCK WASHER,3/8"

1шт.

Выбрано товаров: 0