Запчасти Case IH 1270 (326) - AIR CONDITIONER, HOSES AND TUBES, FIRST USED CAB SERIAL NUMBER 7814176 (09) - CHASSIS/ATTACHMENTS

Схема запчастей Case IH 1270 - (326) - AIR CONDITIONER, HOSES AND TUBES, FIRST USED CAB SERIAL NUMBER 7814176 (09) - CHASSIS/ATTACHMENTS
54
40
9
39
5
37
60
7
34
1
55
25
14
52
3
53
12
28
53
26
32
56
6
30
35
51
14
47
20
2
33
36
42
49
23
48
29
38
50
27
51
24
10
13
15
31
41
57
14
4
54
8
20
22
52
11
21
14
FIT
1:1
100%

Артикул

Название

Примечание

Количество

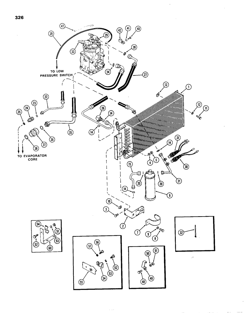
1

A66247

CONDENSER

COIL - condenser

1шт.

2

A66252

BRACKET

- receiver dryer mtg.

1шт.

3

13-48

BOLT,Hex, 1/4" - 20 x 1/2", Gr 5

4шт.

4

92-4

LOCK WASHER,1/4"

WASHER, LOCK, 1/4"

4шт.

5

25-104

NUT,1/4"-20, G5

4шт.

6

A61688

TANK

RECEIVER-DRYER

1шт.

7

A61193

CLAMP

- receiver dryer mtg. bracket

1шт.

8

13-516

BOLT,Hex, 5/16" - 18 x 1", Gr 5

Dryer clamp to bracket Hex, 5/16"-18 x 1", G5, Full Thd

1шт.

9

92-5

LOCK WASHER,5/16"

1шт.

10

131-137

SPRING NUT,Ret, 5/16"-18

Tinnerman Ret, 5/16"-18

1шт.

11

13-612

BOLT,Hex, 3/8" - 16 x 3/4", Gr 5, Full Thd

4шт.

12

92-6

LOCK WASHER,3/8"

4шт.

13

131-133

NUT,Ret, 3/8"-16

Speed grip Ret, 3/8"-16

4шт.

14

222-993

GASKET,3/8 Tube, Fl, Copper

4шт.

15

A66250

TUBE

- condenser to receiver dryer

1шт.

20

A61198

O-RING,0.07" Thk x 0.301" ID, -11

"O" RING - receiver dryer (5/16 x 7/16 x 1/16")

2шт.

21

A65792

TUBE

- switch mtg.

1шт.

22

A66251

HOSE

- cab to receiver dryer

1шт.

23

A61197

O-RING,1.78mm Thk x 27mm ID

"O" RING - coupling packing (1-3/64 x 1-3/16 x 1/16")

1шт.

24

A61196

COUPLING, BREAK AWAY

COUPLING ASSY. - tractor hose, Includes: Ref. 25

1шт.

25

A42667

GASKET

"O" RING - coupling

1шт.

26

222-1927

FITTING

ELBOW - 90 Deg. w/swivel nut (3/8" tube)

1шт.

27

A66249

A/C HOSE

HOSE -, Serial Range: condenser-compressor

1шт.

28

222-994

GASKET,1/2 Tube, Fl, Copper

- copper, 45 Deg. flare (1/2" tube)

1шт.

29

A42936

VALVE

ASSY. - rotolock, discharge (See Figure 332)

1шт.

30

A65779

SWITCH

- high pressure cut-out

1шт.

31

A65785

SWITCH

- low pressure cut-out

1шт.

32

L11541

CABLE TIE,203.2mm L, Nylon

STRAP -, Serial Range: hose-tube

4шт.

33

A42937

VALVE

ASSY. - rotolock, suction (See Figure 332)

1шт.

34

222-995

SEALING WASHER,15.88mm ID

- copper, 45 Deg. flare (5/8" tube)

1шт.

35

A66256

HOSE

-, Serial Range: cab-compressor

1шт.

36

A61195

O-RING,0.364" ID x 0.5" OD

PACKING - "O" ring (1/2 x 23/64 x 1/16")

1шт.

37

A61194

COUPLING, BREAK AWAY

COUPLING ASSY. - tractor tube, Includes: Ref. 38

1шт.

38

A42668

GASKET

- coupling

1шт.

39

A61755

ELECTRICAL WIRE

WIRE - low pressure switch to clutch (36")

1шт.

40

13-612

BOLT,Hex, 3/8" - 16 x 3/4", Gr 5, Full Thd

- (3/8 x 7/8" N.C. hex.)

1шт.

41

92-6

LOCK WASHER,3/8"

1шт.

42

A7922

CLIP

- clutch wire

1шт.

47

A62053

HARNESS

LOOM - clutch wire

1шт.

48

13-48

BOLT,Hex, 1/4" - 20 x 1/2", Gr 5

1шт.

49

A66257

CLIP

- hose & tube support to radiator support

1шт.

50

92-4

LOCK WASHER,1/4"

WASHER, LOCK, 1/4"

1шт.

51

25-104

NUT,1/4"-20, G5

2шт.

52

13-48

BOLT,Hex, 1/4" - 20 x 1/2", Gr 5

2шт.

53

92-4

LOCK WASHER,1/4"

WASHER, LOCK, 1/4"

2шт.

54

A65787

CLIP

- hose support, Serial Range: (3/4"-1-1/8")

2шт.

55

A64397

BRACKET

- air cond. tube to handle mtg. brkt.

1шт.

56

13-612

BOLT,Hex, 3/8" - 16 x 3/4", Gr 5, Full Thd

1шт.

57

92-6

LOCK WASHER,3/8"

1шт.

60

A64154

BRACKET

- hose clip

1шт.

Выбрано товаров: 0