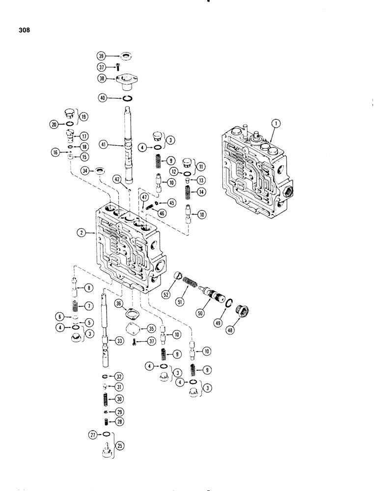
Запчасти Case IH 1270 (308) - A148160 TRANSMISSION VALVE (06) - POWER TRAIN

Схема запчастей Case IH 1270 - (308) - A148160 TRANSMISSION VALVE (06) - POWER TRAIN
2
16
3
3
29
11
37
34
10
4
35
41
4
40
6
9
1
30
10
3
46
9
10
51
38
15
45
42
13
32
49
33
20
9
17
5
48
12
36
50
8
47
4
7
14
10
25
19
28
31
27
3
37
4
52
18
39
FIT
1:1
100%

Артикул

Название

Примечание

Количество

1

A148160

VALVE

ASSEMBLY - transmission control, Includes Ref: 2-52

1шт.

2

NSS

NOT SOLD SEPARAT

BODY - valve (Order A66707)

1шт.

3

A62564

PLUG

ASSEMBLY - pilot spool and pressure regulator, Includes Ref: 4

4шт.

5

A37554

SHIM,.0269" Thk

Pressure regulator .0269" Thk

1шт.

6

A37555

SHIM,.0120" Thk

Pressure regulator .0120" Thk

1шт.

7

A58436

SPRING

- regulator (1-3/8" free length)

1шт.

8

A146644

SPOOL

PLUNGER - pressure regulator

1шт.

9

A58271

SPRING

- return, pilot spool (1-49/64" free length)

3шт.

10

A146590

SPOOL

- pilot

4шт.

11

A62641

PLUG

ASSEMBLY - pilot spool bore, Includes Ref: 12

1шт.

13

A62640

STOP

- pilot spool

1шт.

14

A66692

SPRING

- return, pilot spool (1-23/32" free length)

1шт.

15

A58441

SEAT

- shuttle valve ball

1шт.

16

211-7

BALL,1/4" Dia

(chrome steel) shuttle valve 1/4" Dia

1шт.

17

A154804

SLEEVE

- shuttle valve

1шт.

18

A27410

O-RING,0.487" ID x 0.693" OD x 0.103"

- (3/32 x 1/2 x 11/16") shuttle valve sleeve

1шт.

Part of Seal Kit P/N A42885

1шт.

19

86512512

PLUG,7/8" - 14 ORB

Assy, Shuttle valve bore, Incl. Ref 20 Hex Hd, 7/8"-14 ORB

1шт.

20

237-6010

O-RING,0.097" Thk x 0.755" ID, -910, Cl 6, 90 Duro

- (3/4 x 5/8 x 3/32")

1шт.

Part of Seal Kit P/N A42885

1шт.

A42887

KIT

- clutch modulator, Includes Ref: 25-31

1шт.

25

A61985

PLUG

- modulator, Includes Ref: 27

1шт.

27

237-6010

O-RING,0.097" Thk x 0.755" ID, -910, Cl 6, 90 Duro

- plug (3/4 x 5/8 x 3/32")

1шт.

Part of Seal Kit P/N A42885

1шт.

28

A61988

SPRING

- clutch modulator, secondary (1-43/64" free length)

1шт.

29

A61989

WASHER,4.95mm ID x 9.27mm OD x 1.02mm Thk

- spring guide

1шт.

A60155

SPRING

POINT AND SPRING ASSEMBLY - clutch modulator, Includes Ref: 30, 31

1шт.

30

NSS

NOT SOLD SEPARAT

SPRING - modulator, primary (1-39/64" free length)

1шт.

31

NSS

NOT SOLD SEPARAT

POINT - modulator

1шт.

32

G46176

SNAP RING,#56, Ext

Ring, Snap, , clutch control spool #56, Ext

1шт.

33

A62636

SPOOL

- clutch control

1шт.

34

A37558

SEAL,14.27mm ID x 28.7mm OD x 6.73mm Thk

- clutch control spool

1шт.

Part of Seal Kit P/N A42885

1шт.

35

A58429

COVER

- selector, spool bore

1шт.

36

A66110

GASKET

- selector, bore cover

1шт.

Part of Seal Kit P/N A42885

1шт.

37

61-412

HEX SOC SCREW,1/4"-20 x 3/4"

- cap (1/4 x 3/4" NC hex socket head)

4шт.

38

A62839

SLEEVE

- selector spool

1шт.

39

A50421

OIL SEAL,19.05mm ID x 31.95mm OD x 6.73mm Thk

- oil, selector spool

1шт.

Part of Seal Kit P/N A42885

1шт.

40

A59066

O-RING,1.239" ID x 1.379" OD

- (1-1/4 x 1-3/16 x 1/16")bore cover

1шт.

Part of Seal Kit P/N A42885

1шт.

41

A60550

SPOOL

ASSEMBLY - selector, Includes Ref: 42

1шт.

42

NSS

NOT SOLD SEPARAT

BALL - (9/32" diameter chrome steel) (Order A60550)

1шт.

45

A58439

RETAINER

- retard check spring

2шт.

46

A58438

SPRING

- retard check (15/16" free length)

2шт.

47

211-8

BALL,9/32" Dia

chrome steel 9/32" Dia

2шт.

48

A63293

BUSHING

- reducer, O-ring boss to reverse lock out

1шт.

49

218-5008

O-RING,0.116" Thk x 0.924" ID, -912, Cl 6, 90 Duro

- bushing (59/64 x 3/4 x 7/64")

1шт.

Part of Seal Kit P/N A42885

1шт.

50

A146637

SPOOL

- reverse lock out

1шт.

51

A58432

SPRING

- reverse lock out

1шт.

52

A61033

SLEEVE

- stop, reverse lock out spool

1шт.

A42885

SEAL KIT

- seal, Includes: Ref. 4, 12, 18, 20, 27, 34, 36, 39, 40 and 49

1шт.

4

218-5006

O-RING,0.087" Thk x 0.644" ID, -908, Cl 6, 90 Duro

- plug (41/64 x 1/2 x 5/64")

1шт.

Part of Seal Kit P/N A42885

1шт.

12

218-5006

O-RING,0.087" Thk x 0.644" ID, -908, Cl 6, 90 Duro

- (41/64 x 1/2 x 5/64")

1шт.

Part of Seal Kit P/N A42885

1шт.

Выбрано товаров: 58