Запчасти Case IH 1270 (326) - RIGHT HAND REMOTE VALVE TUBES AND COUPLINGS, STANDARD COUPLING, USED PRIOR TO P.I.N. 8770001 (08) - HYDRAULICS

Схема запчастей Case IH 1270 - (326) - RIGHT HAND REMOTE VALVE TUBES AND COUPLINGS, STANDARD COUPLING, USED PRIOR TO P.I.N. 8770001 (08) - HYDRAULICS
19
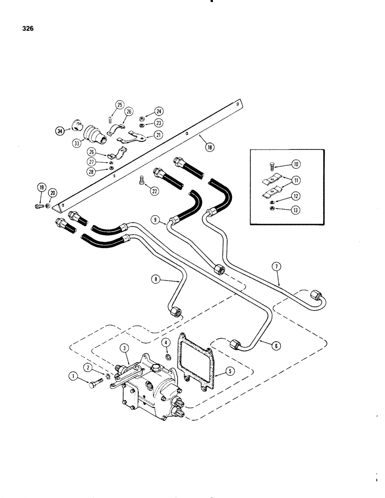
1
9
20
24
7
26
6
22
8
33
34
27
11
10
26
23
25
28
18
3
5
12
21
2
4
13
FIT
1:1
100%

Артикул

Название

Примечание

Количество

1

13-828

BOLT,Hex, 1/2" - 13 x 1-3/4", Gr 5

- (1/2 x 1-3/4" N.C. hex.)

4шт.

2

92-8

LOCK WASHER,1/2"

4шт.

3

REF

INSTRUCTION

VALVE ASSEMBLY - R.H. remote hyd. control, See Figure: 330

1шт.

4

A32348

GASKET,16.54mm ID x 23.29mm OD x 3.5mm Thk

GASKET - valve port

1шт.

5

A34138

GASKET

- valve to trans. case

1шт.

6

A65604

TUBE

- remote, upper front

1шт.

7

A66318

TUBE

- remote, lower front

1шт.

8

A65606

TUBE

- remote, upper rear

1шт.

9

A66320

TUBE

- remote, lower rear

1шт.

10

13-514

BOLT,Hex, 5/16" - 18 x 7/8", Gr 5

2шт.

11

A63323

CLAMP

- remote tubes

4шт.

12

92-5

LOCK WASHER,5/16"

2шт.

13

9635082

NUT,5/16" - 18, Gr 5

- hex. (5/16" N.C.)

2шт.

18

A63537

BRACKET

- mounting, disconnect

1шт.

19

13-206

SCREW

BOLT - (3/8 x 3/4" N.C. hex.), Serial Range: brkt.-platform

4шт.

20

192-21

LOCK WASHER,3/8"

WASHER, LOCK, 3/8"

4шт.

21

A27360

BRACKET

- mounting, breakaway coupling

4шт.

22

13-614

BOLT,Hex, 3/8" - 16 x 7/8", Gr 5, Full Thd

4шт.

23

92-6

LOCK WASHER,3/8"

4шт.

24

131-352

LOCK NUT,3/8"-16, GA

NUT - lock (3/8" N.C. Gripco)

4шт.

25

173-79

SCREW,Sl Rnd Hd, #8 - 32 x 5/8"

- machine (#8-32 x 5/8" N.C. rd. hd.)

8шт.

26

A27423

CLAMP

- mounting, break-away coupling

8шт.

27

192-6

LOCK WASHER,#8

WASHER, LOCK, #8

8шт.

28

129-6

NUT,#8-32

8шт.

33

A28542

COUPLING, QUICK, FEM

COUPLING ASSEMBLY - break-away, See Figure: 400 (See Note)

4шт.

34

A65044

PLUG

- dust, female coupling (black) (upper)

2шт.

34

A65045

PLUG

- dust, female coupling (yellow) (lower)

2шт.

Выбрано товаров: 27