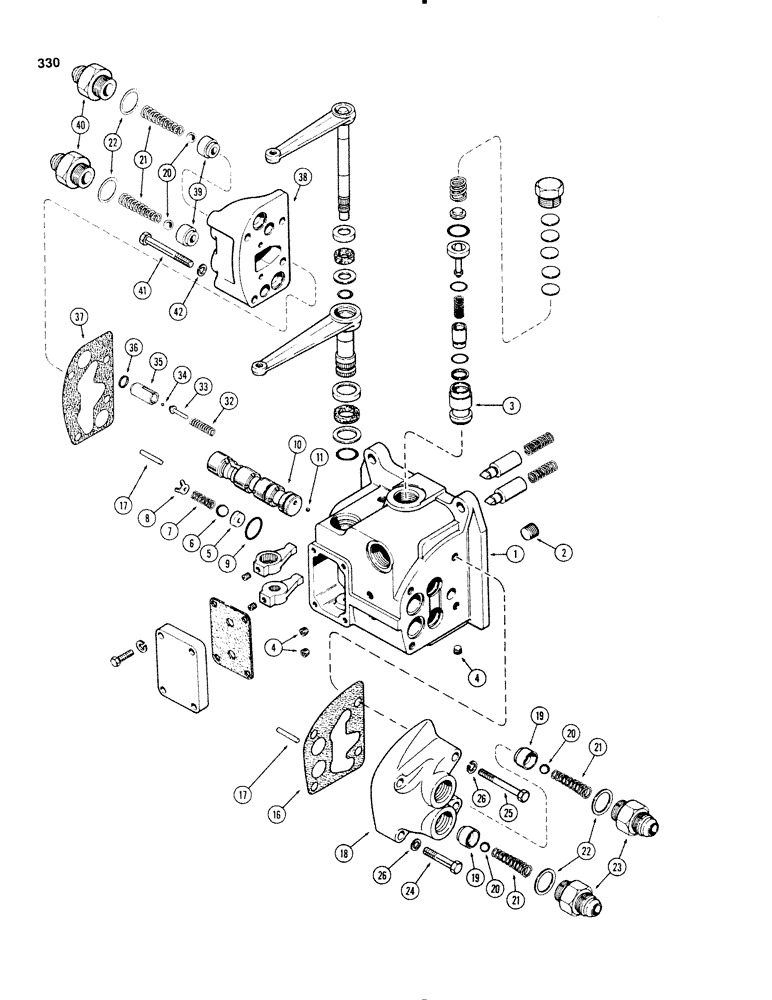
Запчасти Case IH 1270 (330) - A141383 REMOTE HYDRAULIC VALVE, RIGHT HAND, WITH RELIEF VALVE (08) - HYDRAULICS

Схема запчастей Case IH 1270 - (330) - A141383 REMOTE HYDRAULIC VALVE, RIGHT HAND, WITH RELIEF VALVE (08) - HYDRAULICS
6
36
39
19
26
23
2
21
1
40
37
22
22
21
16
11
42
4
41
9
10
20
17
20
35
24
20
18
33
26
19
4
21
8
3
5
34
7
17
25
38
32
FIT
1:1
100%

Артикул

Название

Примечание

Количество

A141383

VALVE

ASSEMBLY - R.H. remote control (Replaces A139215), Includes Ref: 1-42

1шт.

1

A141403

VALVE BODY

BODY ASSEMBLY - hydraulic valve (Replaces A66727), Includes Ref: 2-5

1шт.

2

221-843

PLUG,Hex Soc, 3/8"-18

- pipe (3/8" hex. socket head)

1шт.

3

A57536

SLEEVE

- hydraulic valve pilot relief

1шт.

4

221-849

PLUG,Hex Soc, 1/8"-27

- pipe (1/8" hex. socket)

3шт.

5

A139799

SEAT

- ball check (Replaces A57537)

4шт.

6

211-15

BALL,5/8" Dia

- (.) 5/8" Dia

4шт.

7

A27452

SPRING

- check, hydraulic valve outlet

4шт.

8

A27364

GUIDE

- ball check spring

4шт.

9

A58602

O-RING,0.103" Thk x 0.924" ID, -119, Cl 5, 75 Duro

- (15/16 x 1-1/8 x 3/32"), See kit Figure: 332

4шт.

10

A66469

SPOOL

ASSEMBLY - hydraulic valve, Includes Ref: 11

2шт.

11

211-5

BALL,3/16" Dia

- (.) 3/16" Dia

1шт.

16

A143304

GASKET

- hydraulic valve head, front, See kit Figure: 332

1шт.

17

A57559

SPOOL

- auxiliary

4шт.

18

A57564

VALVE

HEAD ASSEMBLY - hydraulic valve, front, Includes Ref: 19

1шт.

19

NSS

NOT SOLD SEPARAT

SEAT - valve head

2шт.

20

211-13

BALL,1/2" Dia

- return, hydraulic valve 1/2" Dia

4шт.

21

A66473

SPRING

- check, return ball

4шт.

22

218-5008

O-RING,0.116" Thk x 0.924" ID, -912, Cl 6, 90 Duro

- (3/4 x 59/64 x 1/8"), See kit Figure: 332

4шт.

23

A64708

FITTING

- hydraulic valve outlet, front upper & lower

2шт.

24

13-628

BOLT,Hex, 3/8" - 16 x 1-3/4", Gr 5

2шт.

25

13-640

BOLT,Hex, 3/8" - 16 x 2-1/2", Gr 5

- (3/8 x 2-1/2" N.C. hex.)

2шт.

26

92-6

LOCK WASHER,3/8"

4шт.

32

A57396

SPRING

- relief valve ball

2шт.

33

A137594

GUIDE

- thermal valve ball (Replaces A62272)

2шт.

34

211-3

BALL,1/8" Dia

- (.) 1/8" Dia

2шт.

35

A137335

SEAT

- thermal valve (Replaces A62273)

2шт.

36

A27891

O-RING,0.103" Thk x 0.362" ID, -110, Cl 5, 75 Duro

- thermal valve, See kit Figure: 332

2шт.

37

A143303

GASKET

- hydraulic valve head, rear, See kit Figure: 332

1шт.

38

A57565

VALVE

HEAD ASSEMBLY - hydraulic valve, rear, Includes Ref: 39

1шт.

39

NSS

NOT SOLD SEPARAT

SEAT - valve head

2шт.

40

A64708

FITTING

- hydraulic valve outlet, rear, top & bottom

2шт.

41

13-644

BOLT,Hex, 3/8" - 16 x 2-3/4", Gr 5

- (3/8 x 2-3/4" N.C. hex.)

4шт.

42

80680

LOCK WASHER,3/8 0.381 CST ZND

WASHER, LOCK, 3/8"

4шт.

Выбрано товаров: 34