Запчасти Case IH 1270 (026) - MANIFOLDS, (451 BDT) DIESEL ENGINE (02) - ENGINE

Схема запчастей Case IH 1270 - (026) - MANIFOLDS, (451 BDT) DIESEL ENGINE (02) - ENGINE
23
5
7
12
27
24
3
20
14
4
13
26
21
25
22
1
6
2
21
FIT
1:1
100%

Артикул

Название

Примечание

Количество

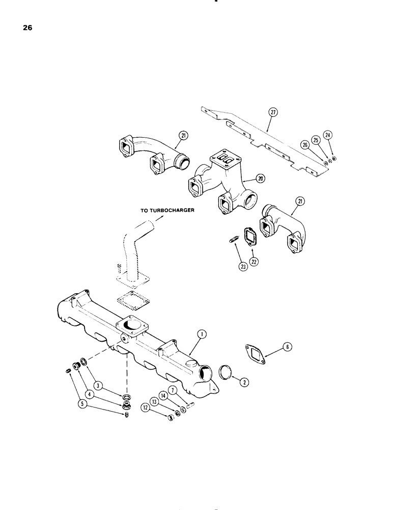
1

A66087

MANIFOLD

ASSEMBLY - intake, Includes Ref: 2-5

1шт.

2

41-1042

PLUG,Cup, 2 5/8"

- cup (2-5/8")

1шт.

3

A20916

MANIFOLD GASKET

GASKET - heater hole plug

2шт.

4

L10283

PLUG

- heater hole

2шт.

5

221-41

PLUG

- pipe (1/8" slotted headless)

2шт.

6

A58662

MANIFOLD GASKET

- intake manifold

6шт.

7

A59077

STUD

- intake manifolds (3/8" N.C. x 1-13/16")

12шт.

12

25-106

NUT,3/8"-16, G5

- 3/8" N.C. hex., intake manifold

12шт.

13

92-6

LOCK WASHER,3/8"

12шт.

14

195-25

WASHER,3/8"

- 13/32 x 13/16 x 1/16" (intake manifold)

12шт.

20

A76322

MANIFOLD

- exhaust, center

1шт.

21

A65917

MANIFOLD

- exhaust, ends

2шт.

22

A58895

GASKET

- exhaust manifold

6шт.

23

A140924

STUD

- exhaust manifold (3/8" N.C. x 2-7/16")

12шт.

24

131-903

NUT,3/8"-16

NUT - 3/8" N.C. hex., Seezpruf, exhaust manifold

12шт.

25

92-6

LOCK WASHER,3/8"

12шт.

26

195-25

WASHER,3/8"

- (13/32 x 13/16 x 1/16")

6шт.

27

A76351

GUARD

SHIELD - heat exhaust manifold

1шт.

Выбрано товаров: 18