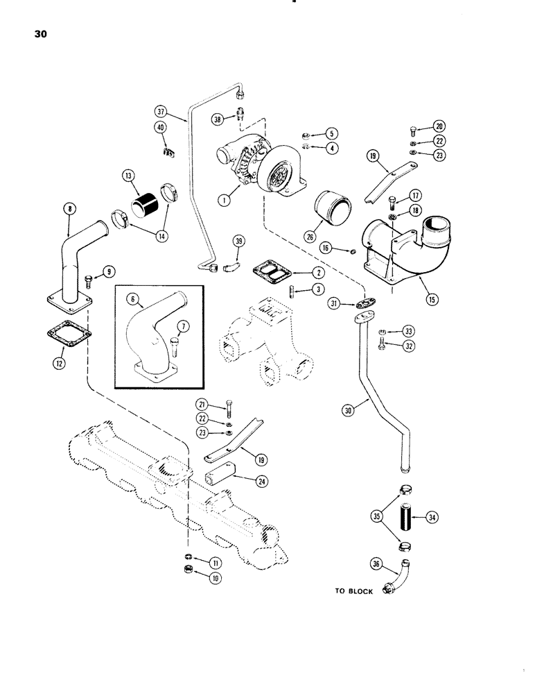
Запчасти Case IH 1270 (030) - TURBO-CHARGER SYSTEM, (451 BDT) DIESEL ENGINE (02) - ENGINE

Схема запчастей Case IH 1270 - (030) - TURBO-CHARGER SYSTEM, (451 BDT) DIESEL ENGINE (02) - ENGINE
34
7
4
35
22
9
3
40
26
19
18
12
2
14
21
17
23
13
39
11
32
22
16
33
10
38
19
36
6
20
5
31
1
23
30
24
37
15
8
FIT
1:1
100%

Артикул

Название

Примечание

Количество

1

REF

INSTRUCTION

TURBO-CHARGER, See Figure: 32, 34

1шт.

2

A58899

GASKET,0.45mm Thk

, Serial Range: Turbo-charger-manifold

1шт.

3

G102128

BOLT

(3/8" N.C. x 1-1/2") (Replaces G11204)

4шт.

4

92-6

LOCK WASHER,3/8"

4шт.

5

131-903

NUT,3/8"-16

Seezpruf

4шт.

6

A58903

ELBOW UNION

Union Elbow Cast (Used prior to eng. S/N 2579516) (Order A150450)

1шт.

7

13-628

BOLT,Hex, 3/8" - 16 x 1-3/4", Gr 5

4шт.

8

A150450

ELBOW

Formed tube (1st used eng. S/N 2579516)

1шт.

9

13-624

BOLT,Hex, 3/8" - 16 x 1-1/2", Gr 5

4шт.

10

25-106

NUT,3/8"-16, G5

4шт.

11

92-6

LOCK WASHER,3/8"

4шт.

12

A58910

GASKET

Air intake elbow

1шт.

13

A150449

INTAKE AIR HOSE,2.00" ID x 2.88"

(Replaces A58894)

1шт.

14

214-260

HOSE CLAMP,#36, 1.81" - 2.75", Type F Worm

2шт.

15

A61265

ELBOW

Exhaust, turbocharger

1шт.

16

221-12

PLUG,Sq Hd, 1/4"-18

Elbow, pipe

1шт.

17

13-620

BOLT,Hex, 3/8" - 16 x 1-1/4", Gr 5, Full Thd

4шт.

18

92-6

LOCK WASHER,3/8"

4шт.

19

A61944

BRACE

, Serial Range: Elbow-manifold

1шт.

20

13-616

BOLT,Hex, 3/8" - 16 x 1", Gr 5, Full Thd

2шт.

21

13-640

BOLT,Hex, 3/8" - 16 x 2-1/2", Gr 5

2шт.

22

92-6

LOCK WASHER,3/8"

4шт.

23

95-6

WASHER,3/8"

(7/16 x 1 x 5/64")

4шт.

24

A67057

SPACER

Brace (Replaces A61945)

1шт.

26

A65554

TUBE

CONNECTOR - exhaust elbow

1шт.

30

A62518

TUBE

ASSEMBLY - oil drain

1шт.

31

A58892

GASKET,1.59mm Thk

Oil drain tube

1шт.

32

13-616

BOLT,Hex, 3/8" - 16 x 1", Gr 5, Full Thd

2шт.

33

92-6

LOCK WASHER,3/8"

2шт.

34

A58893

HOSE

, Serial Range: Drain-fitting

1шт.

35

214-256

HOSE CLAMP,#20, 0.81" - 1.75", Type F Worm

(1-3/16 to 1-3/4")

2шт.

36

A58897

FITTING

Drain

1шт.

37

A64375

TUBE

ASSEMBLY - oil supply

1шт.

222-114

NUT,5/8"-24

Flex tube fitting

2шт.

222-154

SLEEVE,3/8" Tube

Flex tube fitting

2шт.

38

222-4027

HYD CONNECTOR,5/8"-24 x 1/4" NPTF

3/8" tube, 1/4" P.T.

1шт.

39

222-4048

ELBOW,90º, 5/8"-24 Fem x 3/8"-18 NPTF

3/8" tube, 3/8" P.T.

1шт.

40

49845

CLAMP

CLIP - oil supply tube

1шт.

Выбрано товаров: 38