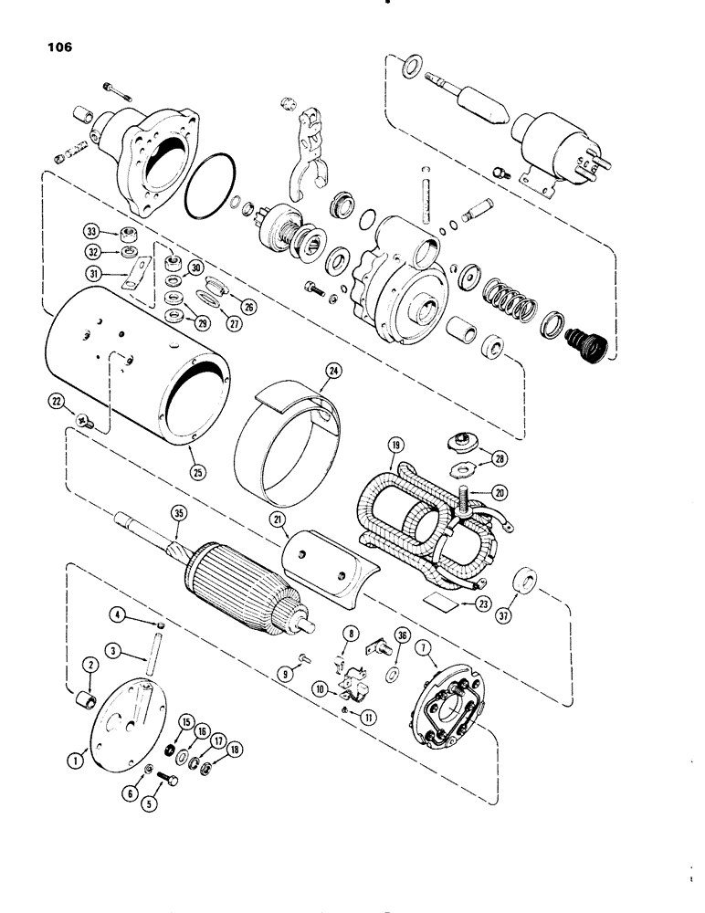
Запчасти Case IH 1270 (106) - STARTER ASSEMBLY, WITH DELCO DRIVE ASSEMBLY, DELCO-REMY NUMBER 1113399 (04) - ELECTRICAL SYSTEMS

Схема запчастей Case IH 1270 - (106) - STARTER ASSEMBLY, WITH DELCO DRIVE ASSEMBLY, DELCO-REMY NUMBER 1113399 (04) - ELECTRICAL SYSTEMS
18
21
26
28
5
22
11
35
30
37
9
6
27
8
1
3
33
31
15
4
25
10
23
7
17
19
24
2
29
20
16
36
32
FIT
1:1
100%

Артикул

Название

Примечание

Количество

A149056

STARTING MOTOR

STARTER ASSEMBLY - (Delco #1113399) (Replaces A64907), Includes Ref: 1-37

1шт.

1

A43849

FRAME

ASSEMBLY - commutator end (Order A45365), See Figure: 110, Includes Ref: 2-4

1шт.

2

A42323

BUSHING

- frame, 35/64 x 11/16 x 57/64"

1шт.

3

R15023

WICK

- oil

1шт.

4

221-1849

PLUG

- 1/8" hex. socket head, pipe

1шт.

5

114-1

BOLT,Hex, 1/4" - 28 x 1", Gr 5

4шт.

6

192-19

LOCK WASHER,Helical Spring, 0.256" ID, CST, ZND

WASHER, LOCK, 1/4"

4шт.

7

A43850

PLATE

BRUSH PLATE ASSEMBLY, Includes Ref: 8

1шт.

8

A42333

SPRING

- brush

4шт.

9

A43847

SCREW,3/8" - 32 x 1/2"

- brush attaching, w/washer

1шт.

10

A40891

BRUSH, COMMUTATOR

BRUSH ASSEMBLY

4шт.

11

174-211

SCREW,Sl Rnd Hd, #8 - 32 x 5/16"

- brush attaching, #8 x 5/16" rd. hd., mach

4шт.

15

A42085

BUSHING

- commutator end terminal

1шт.

16

R15013

WASHER

- 3/8 x 11/16 x 1/16"

1шт.

17

192-21

LOCK WASHER,3/8"

WASHER, LOCK, 3/8"

1шт.

18

129-103

NUT,Hex, 3/8" - 16, Gr 5

NUT, 3/8"-16, G5

1шт.

19

A42332

COIL

FIELD COIL ASSEMBLY - (4 coils), Includes Ref: 20

1шт.

20

A40896

STUD

- terminal, 1/2" N.C. x 2-1/8" special

1шт.

21

R15115

SHOE

- pole

4шт.

22

A42127

SCREW,3/8" - 24 x 0.20"

- pole shoe, 3/8 x 3/16" N.F. pan hd. Phillips

8шт.

23

A42327

INSULATOR

INSULATION - field coil, 1-13/16 x 2 x 1/64"

2шт.

24

A43848

INSULATOR

- field coil

1шт.

25

NSS

NOT SOLD SEPARAT

FRAME - field

1шт.

26

R21587

PLUG

- inspection, commutator end

1шт.

27

A41924

GASKET

- plug, 1-23/64 x 1-9/16 x 3/32"

1шт.

28

A41925

BUSHING

PACKAGE - field terminal stud

1шт.

29

D30005

INSULATOR

WASHER - insulator, terminal stud, 33/64 x 1 x 3/32"

2шт.

30

D30006

WASHER

- 33/64 x 7/8 x 1/32"

1шт.

31

NLS

NO LONGER SERVICED

CONNECTOR - solenoid

1шт.

32

192-113

LOCK WASHER,1/2"

WASHER - lock, 1/2"

1шт.

33

129-145

JAM NUT,Jam, 1/2"-13, G5

2шт.

35

A43855

ARMATURE

1шт.

36

A41917

WASHER,14.25mm ID x 24.89mm OD x 1.57mm Thk

- armature spacer, commutator end

1шт.

37

A43853

BUSHING

SPACER - armature, drive end

1шт.

Выбрано товаров: 34