Запчасти Case IH 1370 (181A) - HYDRAULICS, RIGHT HAND STANDARD REMOTE HYDRAULICS CIRCUITRY (08) - HYDRAULICS

Схема запчастей Case IH 1370 - (181A) - HYDRAULICS, RIGHT HAND STANDARD REMOTE HYDRAULICS CIRCUITRY (08) - HYDRAULICS
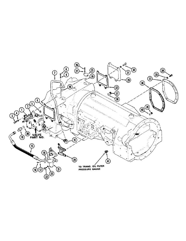
21
32
20
22
23
7
1
4
30
34
40
33
24
41
38
26
15
25
31
36
6
2
3
35
8
11
17
29
5
27
18
10
16
37
39
28
19
9
FIT
1:1
100%

Артикул

Название

Примечание

Количество

1

A66467

VALVE

ASSY - std. hydraulics (RH) (Replaces A63534) (For repairs see Figure 182)

1шт.

1

A63534

VALVE

ASSY - std. hydraulics (RH) (Order A66467) (For repairs see Figure 184)

1шт.

2

221-849

PLUG,Hex Soc, 1/8"-27

Pipe (In RH remote valve)

1шт.

3

13-828

BOLT,Hex, 1/2" - 13 x 1-3/4", Gr 5

4шт.

4

92-8

LOCK WASHER,1/2"

4шт.

5

A32348

GASKET,16.54mm ID x 23.29mm OD x 3.5mm Thk

GASKET -, Serial Range: valve-housing

1шт.

6

A65509

GASKET

, Serial Range: Valve-housing

1шт.

7

A64018

PIPE

SPARE PART TUBE -, Serial Range: trans.-manifold

1шт.

8

13-520

BOLT,Hex, 5/16" - 18 x 1-1/4", Gr 5

Tube to trans. case

2шт.

9

92-5

LOCK WASHER,5/16"

2шт.

10

A27352

O-RING,0.859" ID x 1.137" OD x 0.139"

1шт.

11

A64020

ELBOW

90 degrees (In manifold)

1шт.

15

A64328

HYD TUBE

Pressure, hyd. valve to regulator valve

1шт.

16

13-520

BOLT,Hex, 5/16" - 18 x 1-1/4", Gr 5

2шт.

17

92-5

LOCK WASHER,5/16"

2шт.

18

A27352

O-RING,0.859" ID x 1.137" OD x 0.139"

1шт.

19

218-5064

HYD CONNECTOR,1-1/16" - 12 Male JIC x 1-1/16" - 12 Male ORB

ASSY, Incl. Ref 20

1шт.

20

218-5008

O-RING,0.116" Thk x 0.924" ID, -912, Cl 6, 90 Duro

(3/4 x 59/64 x 1/8")

1шт.

21

REF

INSTRUCTION

VALVE ASSY - PTO & clutch reg. (Order from Figure 158)

1шт.

22

13-624

BOLT,Hex, 3/8" - 16 x 1-1/2", Gr 5

4шт.

23

92-6

LOCK WASHER,3/8"

4шт.

24

A66113

GASKET

, Serial Range: Valve-housing

1шт.

25

A63771

PLATE

CAP - 2 bolt flange

1шт.

26

13-520

BOLT,Hex, 5/16" - 18 x 1-1/4", Gr 5

Cap to trans. case

2шт.

27

92-5

LOCK WASHER,5/16"

2шт.

28

A27352

O-RING,0.859" ID x 1.137" OD x 0.139"

1шт.

29

A63772

COVER

Remote valve opening (LH)

1шт.

30

13-824

BOLT,Hex, 1/2" - 13 x 1-1/2", Gr 5, Full Thd

4шт.

31

92-8

LOCK WASHER,1/2"

4шт.

32

A65509

GASKET

Remote cover (Replaces A34138)

1шт.

33

A63792

PLATE

COVER - pump opening

1шт.

34

13-624

BOLT,Hex, 3/8" - 16 x 1-1/2", Gr 5

Cover to torque tube

8шт.

35

92-6

LOCK WASHER,3/8"

8шт.

36

A63793

GASKET

Pump opening

1шт.

37

9841223

PLUG,1-1/16" - 12 ORB

ASSY, hollow hex. (In trans. case), Incl. Ref 38

1шт.

38

218-5008

O-RING,0.116" Thk x 0.924" ID, -912, Cl 6, 90 Duro

"O" RING - (3/4 x 59/64 x 1/8")

1шт.

39

218-5214

PLUG,Hex Soc, 1 5/16"-12 ORB

Assy (In torque tube), Incl. Ref 40

1шт.

40

218-5010

O-RING,0.116" Thk x 1.171" ID, -916, Cl 6, 90 Duro

1шт.

41

221-87

REDUCER,1/2" NPT x 1/8" NPT

BUSHING (Pressure gauge tube)

1шт.

Выбрано товаров: 39