Запчасти Case IH 1370 (184) - HYDRAULICS, A63534 RIGHT HAND REMOTE HYDRAULICS VALVE (08) - HYDRAULICS

Схема запчастей Case IH 1370 - (184) - HYDRAULICS, A63534 RIGHT HAND REMOTE HYDRAULICS VALVE (08) - HYDRAULICS
36
4
5
33
20
11
38
26
6
22
23
24
16
4
19
18
20
32
39
41
17
35
21
34
40
42
8
17
2
21
7
37
21
20
10
9
19
25
26
3
22
FIT
1:1
100%

Артикул

Название

Примечание

Количество

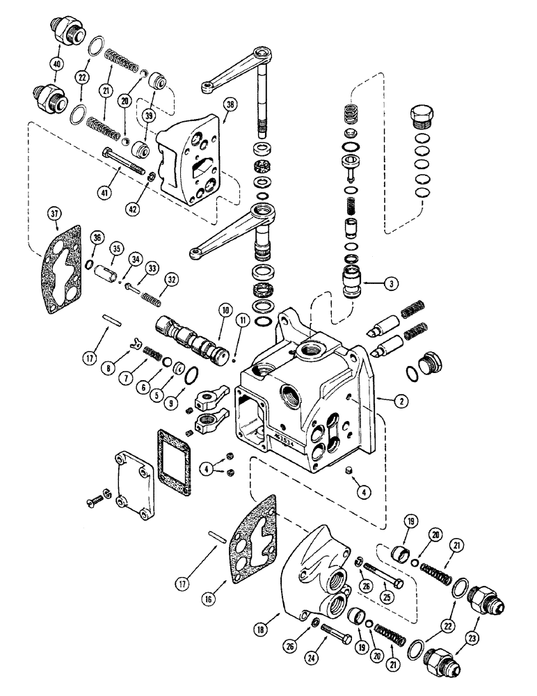
A63534

VALVE

ASSY. - std. remote (R.H.) (Order A66467 Figure 182), Includes Ref: 2 - 90

1шт.

2

A63535

BODY

ASSY. - hydraulic valve, Includes Ref: 3 - 5

1шт.

3

A57536

SLEEVE

- hydraulic valve pilot relief

1шт.

4

221-849

PLUG,Hex Soc, 1/8"-27

- pipe (1/8" hex. socket)

3шт.

5

A57537

SEAT

- hydraulic valve body ball check

4шт.

6

211-5

BALL,3/16" Dia

- (5/8" dia.)

4шт.

7

A27452

SPRING

- check, hydraulic valve outlet

4шт.

8

A27364

GUIDE

- ball check spring

4шт.

9

A64434

O-RING,0.93" ID x 1.142" x 0.106"

"O" RING - (15/16 x 1-1/8 x 3/32")

4шт.

10

A57538

SPOOL

ASSY. - hydraulic valve, Includes Ref: 11

2шт.

11

211-5

BALL,3/16" Dia

- (.) 3/16" Dia

1шт.

16

A57560

GASKET

- hydraulic valve head, front

1шт.

17

A57559

SPOOL

- auxiliary

4шт.

18

A57564

VALVE

HEAD ASSY. - hydraulic valve, front, Includes Ref: 19

1шт.

19

NSS

NOT SOLD SEPARAT

SEAT - valve head

2шт.

20

211-13

BALL,1/2" Dia

- return (chrome steel) 1/2" Dia

4шт.

21

A30877

SPRING

- check, return ball

4шт.

22

218-5008

O-RING,0.116" Thk x 0.924" ID, -912, Cl 6, 90 Duro

"O" RING - (3/4 x 59/64 x 1/8")

4шт.

23

A64708

FITTING

- front outlet, upper & lower

2шт.

24

13-628

BOLT,Hex, 3/8" - 16 x 1-3/4", Gr 5

2шт.

25

13-640

BOLT,Hex, 3/8" - 16 x 2-1/2", Gr 5

- (3/8 x 2-1/2" N.C. hex.)

2шт.

26

92-6

LOCK WASHER,3/8"

4шт.

32

A57396

SPRING

- relief valve ball

2шт.

33

A62272

GUIDE

- thermal valve ball

2шт.

34

211-3

BALL,1/8" Dia

- (.) 1/8" Dia

2шт.

35

A62273

SEAT

- thermal valve

2шт.

36

A27891

O-RING,0.103" Thk x 0.362" ID, -110, Cl 5, 75 Duro

"O" RING - thermal valve (3/8 x 9/16 x 3/32")

2шт.

37

A57561

GASKET

- valve head, rear

1шт.

38

A57565

VALVE

HEAD ASSY. - hydraulic valve, rear, Includes Ref: 39

1шт.

39

NSS

NOT SOLD SEPARAT

SEAT - valve head

2шт.

40

A64708

FITTING

- valve outlet, rear top & bottom

2шт.

41

13-644

BOLT,Hex, 3/8" - 16 x 2-3/4", Gr 5

- (3/8 x 2-3/4" N.C. hex.)

4шт.

42

92-6

LOCK WASHER,3/8"

4шт.

Выбрано товаров: 33