Запчасти Case IH 1370 (185A) - HYDRAULICS, A63534 RIGHT HAND REMOTE HYDRAULICS VALVE (08) - HYDRAULICS

Схема запчастей Case IH 1370 - (185A) - HYDRAULICS, A63534 RIGHT HAND REMOTE HYDRAULICS VALVE (08) - HYDRAULICS
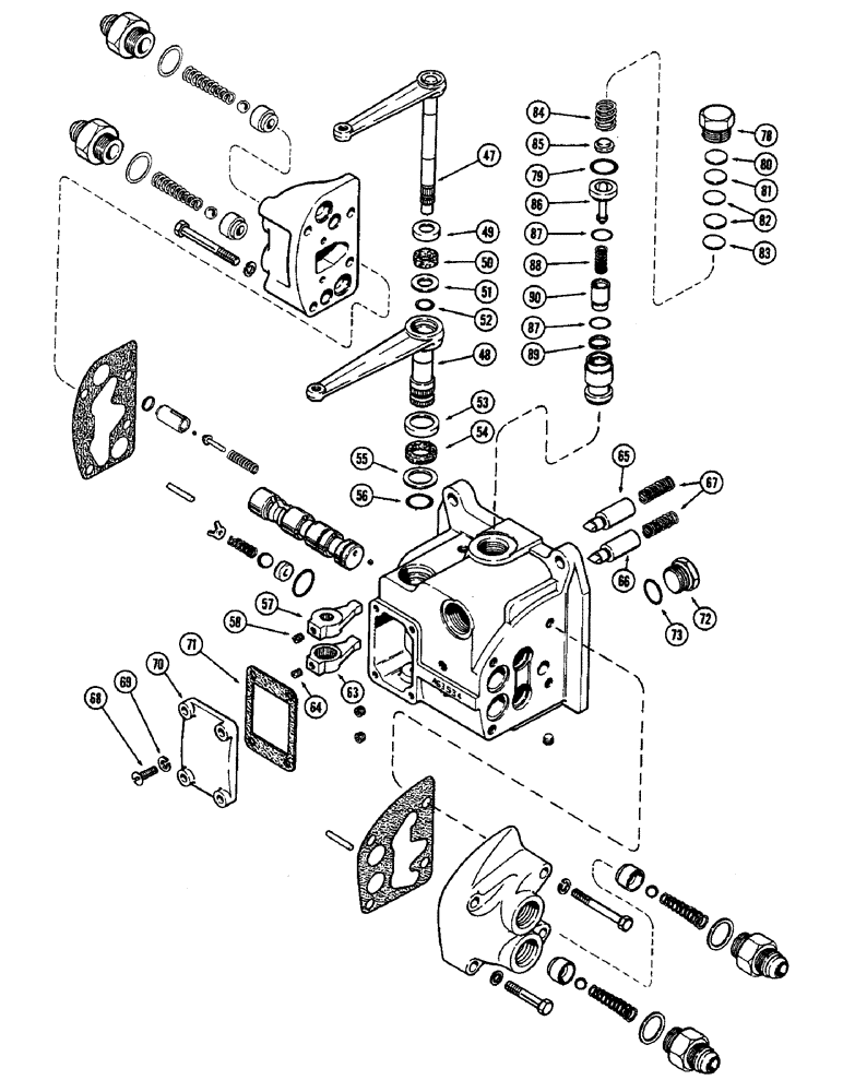
57
52
56
66
84
67
53
65
63
79
86
87
47
58
73
88
48
72
70
68
87
78
83
89
71
51
69
81
64
85
50
54
82
49
55
90
80
FIT
1:1
100%

Артикул

Название

Примечание

Количество

A63534

VALVE

ASSY. - std. hydraulic (R.H.) (Cont'd from Figure 184)

1шт.

47

A57605

LEVER

- shifter shaft, outer

1шт.

48

A57604

LEVER

- shifter shaft, inner

1шт.

49

A30875

RETAINER

- felt washer

1шт.

50

A30853

WASHER

- felt

1шт.

51

A27409

WASHER

- spool seal

1шт.

52

A64836

O-RING,0.487" ID x 0.693" OD

"O" RING - outer handle (1/2 x 11/16 x 3/32")

1шт.

53

A30880

RETAINER

- felt washer

1шт.

54

A30879

WASHER

- felt

1шт.

55

A30881

SEALING WASHER,19.45mm ID x 31.35mm OD

WASHER - spool seal

1шт.

56

A64837

O-RING,0.103" Thk x 0.75" ID, -116, Cl 5, 75 Duro

"O" RING - shaft seal (3/4 x 15/16 x 3/32")

1шт.

57

A57546

ARM

ASSY. - valve spool shifter lever (Inner), Includes Ref: 58

1шт.

58

178-875

SET SCREW,Hex Soc, 1/4"-20 x 1/4"

SCREW - set (1/4 x 1/4" N.C. hex. socket cup pt.)

1шт.

63

A57547

ARM

ASSY. - valve spool shifter lever (Outer), Includes Ref: 64

1шт.

64

178-875

SET SCREW,Hex Soc, 1/4"-20 x 1/4"

SCREW - set (1/4 x 1/4" N.C. hex. socket cup pt.)

1шт.

65

A57554

PLUNGER

- hydraulic valve spool (Inner)

1шт.

66

A57555

PLUNGER

- hydraulic valve spool (Outer)

1шт.

67

A30883

SPRING

- plunger, valve spool

2шт.

68

75-414

SCREW,Rd, 1/4" x 7/8"

- mach. (1/4 x 7/8" N.C. rd. hd.)

4шт.

69

92-4

LOCK WASHER,1/4"

WASHER, LOCK, 1/4"

4шт.

70

A57552

CAP

- hydraulic valve body

1шт.

71

A76374

GASKET

- valve body cap (Replaces A30854)

1шт.

72

86512512

PLUG,7/8" - 14 ORB

Incl. Ref 73 Hex Hd, 7/8"-14 ORB

1шт.

73

237-6010

O-RING,0.097" Thk x 0.755" ID, -910, Cl 6, 90 Duro

"O" RING - (5/8 x 3/4 x 3/32")

1шт.

78

A34392

PLUG

- pilot relief valve

1шт.

79

218-5008

O-RING,0.116" Thk x 0.924" ID, -912, Cl 6, 90 Duro

"O" RING - (3/4 x 59/64 x 1/8")

1шт.

80

A34694

SHIM,.0201" Thk

Pilot relief spring (See note) .0201" Thk

1шт.

81

A34817

SHIM,.0149" Thk

Pilot relief spring (See note) .0149" Thk

1шт.

82

A34391

SHIM,.0149" Thk

Pilot relief spring (See note) .0149" Thk

1шт.

82

A34390

SHIM,.0329" Thk

Pilot relief spring (See note) .0329" Thk

1шт.

83

A34849

SHIM,.0105" Thk

Pilot relief spring (See note) .0105" Thk

1шт.

84

A34492

SPRING

- pilot relief

1шт.

85

A57558

RETAINER

- pilot spring

1шт.

86

A57556

PISTON

ASSY. - pilot

1шт.

87

A17526

O-RING,0.614" ID x 0.754" OD x 0.7"

"O" RING - pilot relief sleeve

2шт.

88

A34382

SPRING

- pilot relief valve

1шт.

89

A34493

RING,16.33mm ID x 19.02mm OD x 1.25mm Thk

- pilot relief valve

1шт.

90

A57553

PISTON

- pilot relief valve

1шт.

A43086

SEAL

KIT - seal, hydraulic valve (Incl. ref. 9, 16, 22, 36, 37, 49 thru 56, 71, 73, 79, 87 & 89)

1шт.

A42888

KIT

- seal, relief valve (Incl. ref. 79, 87 & 89)

1шт.

Выбрано товаров: 40