Запчасти Case IH 1370 (188) - HYDRAULICS, RIGHT HAND STANDARD REMOTES, WITH OPTIONAL LEFT HAND REMOTES CIRCUITRY (08) - HYDRAULICS

Схема запчастей Case IH 1370 - (188) - HYDRAULICS, RIGHT HAND STANDARD REMOTES, WITH OPTIONAL LEFT HAND REMOTES CIRCUITRY (08) - HYDRAULICS
7
20
4
2
6
13
22
14
26
10
27
8
15
11
24
16
9
5
3
23
18
23
25
19
1
17
12
FIT
1:1
100%

Артикул

Название

Примечание

Количество

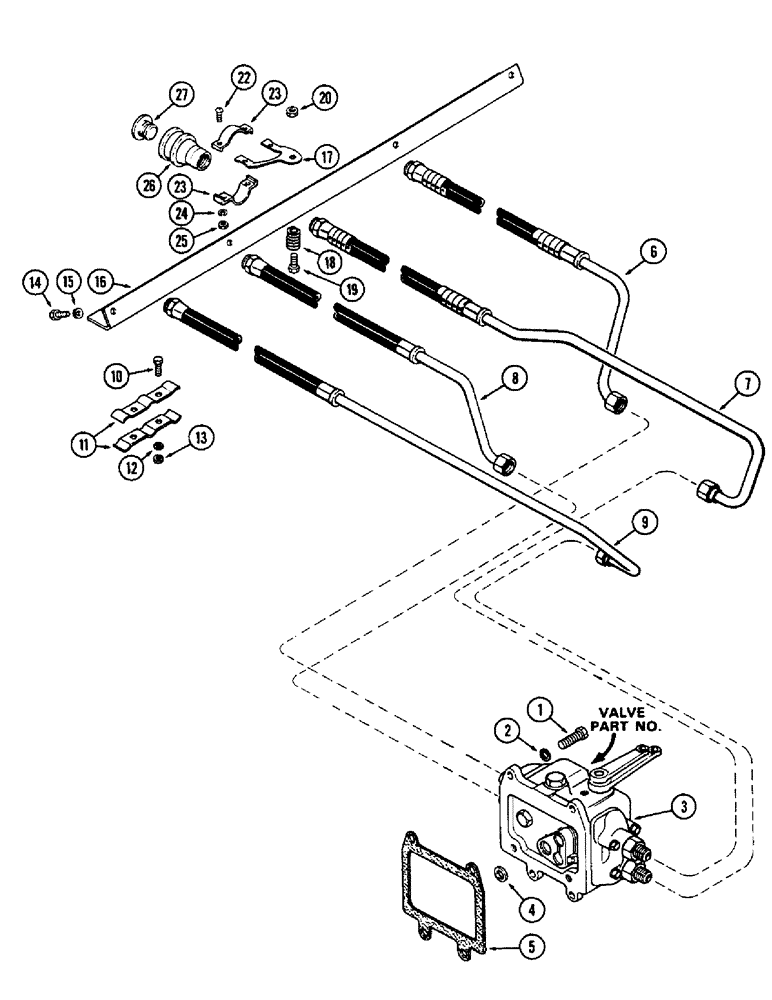
1

13-828

BOLT,Hex, 1/2" - 13 x 1-3/4", Gr 5

- (1/2 x 1-3/4" N.C. hex.)

4шт.

2

92-8

LOCK WASHER,1/2"

4шт.

3

A63762

HYDRAULIC VALVE

VALVE ASSY. - remote hydraulics (L.H.) (Order A66474) (Part no. stamped on body) (Repairs Figure 194)

1шт.

3

A66474

VALVE ASSY. - remote hydraulics (L.H.) (Replaces A63762) (Part no. stamped on body) (Repairs Figure 192)

1шт.

4

A32348

GASKET,16.54mm ID x 23.29mm OD x 3.5mm Thk

GASKET - auxiliary valve

1шт.

5

A34138

GASKET

- hydraulic valve

1шт.

6

A64738

HOSE

TUBE - remote, upper rear

1шт.

7

A63956

TUBE ASSY.

TUBE - remote, upper front

1шт.

8

A64709

HOSE

TUBE - remote, lower rear

1шт.

9

A63541

TUBE ASSY.

TUBE - remote, lower front

1шт.

10

13-514

BOLT,Hex, 5/16" - 18 x 7/8", Gr 5

2шт.

11

A63958

CLAMP - remote tubes

2шт.

12

92-5

LOCK WASHER,5/16"

2шт.

13

9635082

NUT,5/16" - 18, Gr 5

- hex. (5/16" N.C.)

2шт.

14

13-612

BOLT,Hex, 3/8" - 16 x 3/4", Gr 5, Full Thd

Bracket to platform Hex, 3/8"-16 x 3/4", G5, Full Thd

4шт.

15

92-6

LOCK WASHER,3/8"

4шт.

16

A63537

BRACKET

- mounting, disconnect

1шт.

17

A27360

BRACKET

- mounting, break-away coupling

4шт.

18

A26546

SPRING

- coupling bracket

4шт.

18

413-632

BOLT,Hex, 3/8" - 16 x 2", Gr 5

4шт.

20

131-352

LOCK NUT,3/8"-16, GA

NUT - lock (3/8" N.C.)

4шт.

22

173-79

SCREW,Sl Rnd Hd, #8 - 32 x 5/8"

- machine (#8-32 x 5/8" N.C. rd. hd.)

8шт.

23

A27423

CLAMP

- mounting, break-away coupling

8шт.

24

192-6

LOCK WASHER,#8

WASHER, LOCK, #8

8шт.

25

129-6

NUT,#8-32

8шт.

26

A28542

COUPLING, QUICK, FEM

COUPLING ASSY. - break-away (Female) (For repairs see Figure 180)

4шт.

27

A65044

PLUG

- dust, coupling socket (Black)

2шт.

27

A65045

PLUG

- dust, coupling socket (Yellow)

2шт.

Выбрано товаров: 28