Запчасти Case IH 1370 (196) - HYDRAULICS, LEFT HAND OPTIONAL VARIABLE REMOTE HYDRAULICS CONTROLS (08) - HYDRAULICS

Схема запчастей Case IH 1370 - (196) - HYDRAULICS, LEFT HAND OPTIONAL VARIABLE REMOTE HYDRAULICS CONTROLS (08) - HYDRAULICS
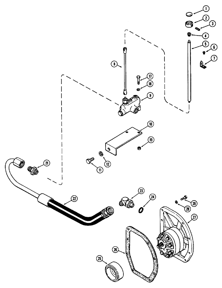
7
11
3
2
18
17
12
4
27
26
5
19
8
21
22
9
23
1
6
24
29
25
28
10
FIT
1:1
100%

Артикул

Название

Примечание

Количество

1

321-2056

DECAL

- flow control knob

1шт.

2

A64178

KNOB

- flow control

1шт.

3

178-822

SET SCREW,Hex Soc, #10-32 x 3/4"

SCREW - set (#10-32 Nyloc recessed hd., cup pt.)

1шт.

4

353-462

BUSHING,12.7mm ID x 15.88mm OD x mm L

- nylon snap (In console cover)

1шт.

5

A64180

ROD

- flow control

1шт.

6

187-1037

SELF-TAP SCREW,Slotted Pan Hd, #8 x 3/8"

SCREW - (#8 x 3/8" rd. hd. self-tapping) (Plated)

2шт.

7

A64179

INDEX

- flow control spring

1шт.

8

A64181

SHAFT

ASSY. - flex, flow control (With setscrews)

1шт.

9

A64176

VALVE

ASSY. - flow divider, variable (For repairs see Figure 205A)

1шт.

10

A64177

BRACKET

- flow control valve

1шт.

11

13-616

BOLT,Hex, 3/8" - 16 x 1", Gr 5, Full Thd

Bracket to trans. case Hex, 3/8"-16 x 1", G5, Full Thd

1шт.

12

95-6

WASHER,3/8"

- plain () 3/8"

1шт.

17

13-428

BOLT,Hex, 1/4" - 20 x 1-3/4", Gr 5

Flow divider valve to bracket Hex, 1/4"-20 x 1 3/4", G5

2шт.

18

95-4

WASHER,1/4"

- plain () 1/4"

2шт.

19

25-104

NUT,1/4"-20, G5

2шт.

21

218-446

HYD CONNECTOR,1-1/16" - 12 Male JIC x 3/4" - 14 Male NPTF

ADAPTER - straight

1шт.

22

A64184

TUBE

- pump to flow divider valve

1шт.

23

218-5138

ELBOW,45 Degree Elbow, 1-1/16" - 12 Male JIC x 1-1/16" - 12 Male ORB

ASSY. - 45 degrees adjustable (In pump), Includes Ref: 24

1шт.

24

218-5008

O-RING,0.116" Thk x 0.924" ID, -912, Cl 6, 90 Duro

"O" RING - (3/4 x 59/64 x 1/8")

1шт.

25

A64175

COLLAR

ALIGNER - remote oil pump

1шт.

26

A63793

GASKET

-, Serial Range: pump-transmission

1шт.

27

A64174

PUMP

ASSY. - hydraulic (L.H. variable remote) (For repairs see Figure 204)

1шт.

28

13-620

BOLT,Hex, 3/8" - 16 x 1-1/4", Gr 5, Full Thd

8шт.

29

193-46

LOCK WASHER,Ext-Int Tooth, 3/8"

WASHER - lock (Int./ext. tooth)

8шт.

Выбрано товаров: 24