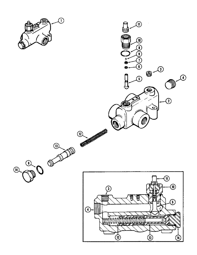
Запчасти Case IH 1370 (205A) - HYDRAULICS, A64176 FLOW DIVIDER VALVE ASSEMBLY (08) - HYDRAULICS

Схема запчастей Case IH 1370 - (205A) - HYDRAULICS, A64176 FLOW DIVIDER VALVE ASSEMBLY (08) - HYDRAULICS
3
9
5
11
4
6
2
14
1
7
12
8
13
3
11
8
5
10
14
13
10
12
4
FIT
1:1
100%

Артикул

Название

Примечание

Количество

1

A64176

VALVE

ASSY. - variable volume flow divider, Includes Ref: 2 - 14

1шт.

2

NSS

NOT SOLD SEPARAT

BODY - flow divider valve

1шт.

3

221-841

PLUG

- pipe (1/4" hex. socket head)

1шт.

4

221-842

DRAIN PLUG,Hex Soc, 3/8"-18 NPTF

PLUG - pipe (3/8" hex. socket head)

1шт.

5

A43743

DIVIDER

NEEDLE - flow divider valve

1шт.

6

T30271

O-RING,0.07" Thk x 0.114" ID, -6, Cl 5, 75 Duro

"O" RING - needle valve seal

1шт.

7

C15215

RING

- backup

1шт.

9

138-42

LOCK PIN,3/32" x 13/16", Slotted

Pin, 3/32" x 13/16", Slotted

1шт.

10

C15217

FITTING

- needle valve

1шт.

11

A43744

ADJUSTMENT SCREW,5/8" - 11 x 0.94"

SCREW - adjustment

1шт.

12

C11860

SPRING

- valve piston

1шт.

13

A43877

PISTON

- flow divider (Replaces A43742)

1шт.

14

L30425

PLUG

- piston

1шт.

8

218-5006

O-RING,0.087" Thk x 0.644" ID, -908, Cl 6, 90 Duro

"O" RING - (1/2 x 21/32 x 3/32")

2шт.

Выбрано товаров: 14