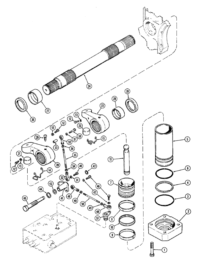
Запчасти Case IH 1370 (210) - D.O.M. SYSTEM, ROCKSHAFT, POWER ARMS AND PISTONS (09) - CHASSIS/ATTACHMENTS

Схема запчастей Case IH 1370 - (210) - D.O.M. SYSTEM, ROCKSHAFT, POWER ARMS AND PISTONS (09) - CHASSIS/ATTACHMENTS
51
12
29
20
49
9
24
33
26
22
34
7
48
12
13
30
13
11
12
34
15
32
27
6
9
49
45
42
35
2
41
3
32
23
26
13
4
28
14
43
48
47
46
44
31
40
1
21
10
5
50
31
FIT
1:1
100%

Артикул

Название

Примечание

Количество

1

13-1056

BOLT,Hex, 5/8" - 11 x 3-1/2", Gr 5

- (5/8 x 3-1/2" N.C. hex.), Cap to trans. case

8шт.

2

A63390

CAP

- hyd. lift cylinder liner

2шт.

3

A23316

O-RING,0.139" Thk x 4.484" ID, -246, Cl 5, 75 Duro

"O" RING - lift cylinder liner cap (4-1/2 x 4-3/4 x 1/8")

2шт.

4

A63389

SNAP RING,#450, 4.255, Ext

RING - snap, hydraulic lift cylinder

2шт.

5

A63388

BEARING LINER

LINER - hydraulic lift cylinder

2шт.

6

A23315

O-RING,0.139" Thk x 4.234" ID, -244, Cl 5, 75 Duro

"O" RING - lift cylinder liner (4-1/4 x 4-1/2 x 1/8")

2шт.

7

A63396

PISTON

ASSY. - rockshaft, with rings, Includes Ref: 9 and 10

2шт.

9

A63393

RING

- wear, rockshaft hyd. piston

2шт.

10

A63394

SEAL

- "U" cup, rockshaft hyd. piston

1шт.

11

A63395

ROD

- connecting, piston to power arm

2шт.

12

13-410

BOLT,Hex, 1/4" - 20 x 5/8", Gr 5, Full Thd

Clip to power arm Hex, 1/4"-20 x 5/8", G5, Full Thd

4шт.

13

195-18

WASHER,1/4"

- lock () 1/4"

4шт.

14

A63386

CLIP

- power arm (R.H.)

1шт.

15

A63387

CLIP

- power arm (L.H.)

1шт.

20

A63380

ARM

ASSY. - power (R.H.), Includes Ref: 21

1шт.

21

A63384

INSERT

- power arm (R.H.)

1шт.

22

A63381

ARM

ASSY. - power (L.H.), Includes Ref: 23

1шт.

23

A63384

INSERT

- power arm

1шт.

24

A63376

ROCKSHAFT

1шт.

26

A63377

OIL SEAL

- oil, rockshaft (2-13/16 x 3-7/8 x 1/2")

2шт.

27

A63378

BUSHING

- rockshaft (R.H.) (3-1/8" I.D. x 1-5/8" wide)

1шт.

28

A63379

BUSHING

- rockshaft (L.H.) (2-7/8" I.D. x 1-3/4" wide)

1шт.

29

A63385

SET SCREW,1/2" - 13 x 1 1/8"

- set (R.H. arm & L.H. arm)

2шт.

30

13-636

BOLT,Hex, 3/8" - 16 x 2-1/4", Gr 5

Upper rod to spacer Hex, 3/8"-16 x 2 1/4", G5

1шт.

31

193-30

LOCK WASHER,Int Tooth, 3/8"

WASHER, LOCK, Int Tooth, 3/8"

2шт.

32

A32398

BALL JOINT

END - rod, follow-up

2шт.

33

A63453

SPACER

- upper follow-up rod to power arm

1шт.

34

25-156

JAM NUT,Jam, 3/8"-24, G5

- hex. (3/8" N.C. jam)

2шт.

35

A63452

ROD

- follow-up (Upper)

1шт.

40

13-618

BOLT,Hex, 3/8" - 16 x 1-1/8", Gr 5

Upper rod to bellcrank Hex, 3/8"-16 x 1 1/8", G5, Full Thd

1шт.

41

A63449

CRANK

BELLCRANK - follow-up linkage

1шт.

42

T25683

SNAP RING,#75, Ext

Ring, Snap, , follow-up bellcrank to stud #75, Ext

1шт.

43

A26462

WASHER

- follow-up bellcrank (49/64 x 1-1/4 x 5/64")

1шт.

44

A27366

GASKET

WASHER - copper, bellcrank stud (1-1/32 x 1-1/4 x 1/32")

1шт.

45

A63450

STUD

- follow-up linkage bellcrank

1шт.

46

13-618

BOLT,Hex, 3/8" - 16 x 1-1/8", Gr 5

Lower rod to bellcrank & lever Hex, 3/8"-16 x 1 1/8", G5, Full Thd

2шт.

47

193-30

LOCK WASHER,Int Tooth, 3/8"

WASHER, LOCK, Int Tooth, 3/8"

2шт.

48

A32398

BALL JOINT

END - rod, follow-up

2шт.

49

25-156

JAM NUT,Jam, 3/8"-24, G5

- hex. (3/8" N.C., jam)

2шт.

50

A63455

ROD

- follow-up (Lower)

1шт.

51

A64430

LEVER

- draft control follow up (See Figure 212)

1шт.

Выбрано товаров: 41