Запчасти Case IH 1370 (014) - WATER PUMP AND ATTACHING PARTS, 504BDT, DIESEL ENGINE (02) - ENGINE

Схема запчастей Case IH 1370 - (014) - WATER PUMP AND ATTACHING PARTS, 504BDT, DIESEL ENGINE (02) - ENGINE
19
25
7
9
11
33
27
13
32
20
34
4
23
8
22
6
35
2
18
16
26
31
5
28
1
30
17
22
3
15
10
12
21
FIT
1:1
100%

Артикул

Название

Примечание

Количество

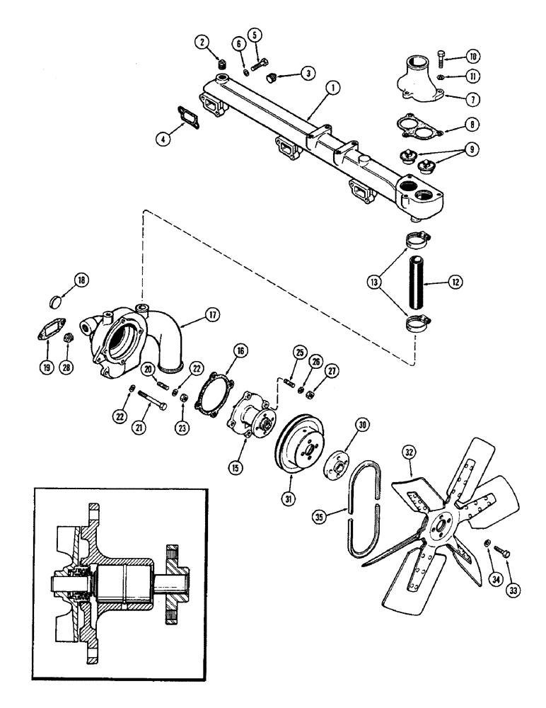
1

A58909

MANIFOLD

MANIFOLD - water

1шт.

2

221-4

DRAIN PLUG,Sq Hd, 1/2"-14 NPTF

PLUG - 1/2" sq. hd. pipe

1шт.

3

221-1845

DRAIN PLUG,Hex Soc, 3/4"-14, NPTF

PLUG - 3/4" hex. sckt. hd., pipe

3шт.

4

A58637

MANIFOLD GASKET

GASKET - water manifold

3шт.

5

13-624

BOLT,Hex, 3/8" - 16 x 1-1/2", Gr 5

BOLT - 3/8 x 1-1/2" N.C. hex.

3шт.

5

413-632

BOLT,Hex, 3/8" - 16 x 2", Gr 5

BOLT, Hex, 3/8"-16 x 2", G5

3шт.

6

92-6

LOCK WASHER,3/8"

LOCK WASHER, 3/8"

6шт.

7

A58638

HOUSING

HOUSING - thermostat

1шт.

8

A58639

GASKET

GASKET - thermostat housing

1шт.

9

A57641

THERMOSTAT

THERMOSTAT

2шт.

10

13-618

BOLT,Hex, 3/8" - 16 x 1-1/8", Gr 5

BOLT, Hex, 3/8"-16 x 1 1/8", G5, Full Thd

3шт.

11

92-6

LOCK WASHER,3/8"

LOCK WASHER, 3/8"

3шт.

12

A58737

HOSE,30.99mm ID x 134.62mm L, SAE 20R4

HOSE - water pump by-pass, 1-1/4" I.D. x 5-5/16"

1шт.

13

214-256

HOSE CLAMP,#20, 0.81" - 1.75", Type F Worm

CLAMP - hose, 1-3/16 to 1-3/4"

2шт.

15

A62976

PUMP

PUMP ASSY. - water

1шт.

15

1998701C1

REMAN-WATER PUMP

Remanufactured Water Pump

1шт.

15

A48329

CORE-WATER PUMP

Return Number, Water Pump

1шт.

16

A58646

GASKET

GASKET -, Serial Range: pump-body

1шт.

17

A59220

BODY

BODY ASSY. - water pump, Includes Ref: 18

1шт.

18

A58568

PLUG,Cup, 1 3/8", Stainless

PLUG - 1-3/8" cup

1шт.

19

A58649

GASKET

GASKET -, Serial Range: body-block

1шт.

20

G11204

STUD

STUD - 3/8" N.C. x 1-7/16"

2шт.

21

13-618

BOLT,Hex, 3/8" - 16 x 1-1/8", Gr 5

BOLT, Hex, 3/8"-16 x 1 1/8", G5, Full Thd

2шт.

22

92-6

LOCK WASHER,3/8"

LOCK WASHER, 3/8"

4шт.

23

25-106

NUT,3/8"-16, G5

NUT - 3/8" N.C. hex.

2шт.

25

A62234

STUD

STUD - 3/8" N.C. x 1-5/16"

4шт.

26

193-30

LOCK WASHER,Int Tooth, 3/8"

WASHER, LOCK, Int Tooth, 3/8"

4шт.

27

25-146

JAM NUT,Jam, 3/8"-16, G5

NUT - 3/8" N.C. hex., jam

4шт.

28

221-5

DRAIN PLUG,Sq Hd, 1/4"-14 NPTF

PLUG - 3/4" sq. hd., pipe

2шт.

30

A62465

BUSHING

SPACER - fan blade, 1-1/4"

1шт.

31

A58837

PULLEY

PULLEY - fan driven

1шт.

32

A64705

FAN

FAN - 22"

1шт.

33

13-636

BOLT,Hex, 3/8" - 16 x 2-1/4", Gr 5

BOLT, Hex, 3/8"-16 x 2 1/4", G5

4шт.

34

92-6

LOCK WASHER,3/8"

LOCK WASHER, 3/8"

4шт.

35

A65143

V-BELT,0.69" W x 58.25" L

Fan, Replaces A59763

1шт.

Выбрано товаров: 35