Запчасти Case IH 1370 (308) - CAB, AIR CONDITIONER, LOWER, USED PRIOR TO CAB SERIAL NUMBER 7814176 (09) - CHASSIS/ATTACHMENTS

Схема запчастей Case IH 1370 - (308) - CAB, AIR CONDITIONER, LOWER, USED PRIOR TO CAB SERIAL NUMBER 7814176 (09) - CHASSIS/ATTACHMENTS
25
30
1
37
2
15
9
26
32
11
24
28
39
33
13
4
16
35
6
36
14
22
3
20
8
7
2
12
31
23
38
34
27
5
21
10
FIT
1:1
100%

Артикул

Название

Примечание

Количество

1

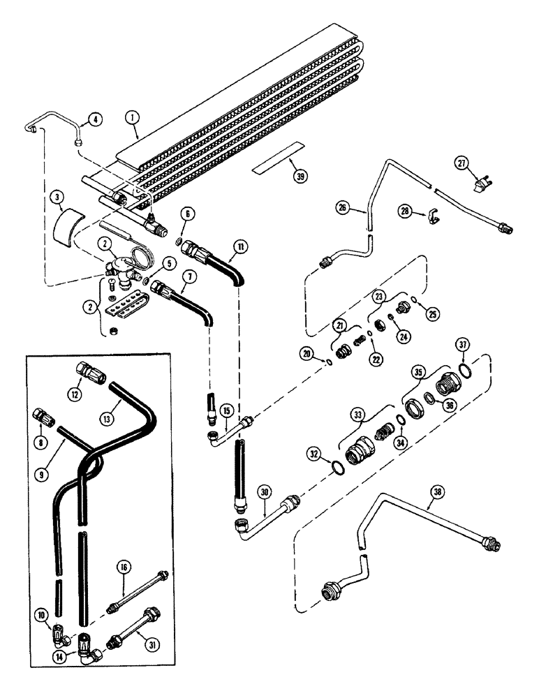
F89638

CORE, RADIATOR

CORE - air conditioner evaporation

1шт.

2

A42625

LOCK VALVE

VALVE - expansion (Incl. clamp strap & hardware)

1шт.

3

NSS

NOT SOLD SEPARAT

INSULATION - valve, 2-1/2" x 10' (Order A42902)

1шт.

A42902

SEALING STRIP

INSULATION - valve (30' roll)

1шт.

4

F63523

TUBE

- equalizer

1шт.

5

222-993

GASKET,3/8 Tube, Fl, Copper

(#6) (Pressure fitting) 3/8 Tube, Fl, Copper

1шт.

6

222-995

SEALING WASHER,15.88mm ID

- 45 degrees, #10 copper (Suction fitting)

1шт.

7

F63377

HOSE,71.50"

- high side (1st used trac. SN8693001) 71.50"

1шт.

NSS

NOT SOLD SEPARAT

HOSE ASSY. - high side (Used prior to trac. SN8693001), Includes Ref: 8 and 9

1шт.

8

A42651

TUBE NUT

ADAPTER -, Serial Range: hose-valve

1шт.

9

A42634

A/C HOSE,0.312" ID x 71.00"

- High Side 0.312" ID x 71.00"

1шт.

10

A42650

ELBOW

-, Serial Range: hose-tube

1шт.

11

F63378

HOSE,75.00"

- low side (1st used trac. SN8693001) 75.00"

1шт.

NSS

NOT SOLD SEPARAT

HOSE ASSY. - low side (75") (Prior to trac. SN8693001)

1шт.

12

A42649

ADAPTER

- hose to evaporator, Includes Ref: 13 and 14

1шт.

13

A42647

A/C HOSE,0.50" ID x 73.00"

- Low Side 0.50" ID x 73.00"

1шт.

14

A42648

ELBOW

-, Serial Range: hose-tube

1шт.

15

F63379

BOX

TUBE - hose to coupling (1st used trac. SN8692001)

1шт.

16

A42670

TUBE - hose to coupling (Used prior to trac. SN8693001)

1шт.

20

A61195

O-RING,0.364" ID x 0.5" OD

"O" RING - 23/64 x 1/2 x 1/16"

1шт.

21

A42663

COUPLING,1/2" - 20 NPT

COUPLING - cab half, Includes Ref: 22

1шт.

22

A42665

O-RING,0.239" ID x 0.375" OD x 0.07"

"O" RING - coupling piston

1шт.

23

A61196

COUPLING, BREAK AWAY

COUPLING - tractor half, Includes Ref: 24

1шт.

24

A42667

GASKET

-, Serial Range: coupling-coupling

1шт.

25

A61195

O-RING,0.364" ID x 0.5" OD

"O" RING - 23/64 x 1/2 x 1/16"

1шт.

26

A64152

TUBE - receiver tube to coupling (See Figure 328)

1шт.

27

A61291

THERMOSTAT

- high temperature (See Figure 328)

1шт.

28

A61789

CLAMP

- thermostat

1шт.

30

F63380

TUBE

- hose to coupling (1st used trac. SN8693001)

1шт.

31

A42669

TUBE - hose to coupling (Used prior to trac. SN8693001)

1шт.

32

A61197

O-RING,1.78mm Thk x 27mm ID

"O" RING - 1-3/4 x 1-3/16 x 1/16"

1шт.

33

A42664

COUPLING, BREAK AWAY

COUPLING - cab half, Includes Ref: 34

1шт.

34

A42666

O-RING,0.737" ID x 0.943" OD x 0.103"

"O" RING - coupling piston

1шт.

35

A61194

COUPLING, BREAK AWAY

COUPLING - tractor half, Includes Ref: 36

1шт.

36

A42668

GASKET

-, Serial Range: coupling-coupling

1шт.

37

A61197

O-RING,1.78mm Thk x 27mm ID

"O" RING - 1-3/64 x 1-3/16 x 1/16"

1шт.

38

A64399

TUBE - cab to compressor (See Figure 328)

1шт.

39

345-38

TAPE - duct (7-1/2")

1шт.

Выбрано товаров: 0